计算机彩色显示器的开关电源是损坏率较高的部件。在电源严重损坏或由于电路、器件等原因无法修复时,可采用本文介绍的开关电源。本电源输入交流电压220V在±20%变化时,输出直流电压稳定,波纹在100mV以下,输出端具有过流、短路快速保护功能。电源板外型尺寸为120×80mm,采用单管自激型,电路简单,制作容易。在IBM5153、TVM MD-24T、CTX5468等30多种彩显上应用,性能良好。
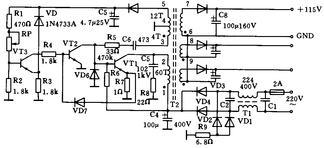
工作原理简介:见电原理图,220V市电经过由C1、T1、C2组成的交流滤波器,VD1~VD4桥式整流,C4滤波,在C4上端得到+300V直流电压,通过R6给开关管VT1基极注入电流,同时,+300V电压经过脉冲变压器T2初级绕组向C5、R8充电,充电电流感应到激励绕组(3、4),形成正反馈,使VT1迅速导通,电流线性上升,磁路达到饱和后,激励绕组的感应电势下降到不能维持VT1基极电流时,VT1迅速关断,T2各绕组电压反向。存储在T2中的能量通过次级二极管整流滤波,向负载供电。T2中的4-5绕组和次级各绕组形成紧耦合,经整流滤波后的直流电压间接反映次级电压的大小变化,这一电压称为取样电压。稳压管VD和R3为取样管VT3发射极设定基准电压,基极经R1、RP、R2分压,直接监测取样电压。当取样电压升高时,VT3导通,电流通过R4到控制管VT2基极,VT2导通,提前关断开关管VT1,形成脉宽控制,保证输出电压的稳定。这种单管自激型电路在控制脉宽时,频率也会发生变化。当电路过载或发生短路时,开关管VT1电流增大,R7上的压降也增大,达到1.4V时,VD7和VT2发射结就有电流通过,VT2导通,并断VT1,形成了开关电源的快速保护功能。

主要元器件选择与制作:开关管VT1是高反压大功率晶体管,要求BV\(_{CEO}\)≥600V,IC≥3A,P\(_{C}\)≥50W,适合这样参数的晶体管很多,为了便于安装,最好选用TO3P封装的,例如:BU508A、D1403、C3505等。脉宽控制管VT2要选择IC≥500mA的NPN型中功率管,例如:C1214、8050等。取样管VT3要选择BV\(_{CEO}\)≥30V的PNP型中功率管,例如:A1050、A673等。脉冲变压器T2用E12×12mm MXO-2k磁芯,中心柱磨出0.8mm气隙。各绕组均采用Ф0.53mmQZ或Q\(_{Z2}\)高强度漆包线,层间和组间均垫一层0.05mm厚聚脂薄膜。不同型号彩显次级圈数见表。

调试与安装方法:电路组装完毕后,先在输出端+115V至GND之间接300Ω50W线绕电阻1只,并上电压表监视电压。输入端经过调压器先送交流60V,输出端应有十几伏直流电压,然后逐渐升高输入电压,输出直流电压也升高,当升高到+115V左右时,再升高输入电压(不超过265V AC),输出电压就不再升高了。这时调整RP,使输出电压为额定值(调整RP时,输出电压可在98~120V间变化)。当输入交流电压在180~260V变化时,输出直流电压不变,就算合格。
如果开始送交流60V输入电压时,没有输出电压,应仔细检查电路、元器件、脉冲变压器相位等。直到有电压输出,才能升高电压进行下一步调整。调试时必须注意:负载回路不能空载,否则易造成损坏。
在安装使用前,要测量彩显负载部分,确认没有短路时,再把调整好的电源板固定在右侧底板边框上(从前面看)。把各输入、输出端一一对应接在电路上,接通220V市电,彩显即正常工作。如果送电后,电源吱吱叫,测+115V电压为70V左右,说明行输出部分有故障造成电流过大,电源保护,应重点检查行输出变压器及外围电路元器件,具体检查方法可参考有关书籍。(徐宝丰)