香港产CSO-2A型卡拉OK机,是较受人们欢迎的一种娱乐性音响设备,它在目前流行的家用卡拉OK机型中,具有一定代表性。该机电路的核心部分由于采用了日本松下公司生产的斗链式电荷耦合型音频延时线(BBD),所以使得它具有电路简单,回声混响效果显著的特点。本文试在剖析该机电路的同时,介绍故障维修实例,供使用者参考。
一、电路原理
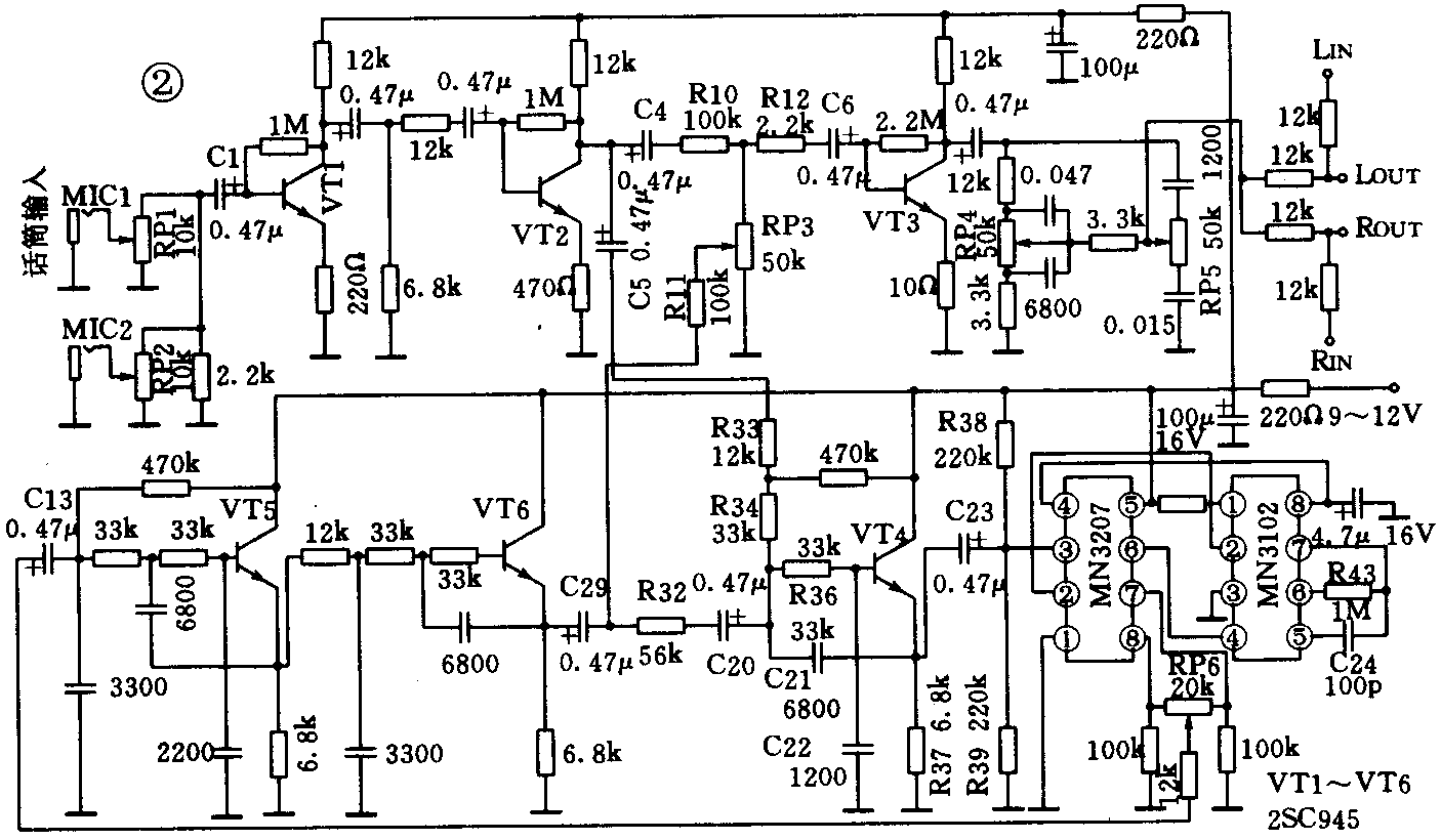
CSO-2A型机的基本电路结构原理框图如图1所示。它主要由话筒前置放大电路、延迟混响电路、有源低通滤波电路等组成,具体电路如图2所示。由话筒1、2输入的演唱信号经音量电位器RP1和RP2分别控制后,经C1耦会送入VT1、VT2等组成的话筒信号混合放大电路放大,以满足后级延迟电路对输入电平的要求。为了使话筒演唱信号大小能与线路输入的伴奏乐信号相配合,也可通过调节RP1和RP2来进行。被放大后信号从VT2集电极输出,然后分成两路:一路是经C4、R10、R12、C6后成为至话筒混响信号混合放大电路的直通信号;另一路将由C5、R33送到由MN3207(BBD)、MN3102(时钟振荡器)组成的延迟电路进行延迟处理。


进行延迟处理的话筒演唱信号在进入BBD之前,是由R34、R36、C21、C22、VT4、R37组成的有源低通滤彼器(LPF1)滤除输入信号中BBD不能传输的中、高频成分,以确保延迟信号的失真最小,噪声最低,滤波后信号经C23送到BBD延迟器MN3207的③脚。图中R38、R39是MN3207输入端的偏置电阻。
MN3207是一块1024级的BBD低噪声延迟电路,与之配套的MN3102提供时钟频率。接在MN3102⑤、⑥、⑦脚上的C24、R43决定了振荡器的振荡频率,按图中数据该机振荡频率为6.4kHz,经MN3102内部1/2分频电路分频,送至时钟驱动器驱动,由②、④脚输出不断交替变化的反相时钟脉冲,去控制BBD对输入信号取样并传送。
1.6kHz以下的演唱信号进入MN3207被延迟以后,分别从⑦、⑧两脚通过RP6把两相延迟信号平衡后作一路输出。因此信号中含有抽样的时钟频率成分和高频干扰信号,所以必须利用VT5和VT6等组成的低通滤波器LPF2将其滤除。已滤波的延迟信号从VT6的发射极经C19后又分成两部分:一部分经R11和RP3与未延迟的直通信号混合送入VT3作混合放大,再经高、低音控制电位器RP5、RP4与线路输入叠加后输出;另一部分经R32、C20反馈到VT4的基极再次延时,如此反复便能模拟声音的多次反射,从而形成一串逐渐衰减的延迟声。这里RP3用来调整直通信号和延迟信号的混合比,以达到调整混响深度的目的。若不需混响可将RP3动触点调到地端,使延迟信号接地。
二、故障维修
[例1]故障现象:无话筒演唱声音。
分析检修:由于无话简信号输出,表明话简信号通道上有故障。按图2所示的话筒信号流程,用干扰法从后向前检查。在混响控制电位器RP3上注入干扰信号,扬声器有声,说明后面电路工作正常。用万用表测VT2直流工作点,电压正常,同时扬声器也发出声音,但向前测VT1时不仅干扰声明显减小,而且集电极和基极电压明显高于正常值,发射极电压却接近0值。据此分析该管已处于无集电极电流的非工作状态。焊下测量两结的正反向电阻,发现发射结开路,更换管子,故障排除。
[例2]故障现象:演唱时无回声混响效果。
分析检查:因为有话筒声音输出,但没有混响效果,这表明混响电路有故障。为此按照先查第一级低通有源滤波器VT4电路、BBD电路、时钟发生器电路,再查第二、三级低通有源滤波器VT5、VT6电路的顺序检修。查VT4工作电压分别为Ve=3.8V,Vb=4.4V,Vc=9.2V;MN3102的⑤、⑥、⑦脚外接元件C24、R43以及⑧脚电压8.5V,②、④脚电压4.53V;MN3207的③脚偏置电压约为电源电压的一半,⑦、⑧脚延迟信号输出端电压4.86V均属正常,所以判断以上电路基本没问题,故障发生在低通滤波器部分的可能性较大。又继续检查这部分电路的关键元件VT5、VT6、C13、C19、C20和RP3。结果发现耦合电容C19开路。由于C19失效就造成了延迟信号通道断路,用一只1μF电容替换后故障排除。(张永生)