卫星电视接收机将从天线收到的微波信号,经过二次变频后产生第一和第二中频信号,通过中频和视、音频等信号处理电路,对信号进行放大、鉴频等处理后,输出视音频信号到射频调制器。下边对这几部分电路进行简介。
中频处理电路
1.第二中频带通滤波器
第二中频带通滤波器的中心频率通常为140MHz或510MHz,理论带宽为27MHz,实际上为20MHz。通常采用LC集中参数滤波器和声表面滤波器SAWF。前者易于实现,但体积大、调整不方便;后者便于工业化大批生产,体积小、无需调整,故在国内外卫星电视机中广泛采用。SAWF有约20dB的插入损耗,因此要加一级补偿放大器;由于SAWF的输入、输出电容较大,使用时要在输入、输出端加接电感匹配。
2.第二中颇放大器
第二中频放大器也称主中放,要求增益不低于60dB,输出的中频信号不小于1V\(_{PP}\);为确保输出电平稳定,应具有AGC功能;除此之外还要求有低噪声和良好的输入、输出匹配功能及能提供载波电平强弱指示的检测信号。实际使用的电路类型主要有两种:
(1)晶体管低噪声中频放大器。为满足稳定性和低噪声特性的要求,一般选用4~5级具有电流负反馈和电压负反馈的阻容耦合晶体管放大电路,如东芝TSR-C2型机等即采用该类型中放。
(2)集成电路中频放大器。集成中频放大器具有调试方便、工作稳定、可靠性高及外围电路简单、使用灵活等优点,在卫星电视机的主中放电路已越来越广泛采用它。如美国莫托罗拉公司的MC5157、MC5121,日本NEC公司生产的μPC1651等。图1给出了在卫星电视机中使用的带AGC的集成电路中频放大器电路图,它采用的集成块为μPC1476。

3.AGC电路
AGC电路的作用是在接收机中频输入端信号强度发生变化时,能自动控制第二中频放大器及前置中频放大器的增益,使第二中频信号的输出电平基本保持恒定。一般要求AGC的控制范围≥40dB,其组成方框如图2所示。由于AGC电路的工作原理、控制方式及电路类型与普通电视机基本相同,故这里不作进一步的分析介绍。

4.限幅器
从卫星来的信号因受到各种噪声和干扰的影响,使调频信号中引入寄生调幅效应,必须在鉴频器前加限幅器以消除寄生调幅,否则会使信噪比下降,调频信号能改善信噪比的优点不能发挥。要求限幅器的调幅抑制度≥30dB。
限幅器的作用是切除第二中频信号波形的上部和下部,是一种双向限幅切割电路。由于二极管的寄生电容比三极管的小,故卫星接收机中通常使用二极管限幅器,有并联限幅器和串联限幅器两种。
图3为双向并联二极管限幅器原理图,其中VD1、VD2为限幅元件,二极管导通信号被短路限幅。锗管限幅由平通常为100~300mV,硅管通常为600~800mV,硅管限幅特性优于锗管,故实际中较多采用。使用中,如果一级限幅特性不够理想,可采用多级限幅形式。图4为双向串联二极管限幅电路,二极管截止信号被断开限幅,其中VD1、VD2为限幅元件,调整W1可改变限幅电平。


视频处理电路
视频处理电路包括从第二中频信号解调出基带信号的鉴频器,以及放大输出1V\(_{PP}\)的视频信号并进行低通滤波、去加重、去扩散处理等电路部分,最后为射频调制器提供视频信号。
1.鉴频器
从卫星电视调频信号中取出电视基带信号及调频伴音信号必须采用频率解调器即鉴频器、鉴频特性可由“S”形曲线表征,要求其鉴频带宽略大于接收机中放带宽。卫星电视机常采用的有平衡鉴频器和移相鉴频器,以下作些简要介绍。
平衡鉴频器。又称双失谐回路鉴频器,它频带宽、线性好。图5为东芝TSR-C2型机使用的平衡鉴频器电路,图中Ll、C5和L2、C7组成两个并联谐振回路,一个谐振于95MHz,另一个谐振于185MHz,“S”形曲线的中心频率为140MHz。由这两个回路输出的调幅调频波经VD1、VD2电路检波后得到基带信号经后级电路放大,并输出基带信号。

移相鉴频器。又称符合门鉴频器,主要由相乘器、移相器和低通滤波器组成。移相器可用RL或RLC网络组成,其作用是将调频信号变成调相信号,然后再与调频信号相乘,解调出基带信号。目前广泛采用双差分模拟乘法器,故实际中多用集成块完成,如集成块LM1496即是。
上述鉴频器其门限电平约为10dB。为降低调频解调门限值提高对微弱信号的解调能力,卫星电视机中往往需采用门限扩展解调器,如锁相鉴频器、注入锁相门限扩展电路等。
锁相鉴频器(PLL)它由鉴相器、VCO和低通滤波器组成锁相环路。该电路当输入载噪比高时工作过程与普通鉴相器相同;当输入载噪比降至门限值后,在脉冲噪声出现的瞬间,由于环路增益下降,环路带宽大大变窄,跟随速度变慢,使低通输出噪声比输入端小得多,而信号仍然保持输出,从而使门限值得以降低。实际中常用集成电路形式,如DSB600型机中采用的μPC1477即为锁相鉴频器电路,图6给出其内部方框图及外围电路。另外NE561也具有锁相鉴频器的门限扩展功能。

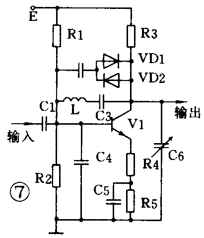
注入锁相门限扩展电路它一般加装在限幅级与鉴频器之间,包含一个自激振荡器。当无外来信号时,振荡频率不变;当有信号且大于噪声时,振荡频率基本上只受有用信号牵引,对噪声也像是一个窄带滤波器,可使门限扩展改善2~5dB,图7为TSR-C2型机中采用的该种电路,图中V1、C4、C6、L、C3组成电容三端振荡电路,D1、D2为限幅二极管,用来消除寄生调幅。

2.视频信号的处理
(1)去加重电路。调频卫星信号中的视频信号需进行预加重,以改善信噪比约2~3dB,解调时需采用与之对应的去加重网络,对我国适用的625行制去加重网络如图8所示。

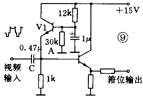
(2)去能量扩散电路。为消除卫星下行信号中人为叠加的三角波能量扩散信号,接收端必须设置去扩散电路,一般采用箝位电路。图9给出了最常用的三极管箝位电路,图中C为箝位电容,V1为箝位管,当正极性的全电视信号输入,同步头作用期间V1饱和导通,A点电位被箝定,同步头过后的其他时间V1截止,C放电很慢,从而保证了A点的电视信号被箝定输出,达到了去能量扩散即箝位的目的。

(3)低通滤波器、视放电路及极性开关。低通滤波器用以滤除伴音调频信号,保证0~6MHz的视频信号输出,一般采用集中参数LC网络,电路中均已设计固定。
视放电路用以放大视频信号,可采用晶体管视放电路或双差分视频放大电路,要求保证0~6MHz带宽及一定的增益。
极性开关为保证与混频电路中采用的高、低本振不同,而造成解调后输出视频信号极性相反的问题,通常设置一个倒极性开关,使输出视频信号极性可根据需要选择始终一致。以上电路简单这里不作详细介绍。
伴音处理电路
卫星电视机伴音处理电路主要用途是从鉴频器输出的基带信号中分离出调频伴音信号,并进行鉴频解调、去加重和放大等处理,最后输出音频信号。调频伴音副载频因电视制式不同而不同,其范围在4.5~SMHz,我国为6.6MHz,可用4.5~8MHz的LC带通滤波器取出。伴音鉴频器多采用以下电路形式:
1.VCO直接调谐解调器
图10为DSB型机心中使用的集成块NE564的VCO锁相解调器及外围电路,其中C537,C538、R552、R553组成锁相环中鉴相器低通滤波网络,调节VR02和VR502、VR503可改变VCO中变容管VD502两端电压,调整VCO的频率。C546、R566和C508、R569为伴音去加重电路。DSB700S型机中用两个NE564完成双通道的伴音还原。

2.PLL自动搜索调谐解调器
图11为东芝TSR-C2型机中采用的PLL自动搜索调谐伴音电路的组成方框图,其主要特点是本振VCO的振荡频率受PLL控制自动搜索并完成从4.5~8MHz范围中选择伴音信号的任务。由图可见,VCO由预置分频器分频,再经由CPU控制的程序分频器分频后,与由11.25MHz晶振频率分频后的信号共同送至鉴相器比较。当有相位误差时,经低通滤波后再控制VCO改变频率,这样循环不断改变修正PLL的程序数据,直至选出所接收的伴音调频信号为止。选出的伴音调频信号由后续电路解调还原出音频信号输出。电路中还设置了静噪电路,用以保证搜索调谐过程中切断伴音杂波。带宽选择电路为了抑制相邻频道间的干扰,搜索开始时工作于“窄带”状态;搜索停止后可自动转入“宽带状态”,并保证音质的还原。(毛志伋 高厚琴)
