在现代的工业生产和科研中,晶闸管已被广泛地应用于调压、调速、变频、开关及自动控制等领域,在电力电子技术中有着举足轻重的地位。晶闸管的触发方式有移相触发和过零触发两种。常用的触发电路与主回路之间由于有电的联系,易受电网电压波动和电源波形畸变的影响,为解决同步问题,往往又使电路较为复杂。而采用MOTOROLA公司生产的MOC3021~3081器件可以很好地解决这些问题。该器件用于触发晶闸管,具有价格低廉、触发电路简单可靠的特点。下面以MOC3061为例介绍其工作原理和应用。
一、内部结构及主要性能参数
MOC3061的内部结构及管脚排列见图1,它采用双列直插6脚封装。该器件的输入部分实际上是一个砷化镓发光二极管,输出部分则相当于一个带有过零检测器的光敏双向开关。当发光二极管中通过5~15mA的正向电流时,发出红外光,而输出部分只有受到红外光照射,同时输出端电压接近零时才导通。这样,输入、输出部分是由红外光耦合的,电气上实现了完全隔离。器件导通后,其输出端电压降止很低值,当电流小于保持电流Ih时器件将自行关断。

主要性能参数:可靠触发电流Ift 5~15mA;保持电流lh 100μA;超阻断电压600V;重复冲击电流峰值1A;关断状态额定电压上升率dV/dt 100V/μs。
MOC3061的管脚排列如下:1、2脚为输入端;4、6脚为输出端;3、5脚悬空,详见图1。
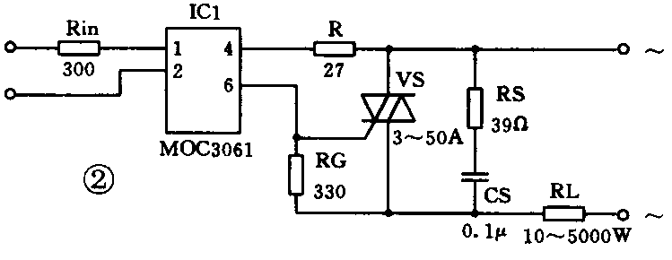
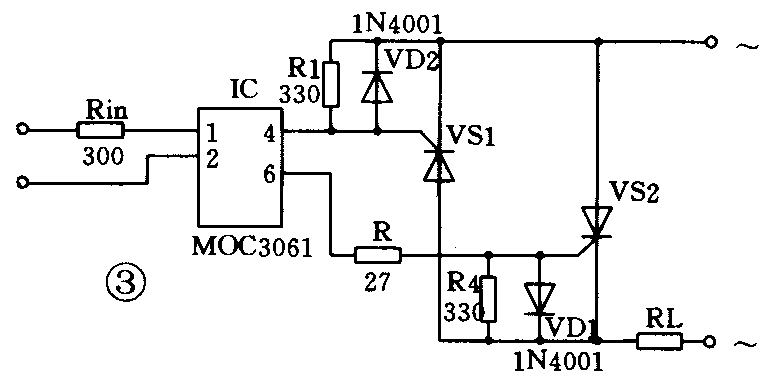
图2、图3分别为MOC3061用于触发双向晶闸管和反并联单向晶闸管的基本电路,图中输入电阻Rin用于限制流往发光管的电流大小,电阻R用来限制通过触发器的电流大小。


二、应用电路
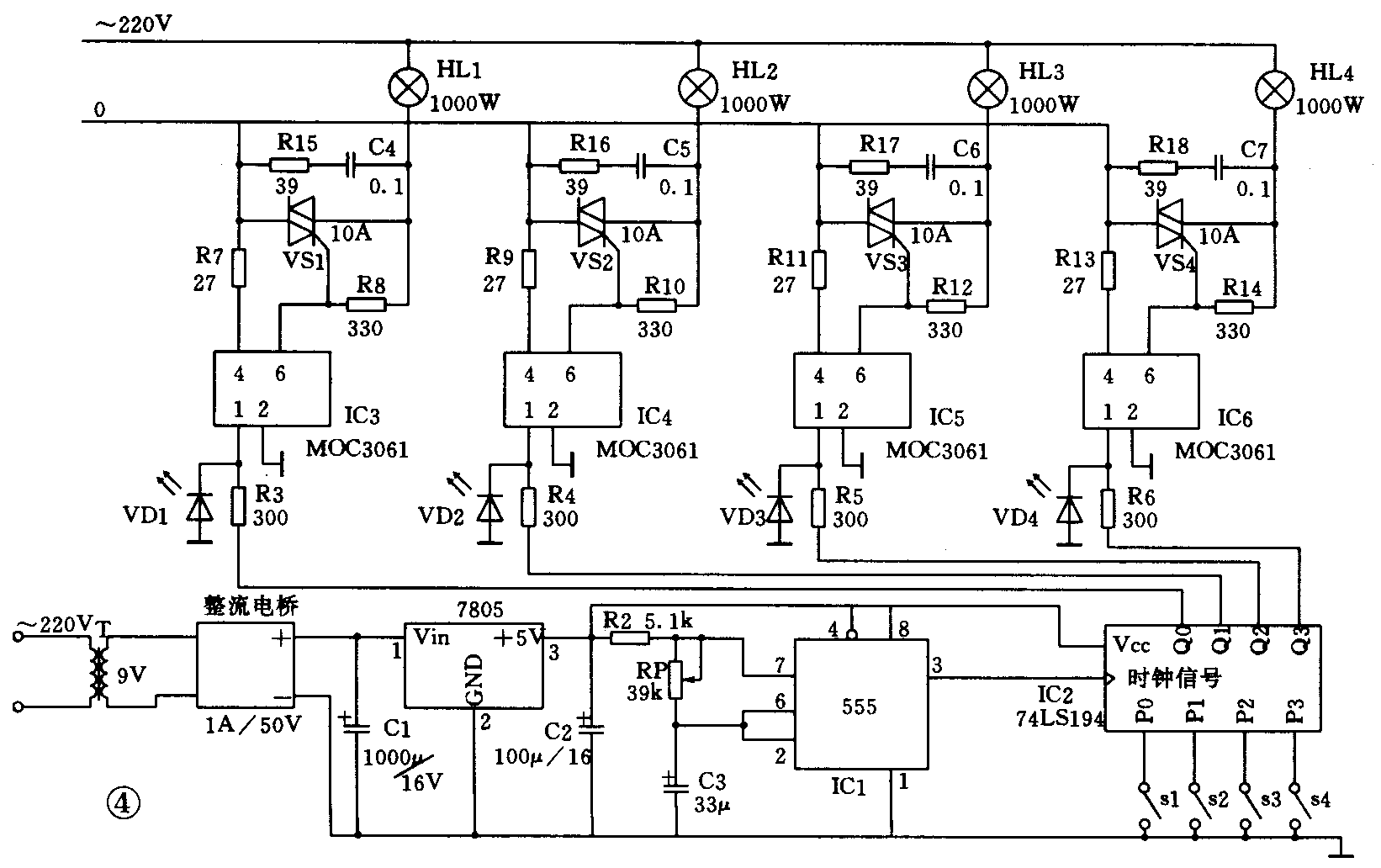
图4是一个可简单编程的四路彩灯控制电路。电路中采用一块时基电路555产生一脉冲,74LS194产生移位循环,对它的简单编程是通过控制P0、P1、P2、P3的电平高低实现的。采用MOC3061触发晶闸管,强、弱电之间在电气上完全隔离,且可以直接可靠地触发50A或更大功率的晶闸管。

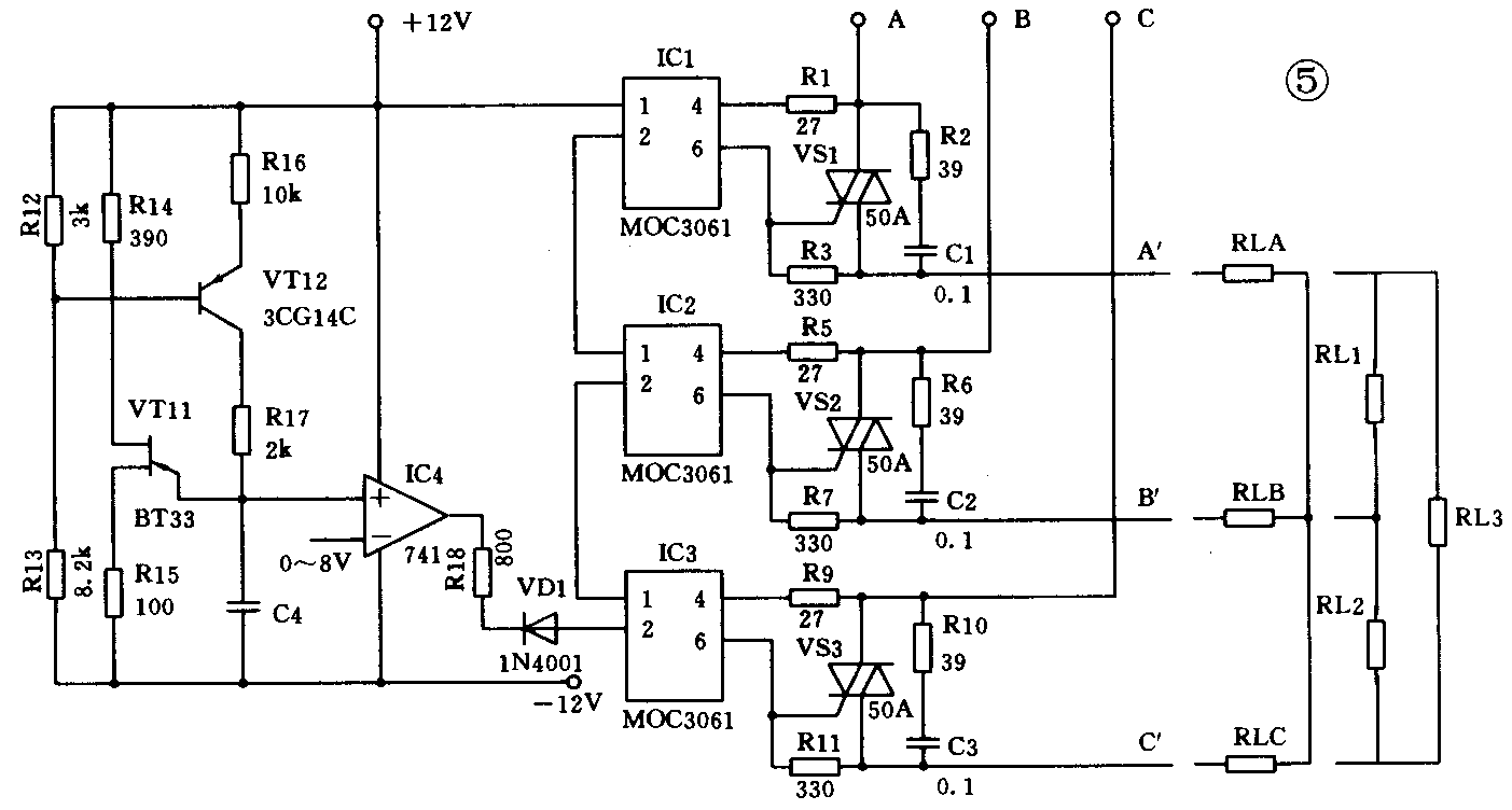
图5是一个采用MOC3061过零触发晶闸管构成的炉温控制系统。一般调节炉温的方法大都采用移相触发晶闸管,控制晶闸管的导通角来控制输出功率。触发电路要求有一定幅值且相位能改变的脉冲,而且还需要解决与主回路电压同步的问题,使得电路较复杂;采用移相触发晶闸管调压装置,在晶闸管导通瞬间会产生高次谐波干扰,造成电网电压波形畸变,影响其他用电设备和通讯系统的正常工作。本例中的电路采用过零触发晶闸管导通与关断的时间比值来调节送给电炉的功率。该电路由锯齿波发生器、电压控制占空比调功电路和光电隔离过零触发电路组成。

图中恒流充电电容器C4及单结晶体管VTll组成锯齿波发生器,以单运放IC4作比较器,将来自手动设定器或控温仪表的0~8V(可由0~10mA转换而来)控制信号与锯齿波电压比较,在信号电压高于锯齿波电压时,IC4输出为低电平,驱动MOC3061(三相触发时为3个输入端串联)的输入端LED工作。
三相相电压按A、B、C相序,则线电压U\(_{AB}\)、UBC、U\(_{CA}\)每隔60°顺序过零。当LED电流作用时,在三相中线电压先过零的任意两相将同时触发导通(如UAB先过零,则A、B相先触发导通)。第三相(C相)将在与其相序最近的A相电压等于其相电压(U\(_{CA}\)=0)时导通。这就保证了无论负载是星形接法还是三角形接法,都是零电流触发导通。当LED电流为零时,三相中的任意两相之间的电流降到保持电流以下时,这两相将截止,剩下的一相也将在同一时刻截止。
以上电路均经过长时间实际应用,证实工作非常可靠,既可触发双向晶闸管,也可触发单向晶闸管,能与TTL、CMOS电路兼容、除此之外,MOC3021~3081系列器件还可以作为理想的接口器件用于微机控制系统。(喻政新 陈明辉 陈卫民)