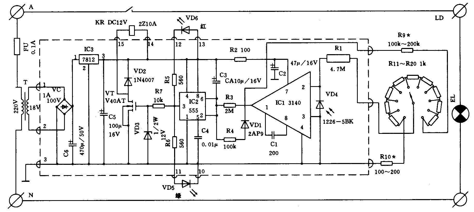
本文向读者介绍一种高精度路灯光电控制器,电路如图1所示。其测光部分采用测光照度计电路,光敏元件Bp采用精密测光用硅光电池SL1226-5BK。该光电池光谱峰值在720nm,比较接近人眼的视觉特性曲线,而且光谱响应范围宽,对于清晨和傍晚的微光检测,要比常用的普通硅光电池或光电晶体管的灵敏度高出许多倍,也不怕强光照射,比常用的光敏电阻的线性及稳定性也要好得多。IC1用于光电信号的放大,这里选用了单电源高阻抗集成运算放大器CD3140,既简化了电源电路,也可得到非常高的灵敏度。灵敏度的调整是通过改变R9、R10及SA的档位来实现的,这种调节方式直观、方便、可靠。以上测光电路的设计有效地提高了测光电路的精度和可靠性,保证了该装置能在0.5~20LX的照度范围内长期稳定可靠运行。

经过运算放大器处理后的光信号,送至由IC2构成的施密特触发器。IC2采用了稳定性很高的NE555时基电路。IC2的2、6端连在一起作为输入端与IC1的输出端6连接。当IC1的输出信号大于23V\(_{CC}\)时,IC2的3端输出为低电位,接近零伏,VT截止,继电器KR接点打开,路灯熄灭。当IC1的输出信号小于1;3VCC时,IC2的3脚输出为高电位,VT导通,继电器KR的接点接通,路灯点亮。R3、C3组成延时抗干扰电路,克服闪电对本装置的影响,通常熄灯延时调整在30秒左右即可,这里C3采用了正电源接法,具有前延时作用,使该装置在白天投入运行时,也不会误使路灯发光。VD1、R4的接入使本装置亮灯延时为3~5秒,让控制器在达到动作照度时尽快动作。红、绿发光二极管VD6、VD5为挂制器工作状态指示。
本文介绍的控制器所用元件尽可能选用高质量的器件。R9可根据动作照度要求进行调整,增大阻值可提高灵敏度,反之减小灵敏度。继电器选用DC12V的各种继电器都可以,但触点容量尽可能大一些,这样可使该控制器在实际应用时更加可靠。稳压电源这里选用了7812三端稳压器,注意应加装一定面积的散热片。硅光电池可直接焊在线路板Ap上,也可单独安装在遮光罩内,但引线应屏蔽,且注意接地良好。(王国栋)