本分线器能将一个电话用户接口扩展成三个电话用户接口。并具有保密、内部呼叫、转移呼叫和会议功能,适用于电话用户线少、话务量又不很大的办公室、企业以及家庭使用,进网使用时应征得电信部门同意。由于本分线器所使用的芯片都是通用的低功耗芯片,因而又具有成本低、功耗低、体积小,性能稳定可靠和容易制作等优点。除了这些优点外,由于本分线器内不使用可调整元件,对元件的量值精度要求不高,因此只要元件性能可靠、组装正确,装好后一般无需调试即可使用。另外,本分线器扩展成的三个电话用户接口对电话机无特殊要求,脉冲/双音多频兼容,也可接传真机。
基本原理

图1为原理框图。图中的内/外线切换控制器具有断开外线功能。当用户作内部呼叫时,外线必须断开,避免外线蜂音对内部通话的干扰。摘/挂机检测器,除了具有检测用户摘/挂机功能之外,还具有检测脉冲拨号功能。隔离器,具有隔离三个用户分机功能,当一个用户分机摘机时,另外两个用户分机被隔离,实现保密功能,只有被隔离的用户分机成为呼叫对象时,隔离才能被解除。振铃控制器,用于控制对三个用户分机振铃,它受主控制器,摘/挂机检测器以及铃流产生器的控制。隔离逻辑电路,它负责把摘/挂机检测器和主控制器的信号转换成隔离信号。共线电流产生器,当用户进行内部呼叫时,它负责为三个用户分机提供共线电流。双音多频(DTMF)检测器,它具有双音多频号码检测功能。铃流检测器,当外线来话呼叫时,它能将外线铃流检测出来。拨号脉冲处理器,由于电话机型号、新旧和质量等因素,脉冲话机拨出来的脉站占空比不统一,甚至有的含有毛刺和不必要的干扰脉冲,因此必须对拨号脉冲滤波平滑。除此之外,拨号脉冲处理器还具有对摘/挂机信号进行处理功能,所以,它对拨号计数器和主控器具有关键作用。拨号计数器,能对脉冲拨号进行计数,并传送给主控制器,还能对号码中的“0”个数进行计数,计满四个“0”就能向主控制器、共线电流产生器和内/外切换控制器发出控制信号。铃流产生器,它能产生25Hz标准铃流,还能产生铃流断续时间信号。主控制器,它是整个分线器的核心部分,它的核心作用读者从下面的叙述中就能看出。
当外线来话并振铃时,铃流检测器输出高电平,将主控制器清零,如果这时某一用户分机摘机,主控制器和拨号计数器立即被置为接收用户拨号状态,即分线器处于来话转移状态。这时,只要摘机用户拨号,主控制器就能根据号码,打开被呼叫的分机用户的分机振铃控制器,并清除该用户分机的隔离器,使之与用户话路总线接通,如果这时被呼叫的用户分机摘机,则另二路分机均被隔离,用户通话内容另两路分机听不到。当外线没有来话时,某一用户分机摘机,分线器处于主叫状态,即主控制器不接受用户所拨的一般号码,这时分线器不影响用户分机对外打电话,只接受用户分机摘机/挂机信号和四个“0”的号码。如果某一用户分机摘机后只呼叫内部分机的话,只要连续拨四个“0”,主控制器立即处于内部呼叫状态,这时主控制器就能对四个“0”后的号码作出反应,即打开被呼叫用户分机数振铃控制器,清除被呼叫的用户分机隔离器,这时只要被呼叫用户摘机就能构成内部呼叫或会议功能。
线路简介
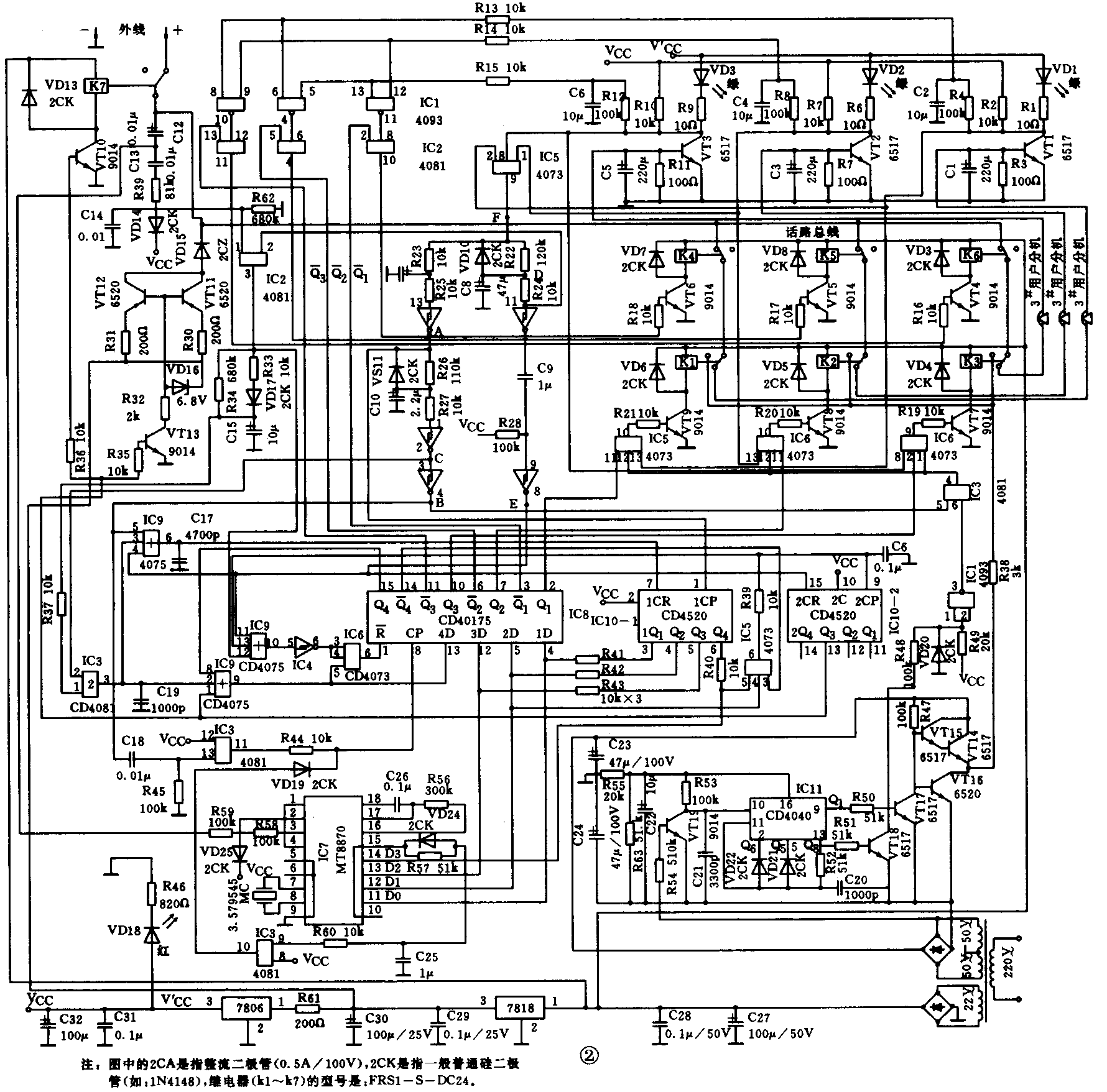
图2是分线器的线路图,它由CD40175,CD4073,CD4520,CD4081,CD40106,CD4075,CD4040,CD4093,MT8870九种芯片组成,除MT8870外都是CMOS集成数字电路,CD40175,CD4075,C4520是电路的核心部分。

1.内/外切换控制器
由三极管VT10和继电器K7构成,平时继电器K7不吸合,常闭接点将内线与外线接通。当分线器内部呼叫时,CD4520第13脚给出高电平使VT10导通,继电器K7吸合,常闭接点断开,外线与内线通道切断。
2.摘/挂机检测器
共有三个摘/挂机检测器,分别由三极管VT1、VT2、VT3等构成。
3.隔离器
共有三个隔离器,分别由K4、VT6和K5、VT5以及K6、VT4组成。
5.隔离逻辑电路
由IC1、IC2构成,平时CD40175第11、6、3脚输出高电平,因此隔离逻辑电路仅受摘/挂机检测电路输出逻辑电平控制。
6.铃流检测器
由与门IC2-1、R33、R34、C15、VD17、R62、C13、C12组成,平时外线不来铃流时,由于R62的下拉作用,图中与门1脚输入为“0”,输出3脚也为“0”。
7.共线电流产生器
由VT11、VT12、VT13、VD16、VD15组成,共线电流产生器就是一个恒流源电路,当分线器作内部呼叫时,CD4520第13脚输出一个高电平,使三极管VT13导通,稳压管VD16两端电压恒压6.8V,由于是恒压,电阻R30、R31两端电压也是恒定不变的,因而三极管VT11、VT12输出电流也恒定不变,使用户分机获得阻抗很高,话音衰减很小的电流源。
8.双音多频检测器
由MT8870构成。MT8870是双音多频解码专用芯片,其工作原理有关刊物已作过介绍,不再叙述。
9.铃流产生器
由IC11、VT14~VT19组成,本电路既产生振铃断续时间信号,又产生25Hz100V的铃流信号。交流50V,50Hz的信号经VT19、R53、C21整形、滤波成为50Hz方波。CD4040是12位二进制串行计数器,它可以把10脚上的50Hz方波进行12级分频,第1级分频将50Hz方波转换成25Hz方波,从9脚输出,经VTI4~VTI7转换成25Hz,100V的铃流。
10.拨号脉冲处理器
由IC4中的五个施密特反相器组成,如果用户话机是脉冲电话机,在拨号期间三个摘/挂机检测器输出信号是一串拨号脉冲,经与门(ICS)分两路处理,一路首先经R25、R23和C8滤波,消除拨号脉冲毛刺或振铃时的干扰,经反相器形成计数脉冲(A),送给计数器计数,再经R26、VD11、C10和两个反相器形成一个脉冲后沿延时100ms左右的脉冲(C),这个C信号用于拨号结束后对IC10-1清零和控制CD40175将 IC10-1的输出二进制码读入,并保持在Q端,这个C信号还具有对振铃控制器产生阻塞作用。与C信号反相的B信号用于阻塞振铃检测器的输出信号,即摘机后100ms,振铃检测器送给主控制器的信号不再起作用。
11.脉冲计数器
由CD4520(IC10)组成。CD4520是双四位二进制同步计数器,它的作用是对拨号脉冲进行计数,同时也要对号码中的“0”计数,IC10-1用于拨号脉冲计数,IC10-2用于对号码中的“0”进行计数。
12.主控制器
由CD40175和一些逻辑门组成。表1结出了CD40175输出端Q1~Q3的输出电平、功能码及其具有的功能。

三、使用说明
图3是装配图(元件面),图4是非元件面的印制板图,线路图和装配图对元件的数值,型号标注得很清楚,读者只要组装正确即可使用,不需要调试。表2是分线器功能编码表。用户可以根据表2进行操作。



1.组装好分线器线路后,把电源线,分线器接上,再按正负极性将市话线(外线)接上。
2. 将三个用户分机分别摘机,耳机中出现连续蜂音(拨号音)表示接线基本正确。
3.把电源线插入交流220V插座。电源指示灯亮,分别摘机,对应的摘机指示灯亮,如果摘机指示灯不亮,说明外线正负极性可能接反,需将两根外线倒换后再接入。
4.转移呼叫,任一分机应答外线呼叫后,如需转给另一分机,可拨特定的电话号码。
例如:
1\(^{#}\)分机转给2#分机应拨“2”
3\(^{#}\)分机转给1#分机应拨“1”或“9”
任一分机应答外线呼叫后,如需召开四方会议(包括外线那一方)可拨号码“7”即可。在转移时,如果耳机中无声(已被隔离),表示对方已经摘机,这时应放下手柄。
5.内部呼叫,摘机后先拨四个“0”,接着拨功能码。
例如:
2\(^{#}\)分机呼叫1#分机拨00003
1\(^{#}\)分机呼叫3#分机拨00005
三方会议拨00007
6.注意事项:
①在转移或内部呼叫操作中拨错了号码,请不要挂机!只要重拨那一位错码即可纠正。当呼叫无人时,也可重拨功能功能码,不必挂机。
②在作转移呼叫时,拨完功能码后,不能立即挂机!只有等对方摘机后,方可挂机。
③在拨四个“0” 期间,如果耳机里听到忙音或其他声音,不会影响分线器功能,继续放心操作。
④操作出现不灵时,应首先检查一下外线正负极性是否正确。
⑤当发生停电时,不影响三个用户对电话机的正常使用。只是分线器的特殊功能暂时消失而已。一旦重新供电,分线器功能即可恢复。
本机装好后的外形如图5所示。(吉立印)
