一台福日HFC-321型彩电,出现无光栅、无图像、无伴音的故障。
检修:首先测量电源插头两端的电阻,当电源开关接通后,阻值为26Ω,说明交流输入电路正常。据用户讲,原来的保险管已烧断,自己又换上了一只。为了慎重起见,没有加电,打开后盖,检查烧保险的原因。
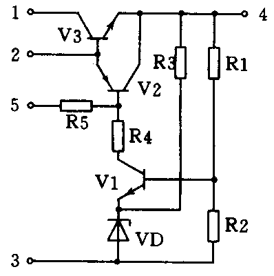
检查整流滤波电路,发现线绕电阻R901已烧坏,为开路状态,所以新换上的保险管没有再烧。接着向后检查,测量厚膜电路STR6020,其内部电路见附图。在路测量①脚与④脚之间的正反向电阻,阻值均为OΩ。说明STR6020内的开关管已经击穿。继续检查 STR6020损坏的原因。首先检查行输出管,发现行输出管集电极到发射极之间的正反向电阻均为2Ω,说明也已损坏。造成行输出管损坏通常有3个原因:一是行输出管本身质量不好;二是稳压电源输出电压过高;三是行输出变压器有问题。检查行输出电路未发现问题。更换R901、STR6020和行输出管后,故障排除。

小结:当发现电源开关管击穿后,不能盲目更换,应检查负载电路,特别是应检查行输出管是否正常,因为开关管击穿后,造成输出电压过高,会把行输出管损坏。同样,当发现行输出管损坏时,也不能盲目更换,除了检查行输出电路外,应检查稳压电路输出电压是否过高和电源开关管是否损坏。(冀国建)