随着广播事业的发展,越来越多的乡镇或厂矿企业都自办了调频节目。这里介绍一种性能较为完善的室外调频广播自动接收装置,可固定在露天场所与电台同步工作。该装置除有一般调频收音机和普通音箱性能外,还具有抗干扰强、自动频率锁定范围宽、输出功率大,不怕风雨、高温及严寒,并能实现电路的自动开关、自动静噪和延时启动等特点。该机进入守候状态时静态电流极小并且无任何噪音输出,因此可长期接通电源,无须留人值守。
主要指标有:①接收频率88~108MHz;②开机灵敏度≤5μV;③延时启动时间,τ≈70ms;④室外环境温度-20℃~+45℃,频响范围100Hz~8000Hz;⑤静态电流<20mA;⑥输出功率≥10W;⑦使用电源AC:220V~,DC:12V。其工作原理如图1所示。

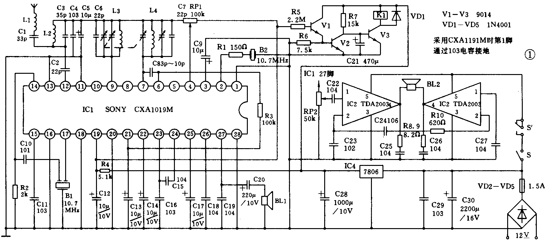
接收部分采用SONY公司专业FM/AM接收机设计的单片电路CXA1019M或CXAll91M,其工作性能稳定可靠,灵敏度高,选择性好; AFC AGC特性优良;外围电路也十分简单,两种IC外型均为双列扁平塑料贴片式封装,采用CXAll91M时,应注意其第1脚通过一只0.0lμ电容接地,除此之外两者用法完全相同,可以互换(本机设计只限于FM范围)。
功放由一对TDA2003组成BTL电路,其频响宽、失真小、增益高。在负载为4Ω时,可获得15W(RMS)输出。C24采用玻璃釉无极性电容,不要随意替代以免加大谐波失真。S是为高频部分调试而设置的开关,在统调时应关断,这时功放级无输出,仅BL1有输出可作监听,一旦统调完毕S即可闭合,这时BL1又可用作高音喇叭。功放IC2、IC3需良好的散热,这里使用的是一种热辐射系数较高的合金肋片式型材散热器,有效地解决了电路过热这一问题。
由V1、V2、V3、R7、C21、K等组成开关控制及延时电路,其原理是当该装置收到FM广播信号时,IC1第19脚场强显示输出电压下降,此刻V1、V2截止,由于正偏置R7的存在V2c极呈高电平,V3导通,继电器K吸合,功放级开始工作。反之,在FM广播停止后接收机收不到电台信号,这时电路IC1的场强显示输出电压便会立即上升(接近电源电压),此时V1、V2分别进入饱和,V2c极呈低电平,V3截止,因而K释放,功放级失电进入守候状态。为了保证K不被瞬间干扰误触发,在电路中设置了电容C21,由于C21的加入, V3导通时间推迟,原因是在V2c极出现高电平时,C21首先被充电,V3b极电压没有突变,K并不动作。这个过程约70毫秒(ms),在这个时间里的干扰信号被C21全部吸收掉。延时时间取决于R7、C21的大小,时间常数τ=R·C=15kΩ×470μF≈70.50ms。当干扰过后C21便又经V2放电恢复原态。
对室外音箱有一定特殊要求,除要具有防雨、防腐、防晒等特性外,还要具有较宽的水平指向与较窄的垂直指向,使声音垂直聚拢。材料可使用玻璃钢或化学树酯,但工艺复杂且成本较高。用镀锌板材和木质材料组成双层T型壳体结构音箱,完全能满足以上要求。音箱内层使用木板或胶合板;外层需用0.5mm~0.8mm镀锌板包面,接合处要求焊锡,最后表面涂漆。外形尺寸如图2所示。

元件选用与调试:①除电解电容外高频部分选用瓷片电容,其它为涤纶电容。电阻均采用\(\frac{1}{8}\)W碳膜电阻。IC4为输出6V的三端稳压器。K选用工作电压6V触点电流在1A以上的中小型继电器如4098型等。C8为高频中和电容,对展宽AFC起一定作用,其容量在3pF至10pF之间选择。②线圈L1、L2用0.75mm漆包线在Φ4.5mm钻头上顺时针绕制4圈脱胎,L3、L4用同样办法逆时针4圈绕制。③调试时,先将双连电容全部旋出(容量最小),调整本振微调电容收到高端108MHz信号,再调整高放微调电容使之信号变得清晰。再将双连全部旋进(容量最大),调整本振线圈L4的电感,收到低端88MHz信号,而后拨动L3使信号清晰,如不满意,可反复调几遍。调试完毕,线圈L3、L4内应插入海绵用高频腊固封。其余部分只要安装无误无须调试。该接收机相配置无线话筒,可方便地用于会议或舞台等场所做无线扩音之用。(赵建文)