家用录像机是一种机/电一体化的电子设备,它的电路结构复杂、机械动作多、而且对动作时间的要求很高。如此复杂的控制用人工操作是难以完成的,所以录像机普遍设置了系统控制微处理器(CPU)来协调这些动作,下面所述的工作状态开关(工作方式开关)就是系统控制电路中一个重要组成部分。
首先让我们看一下录像机工作时的情况:当操作板微处理器接到操作者发出的指令后,立即将其译码后用串行数据传输给CPU,CPU随之输出相应的控制命令,其中的加载电机驱动电路控制电机运转,通过凸轮、连杆和滑板等系列动作建立起各种工作状态。若此时机械方面存在故障,工作状态就不可能顺利地建立起来,常会造成机械动作不到位等现象。这时录像机如仍继续运行,就有可能使机械部件或录像带受到损害,所以在控制电路中设置了工作状态开关(以下简称状态开关)。它的作用就是检测在建立各种工作状态的过程中,机械动作是否在规定时间内准确完成,它把机械运动的信息转换成一组电信号反馈给CPU,由其决定下一步指令的输出。例如在加载过程中磁带因受阻而不能前进,状态开关输出的信号就会通过CPU发出停机命令,使加载机构退回原位,以避免拉坏磁带或损坏电机齿轮等故障。
在带盒已装入机内的情况下,CPU收到操作指令后总是首先命令磁带加载机构动作,使机心处于某种工作状态。例如松下G12录像机在接到重放指令后,加载电机正向旋转带动状态凸轮转动,驱使加载臂从带盒中将磁带拖出包绕在磁鼓上,压带轮紧贴住主导轴向前输送磁带,而收带盘又将带子收回盒内,与此同时状态开关也由齿轮、滑板等带动运行到重放位置。整个重放状态的建立不仅要求机械动作准确到位,而且必须在规定时间内完成,否则因状态开关信号输出延迟而被CPU判为故障。
在早期录像机中,加载机构多用皮带、齿轮和滑板推杆等,状态开关的运动为直线形,外观为长条矩形。近期的产品则把状态开关与状态凸轮做成一个组件,加载时二者同步,这样更能准确地反映机心的工作状态和磁带当前位置。下面介绍几种常见机型的状态开关:
一、松下NV—G12:它的状态开关为长条矩形,触点有5种位置(1)重放、正向搜索、暂停和录制;(2)反向搜索;(3)停止;(4)带盒排出;(5)快进/退。它的内部电路清见图1,各引出脚逻辑电平见表1。


二、日立VT-427:它的状态开关为圆盘形与磁带加载电机、模式凸齿轮成为一个组件,开关的动片与模式凸轮采用齿啮合方式传动。触点有7种位置:(1)带盒排出;(2)停止;(3)快进/退;(4)过渡;(5)反向搜索;(6)重放、正向搜索、录制,(7)暂停。它的外观请见图2,各引出脚逻辑电平见表2。


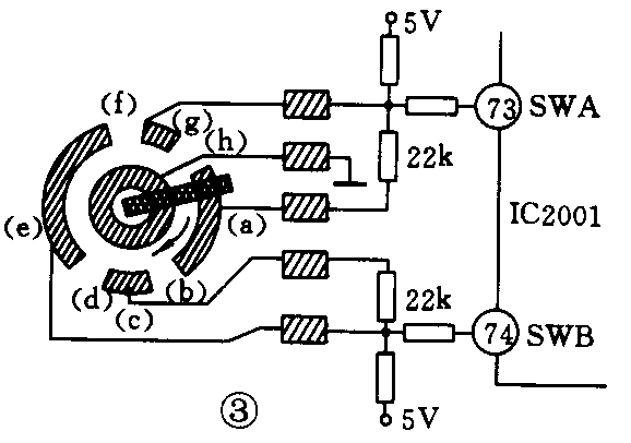
三、松下NV-L15:与前面介绍不同的是本机状态开关输出的信号除高、低电平之外还有中电平(M),它的状态开关为圆盘形且与状态凸轮同轴运动。内部电路请见图3,各脚输出的逻辑电平见表3。


四、松下J-25:因本机有两种停止方式即半加载停止方式和全加载停止方式,所以状态开关只有4个位置:(1)带盒排出;(2)停止1(在半加载状态执行快进/快退动作);(3)停止2(由半加载到全加载的过渡);(4)重放、录制、快放/倒放和暂停。本状态开关的内部电路请见图4,逻辑电平请见表4。


从以上几种机型可以看出状态开关的传动方式、内部电路、逻辑电平及外形是多种多样的,但在系统中的作用却基本一致,即对当前机心的工作状态进行实时检测,所以也有称其为工作状态检测开关。在实际检修工作中常见到因状态开关故障而造成的机械动作混乱甚至失控现象,所以当出现系统控制故障时,根据检修应由简到繁的原则,不妨先查一下状态开关的工作情况。请看以下几个检修实例:
例1 松下NV-370EN
故障现象:有时按下重放键后没有加载动作,有时则正常,但按停止键后磁带不能收回盒内,退出带盒时挂坏磁带。
分析与检修:这种现象的原因一般在系统控制部分。检查重放键完好。IC6001(CPU)的脚有输入信号,但无加载电机控制信号,似乎CPU有问题,又检查IC的(对应于状态开关的S1、S2、S3)发现停止状态的电平不对头,正常应为H、H、L,请见图5,而现在均为高电平H,说明状态开关有故障。仔细检查后发现接地端的焊接处有细微裂痕,估计接触不良,用烙铁补焊后各功能正常,再没出现挂磁带之现象。

例2 松下G10MC
故障现象。重放时正常,但不能快进、倒带和录像,按下上述键后几秒钟退载。
分析与检修:因重放时工作正常,说明伺服部分没毛病,按快进键后有加载电机动作但随即退回、主导电机不转。检查IC6001脚没有低电平(请见图6),再检查,发现不是应有的低电平,说明状态开关或从S3至IC6001之间的连接线有问题。经查连接线完好,毛病在于状态开关。将开关拆下,用刀片把盒盖轻轻撬开,里边接触点已生锈发黑,用无水酒精清洗后又滴点变压器油进行保护。对准原位装好后试机,操作功能全部恢复。

例3 NVG12
故障现象:插上电源插头后加载电机自动加载,约5秒钟后停机保护。
分析与检修:从现象看属于因程序混乱而自动保护,其大概原因有以下几项:(l)IC6001损坏;(2)IC6003内部逻辑控制电路损坏;(3)状态开关输出错误信息。对照有关资料检查了IC6003各脚在路电阻,基本正常,而IC6001在插电源时均为高电平,说明CPU输出错误导致加载电机动作。检查状态开关时发现紧固螺丝松动、开关与原先的旧痕错位,所以判断故障的原因是由于状态开关输出了错误电平,使CPU发出错误指令,加载电机动作后又收不到正确信号因而保护性停机。按原位置装好状态开关后,一切功能正常。
例4 NV-G12MC
故障现象:不能快进(F·F)和回绕(REW),其它功能正常。
分析与检修:按下键,用示波器观察有串行数据脉冲送至IC6001的脚,说明操作微处理器工作正常,但输出高电平命令加载电机逆时针转动后马上转为低电平,机心又回到停止状态。检查状态开关时发现S3始终为高电平,与逻辑电平表不符(见表1),这说明状态开关在此位置接触不良,送出的信号经CPU判为故障后回到停止状态。拆下开关,用注射器滴入专用的“清洁润滑剂”,来回拉动几次,将内部污垢磨掉,再按图7所示的位置对位紧固(注意务必在带盒排出状态下使主滑板弯起部分对准V形槽),试机功能正常。

例5 松下L15
故障现象:状态失常,插上电源后带仓自动进出,约5秒钟转入自动保护。
分析与检修:该故障在L15机上常见,多因带盒卡住后强行推入或抠出而造成,此时机心齿轮关系紊乱、状态开关圆齿盘与压带凸轮柱啮合错位,造成状态开关输出信号失常。修复时应采用手动模拟操作法(详见本刊1993年5期P22)在断电条件下进行。具体方法如下:(1)取下压带凸轮柱上的压帽、压带轮、凸轮柱及导带扇齿臂,使之与状态开关圆齿片分离。(2)用手动模拟法将机心置于带盒完全退出状态。(3)将状态开关圆齿片上有定位孔的齿对准开关外体上的V形缺口,请见图8。(4)使压带凸轮柱上自定位面顺时针数第3个齿与状态齿片正好啮合,同时让导带扇齿臂与导带臂按图示对位,并使导带扇齿臂凸缘置于凸轮柱的螺旋滑槽之内。(5)检查安装是否正常,用手向前推导带臂应无卡死现象,如没有问题就可以装上压带轮和凸柱帽。完成后最好用手动模拟法试一遍,如正常,就可以通电实际使用了。(于勇军 张志顺)
