(姜小仪)本电路采用日本东芝公司的音响专用模拟开关集成电路——TC9152P,性能优越,外围电路简单,工作电压范围大,比较适合于电子轻触式的高保真音响中作为功能转换开关用。
电路介绍

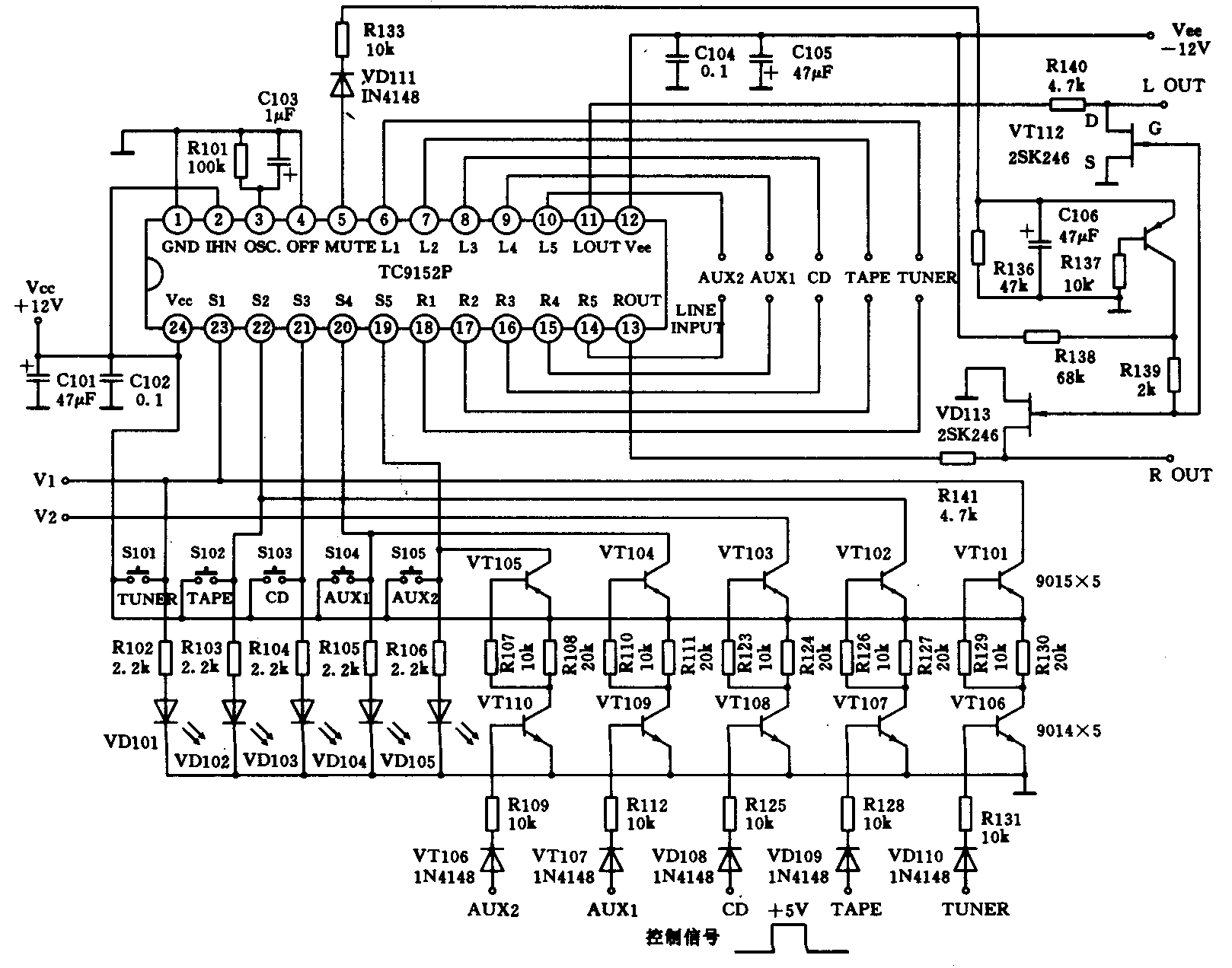
TC9152P是一个五功能的立体声线路开关,单、双电源下均可工作,工作电压范围大(75V~30V)。本电路采用±12V电源,如原理图所示:脚分别接正、负电源;⑥~⑩脚为第一至第五组开关的L声道输入端;为第一至第五组开关的R声道输入端,、分别为L、R声道输出端;分别为第一至第五组开关的控制端,这里分别对应TUNER、TAPE、CD、AUX1、AUX2,当其中某一脚被高电平V\(_{CC}\)触发时,相应的L、R声道开关接通,另外四组开关则断开,同时,该脚输出高电平,驱动LED显示工作状态,这几个脚的驱动能力较强,输出电流可达20mA;②脚为功能禁止端,接零电平时,开关控制脚起作用,通常情况下按正电源;③脚外接R101、C103决定时钟频率fOSC,本电路f\(_{OSC}\)约为15Hz;④脚接正电源时,所有开关都断开,通常该脚接本电平。利用该脚可将多块TC9152P组合在一起使用;⑤脚为静噪输出端,平时为零电平,在开关转换的过程中,该脚输出高电平VCC,VTlll~VTll3便饱和导通,使L、R输出端信号对地短路,从而消除了电子开关转换时产生的噪声,静噪时间为
Tmute=4/f\(_{OSC}\)=267ms;
S101~S105为轻触按钮,用来触发开关控制脚VT101~VTll0将遥控信号(幅度为+5V,电流≤lmA)转换为+12V的高电平触发开关控制脚。
工作过程
1.接通电源后,TC9152P自动优先接通第一组开关,即L、R声道输出为TUNER送来的信号;同时VD101亮,V1(+12V)使TUNER的电源接通,处于收音状态。
2.接一下S102,受触发,VD101灭,VD102亮,L、R声道输出为TAPE送来的信号。
3.遥控信号送至CD遥控端,使VT108、VT103饱和导通, 脚受触发,VD102灭,VD103亮,L、R声道输出为CD送来的信号。V2(+12V)使CD电源接通,CD工作。
该电路在组合音响里得到实际应用,取得较好的效果。以下是实测的性能,供参考。
最大输入信号 V\(_{INMAX}\)>7Vrms
谐波失真加噪声 THD+N≤0.03%(1kHz,1V\(_{rm}\),s)
输出噪声 Nout≤45μV(Rg=680Ω)
频率响应 ±0.1dB(20Hz~20kHz)
信号衰减 ≤1dB
串音衰减 ≥75dB