本人最近购得一台SONY CDP-297型激光唱机,其主要技术指标如下:
频率响应:2Hz~20kHz±0.5dB,谐波失真:小于0.0045%,信噪比:大于100dB,动态范围:大于98dB,通道隔离度:大于95dB。
从上述指标看,该机足以应付一般发烧友的双耳。经实际试听,低频有力度,结像力较好,唯中、高音清晰度稍差一点,根据其他发烧友的摩机经验,本人对这台297CD机进行了摩机,取得了明显效果。
打开该机机壳后,可以看到全机分为三大部分:光盘机芯、电源板、主电路板。主电路板上包含显示控制电路、D/A转换电路及模拟输出电路,紧固在面板后面。整机电路相当简洁,数字处理芯片用的是CXD2500BQ,D/A电路用的是CXD2560M、CXD2561(该片电路型号已被擦去,看不大清,也许有错),初步分析是4DAC结构。主电路板系采用SMT(表面安装)技术,结构紧凑,机内空间较大,便于摩机。
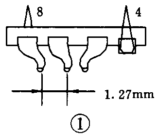
一、更换模拟双运放:原机三块模拟运放IC271、IC306、IC307用的分别是JRC的4556A、4558(耳机放大一片、模拟滤波器两片),今换上3只NE5532,更换时应将NE5532的引脚按图1作一下处理,以便焊到原运放相应的位置上。4、8脚向上折弯是便于同新加的有源伺服电源连接。

二、更换原机输出耦合电容:原机输出耦合电容C264、C265为两只100μF/6.3V电解电容,现换上两只10μF/63VNIS电容,直接焊在铜箔面。如能换上无感聚丙烯电容则最好。
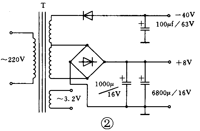
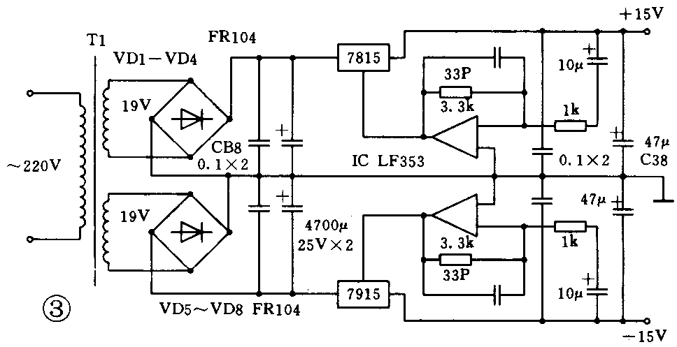
三、增加有源伺服电源:原机电源电路如图2所示,其中交流3.2V及-40V供显示屏用,+8V供整机使用。模拟电路的供电电压为+8V、-5V,均由电源变换集成电路IC291控制、变换得到,其中-5V只供三块模拟运放使用。注意将三块模拟运放改用±15V供电时,一定要给-5V输出接一假负载,使-5V电源有一定泄放电流,从而维持-5V输出正常。假负载是一只14W 1kΩ的金属膜电阻,可在铜箔面直接焊在-5V滤波电容C297的两端。如不接假负载,-5V将升至-30V,从面使IC291工作失常,导致整机处于停机状态,这一点要特别注意。新增加的有源伺服电源电路如图3所示,印制电路板(1∶1)如图4所示。制作完毕,要测试一下输出是否正常(±15V),以确保万无一失。LF353要直接焊在电路板上,不宜用IC插座,以防接触不良使输出电压失常。两只三端稳压块应配上适当的散热器。



四、连线试机:将新增加的电源变压器T1(用10W收录机变压器改绕)初级线圈同原机变压器T初级线圈并接到一起;将新加伺服电源与原机电源地用一粗铜线连到一起;将三块运放的4脚、8脚分别连到一起,并分别接到-15V、+15V电源上。
经以上摩机后,用自制准DC功放(功放管为2SA1301、2SC3280,并采用有源伺服自校零电路,500VA环型变压器供电)及自制三分频倒相式音箱(声泰YD260-1B低音、银笛YDQZ5-1球顶中音、YDQG5—4软球顶高音)试听,CD碟用的是《蓝雨衣》,主观感觉中、高音清晰度明显提高,爱好者不妨一试。(王清瑞)