卫星电视接收机室内单元是将室外单位经20~30m电缆送来的0.9~1.4GHz第一中频信号进行一系列变换,得到基带电视信号和伴音信号,一路直接供监示器;另一路经调制器提供VHF(UHF)信号给家用电视机。通常采用二次变频方式,其原理框图如图1所示。前置放大器、第二变频器、频道调谐器等组成调谐器,其电路框图如图2所示。在这里进行卫星电视机的选台,即从0.9~1.4GHz的频带中选出任意一个电视频道节目。下面对各电路进行一些介绍,并说明卫星电视如何选台。


1.第一带通滤波器
电路形式有宽带和窄带两种。宽带式常用微带线和分立元件混合电路,它可使0.9~1.4GHz的第一中频信号无选择地通过而抑制该频带以外的信号。窄带式则采用微带线与变容二极管组成并联谐振回路,改变变容管两端的电压(与第二本振的变容管同步改变),使该回路的谐振频率改变而调谐于所选频道的第一中频上。
2.第二变频器
第二变频器的组成和作用与普通电视机中高频头类同,由前置中放、第二本振与第二混频器组成,用来从0.9~1.4GHz的500MHz带宽所包含的24个频道中,选择出所需收看的任一频道的电视信号,并变换成第二中频信号输出。第二中频频率有多种选择,我国使用140MHz,目前市售进口机中多采用510MHz。第二中频带宽通常为27MHz或20MHz。
前置中放放大0.9~1.4GHz的电视信号,增益约30dB。电路类型有:晶体管放大器或MOS双栅场效应管放大器。第二本振的频率应该可调,以实现频道调谐,采用由变容二极管组成的压控振荡器(VCO)。电路型式有:集中参数振荡电路或微带线与集中参数元件混合的振荡电路。混频器将电视信号与本振信号混频后得出第二中频信号,电路类型有:晶体管混频器或微带与二极管组成的平衡式混频器。上述三部分电路中,前一种类型均与普通电视机UHP高频头的电路相似,后一种类型已在本刊今年第三期的高频头电路中作过介绍,这里不再赘述。
3.频道调谐器
卫星电视机的选台,即频道调谐都采用电调谐方式,它用来产生24种直流电压给第二变频器中的VCO,控制振荡频率改变,实现频道的选择调谐。为使用方便通常设有8~12个预选开关,以预置好8~12个频道节目。频道调谐方式大致可分成以下两种:
模拟调谐方式:即用电位器直接改变加在变容二极管两端的电压。例如东芝DSB-600A型机即采用这种方式,它设置了12个奇、偶频道转换开关,配以12个可调直流电压的电位器,得到频道调谐电压经电路与AFC电压相加后送到VCO去,以实现24个频道的预置调谐。由于它难以实现遥控,目前已较少采用。

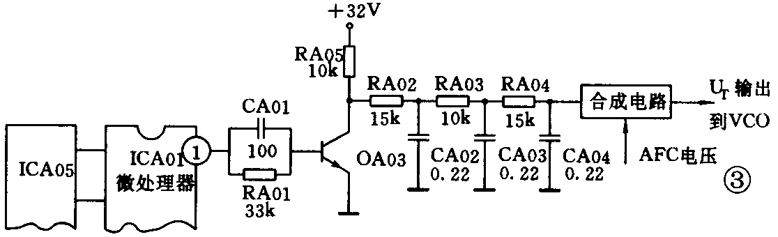
数字调谐方式:广泛采用的是用微处理器(CPU)预置调谐,图3给出了东芝TSR-C2型机的CPU频道调谐电压产生电路原理图,当改变频道时,由CPU(ICA01)从存储器ICA05中读出相应频道的数据,从①脚输出一组由读出数据控制的脉宽调制信号(PWM),积分滤波后经合成电路与AFC电压相加产生U\(_{T}\)送至VCO,实现频道调谐。图4为东芝TSR-C3型机的由CPU控制PLL调谐电压产生的电路原理图,该方式中位于第二变频器中的VCO实际上为一频率合成器,它产生的振荡信号经程序分频器(B58lC)分频后送至鉴相器(TD6350P),与4MHz晶振信号比较相位。B581C的分频比由预置在CPU中的程序数据控制。鉴相器输出的误差电压经低通滤波及放大后去控制VCO。可见,对各频道的调谐是通过改变分频比实现的。这种调谐方式可使VCO的频率稳定度较高,有的电路中省去了AFC电路。数字调谐方式均能实现遥控选台。(毛志伋 高厚琴)
