超外差收音机具有灵敏度高、工作稳定、选择性好等优点,因此大部分收音机都采用这种形式的电路。
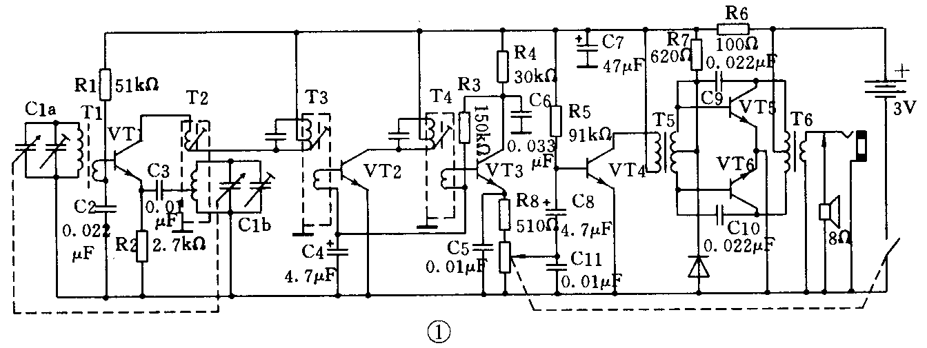
如何装好图1所示的六管超外差收音机,元器件的选择、装配及各部分的调试很关键。下面就有关问题结合原理图加以说明。

元器件的选择
收音机所用可变电容器的种类很多,这里使用的是差容双连,振荡连为68pF,天线连为140pF的中型双连。在双连电容器上标有“A”的一端为天线连,标有“O”的一端为振荡连,中间是标有“G”的接地端。磁性天线的磁棒尺寸为55×12.5×4.5mm,线圈的绕法及圈数,见图2。线圈全部用Φ0.13的高强度漆包线绕制。中波振荡线圈的型号为LF10—1;中频变压器的型号是:TF10—l和TF10—2。这两只中频变压器中均带有谐振电容器。振荡线圈的磁帽为黑色,第一中频变压器的磁帽为白色,第二中频变压器的磁帽为绿色。三极管全部为NPN型硅材料塑封管,其中VT1、VT2、VT3均可选用3DG201;VT4可选用3DG201或9014,它们的β值应该在150~200之间;VT5和VT6可用3DX201或9014,它们的β值不要小于100。二极管为IN4148。电阻全部为1/8W碳膜电阻。电容C4、C7、C8是电解电容器;C3是涤纶电容器,其余均为瓷介电容器。

装配与调试
由于收音机的元器件较多,为了使调试顺利,在焊接前应该用万用表将所有元器件检查一遍,并做好引线的处理工作。注意磁性天线线圈的线较细,刮去漆皮时不要弄断导线。在安装时各种有极性的元器件不要插错。振荡线圈和中频变压器要找准位置,注意色标。音频输入输出变压器要辨认清楚,输出变压器的次级电阻不到1Ω,与输入变压器初次级的电阻相差很大。电阻全部为立式安装,所有电容器和三极管等的安装高度以中频变压器为准,不能过高。振荡线圈的外壳与中频变压器的外壳也要焊在电路板上,同时注意第一中频变压器外壳的两个脚都必须焊好,因为它还有导电作用。
图3是袖珍六管超外差收音机的电路板安装图。注意磁性天线线圈的连接位置。扬声器、耳机插座及电池均用导线与电路板连接。焊接时一定要仔细,焊好后应对照图1与图3检查一遍,确实无误即可通电调试。为了调试方便,电阻R1、R5、R7先不要焊接。

第一步进行静态工作点的调整,在通电调试时,先在电池与收音机中间串接一个电流表,同时将可变电容全部旋入或者全部旋出,保证在测量时收音机没有信号输入。在不焊接电阻R1、R5、R7的情况下通电后总电流在0.5~0.8mA左右,这是三极管VT2、VT3的工作电流之和。如果电流过大说明电路中有短路,或者三极管VT4~VT6中某只管子的管脚焊错,应仔细检查。电流正常后再焊上电阻R1,这时总电流增加0.4~ 0.6mA,这是变频级的工作电流。如果偏差较大可更换电阻R1。变频级的工作点调整好后焊上电阻R5,这时总电流中又增加了2~3mA,这是推动级的工作电流。它的大小由电阻R5控制,R5越大,推动级工作电流越小;R5越小推动级工作电流越大。最后调整电阻R7,接上合适的电阻,使总电流在7~10mA之间即可。一定要注意这时不应收到电台信号,否则测到的是动态电流,它与静态工作电流相差很大。
第二步检查混频级电路是否起振。用万用表的电压档测量电阻R2的两端,应有1V左右的电压;这时用镊子短路可变电容器的振荡连两端,电阻R2两端的电压应有一点(约0.1V)下降。这时因为电路振荡后电流有所增加,当短路振荡连后,破坏了振荡条件,电路不起振,电流有所下降,故发射极电压也稍有降低。如果电压没有变化,应检查变频级的所有元件。
第三步进行中频的调整。在一般情况下业余无线电爱好者不具备专用仪器,但是我们凭着自己的眼睛和耳朵也完全可以调整一般的收音机。打开收音机寻找一个电台,一边听声音大小,一边调中频变压器电感的磁芯,当收不到台时可在可变电容器的天线连上接一根一米左右的导线作天线。先调最后一只中频变压器,再调前边的一只,直到声音最大为止。由于有自动增益电路的控制,以及当声音很响时,人耳对音响的变化不易分辨的缘故,收听本地电台当声音已经调到很响时,往往不易调得更精确,这时可改收外地电台或者转动磁性天线方向以减小输入信号。按上述方法反复细调两三次就可以了。
第四步调频率范围。在调整中要配好刻度盘。先在550~700千赫范围内选一个电台,倒如选中央人民广播电台639千赫,参考刻度盘将双连旋在刻度为639千赫的这个位置,调中波振荡线圈(黑色)的磁芯,收到这个电台,并调到声音较大。然后在1400~1600千赫范围内选一个已知频率的电台,参考刻度盘将双连旋在这个频率的刻度上,调节振荡回路中微调电容(即双连上的微调电容)收到这个电台并将声音调大。由于高、低端的频率在调整中会互相影响,所以低端调电感磁芯、高端调电容的工作要反复调几次才能最后调准。
第五步统调。利用调整频率范围时收听到的低端电台,调整磁性天线线圈在磁棒上的位置,使声音最响,达到低端统调。利用调整频率范围时收听到的高端电台,调节输入回路中的微调电容(双连上天线连的微调电容),使声音最响,以达到高端统调。也和调整频率范围一样,需要高、低端反复调整几次。
只要认真仔细,焊接无错误,这个电路很容易做成功。各级偏置电阻也没有多大变化。频率调整也较容易,但是当中频变压器没有调整时,收音机可能收不到台,或产生啸叫,这时只要稍稍调整一下中频变压器磁芯,问题就会解决。对没有做过超外差式收音机的人来说,动手做一做这个电路是有益的。(周海)