(谢世健)随着市场经济的发达,不夜城的兴起,广告业的发展,需要提供一种专门应用于灯光控制和装饰的专用集成电路。为此,我们开发了目前国内市场上较新型的,功能较多的新一代多功能程控闪光专用集成电路—SE9201。
SE9201具有花样新颖美观,功能多,低电压,低功耗和小型化等特点。可广泛应用于胸花,电子玩具,电子商品柜,橱窗等装饰,又可应用于收录机,台钟,挂钟等,并可通过可控硅控制广泛用于舞台,商标广告,门面灯光装璜,节日彩灯,满天星等灯光控制。
SE9201是采用18条腿双列直插式塑料封装,如图1所示,也可根据需要采用软封装。

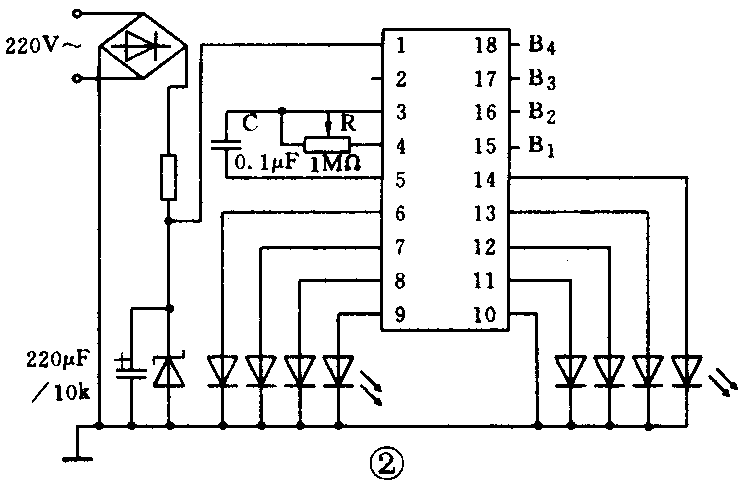
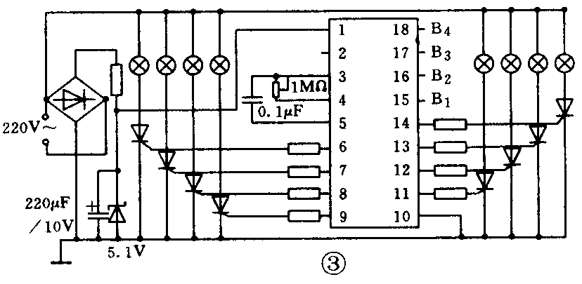
该电路为双极和CMOS兼容工艺的大规模集成电路,外接元件很少,只要外接电容C和电阻R,由R和C值决定振荡的时钟频率。通常如C值选用0.1μF,R采用1兆欧的可调电阻器,通过改变R值就可改变闪光快慢,从而固定R值达到理想的闪光速度,而外接4个花样选择端,通过编码可以选择不同的花样功能。输出端有八路,具有对称性,又可缩为四路。同时通过输出端的不同连接可组成各种图案花样,既扩大花样,又可方便地组成各种美观的图案。能直接驱动发光二极管,并可通过可控硅实现灯光控制。
电路花样设计力求美观新颖,具有梦幻的效果。设置有(1)四点追逐;(2)弹性张缩;(3)跳马右旋;(4)跳马左旋;(5)依次亮同时灭;(6)同时依次灭;(7)左右扩张;(8)全亮间隔闪光等八种基本花样形式。用户可根据需要,通过B1,B2,B3,B4四个花样选择控制端的编程(见表1),实现八种花样的单循环,双循环,八种花样自动变换的全循环和双全循环等四种循环功能的选择和控制。可提供二十七种花样功能供用户选择。自动转换全循环时,每种花样闪光的次数,除全亮间隔闪光四次外,其它花样都是八次。而双循环和双全循环的每种花样的闪光次数都为自动转换次数的一半。

电路的电源电压范围为3~8V,通常选用5V。作为简单的具体应用举例,图2给出了直接驱动发光二极管的电路,而图3是用于灯光控制的电路图。读者还可根据自己的需要,增加外加电路实现声控和音乐同步控制功能。

