(张武桥堆是一种用四只整流二极管按桥式整流方式制成一体的全波整流器。市售的桥堆质量不佳,例如出现引脚与壳短接,二极管接反等,使用前需用图示仪检测。由于所采用的晶体管特性图示仪(QT2)没有供测试桥堆用的测试台,因此我做了一个简易测试台。它可以测试引脚对壳的耐压和每只二极管正、反向特性等。
电路原理及使用方法
测试台电路如图1,它由桥堆插座CZ,微动开关SB1和SB2,双联双向开关S2和四联双向开关S1等构成。它的二根引线“+”和“-”分别接图示仪面板上插孔C(+)和E(-),测试选择置“NPN”。

测试(1)、(2)管时,必须在引脚1引入“-”极,而引脚2和3分别引“+”极,它由SB2或SB1来控制;同理,测试(3)、(4)管时,引脚4须为“+”电,引脚2、3须为“-”电,也由SB1或SB2来控制。而引脚2、3是“+”或“-”,由开关S2状态来决定。
测试时,先把图示仪通电预热几分钟,把待测桥堆插入插座孔中。要注意桥堆上“+”标记必须与插座外的“+”标记一致。测试方法如下所述。
1.桥堆四引脚对壳耐压测试:先把图示仪集电极灵敏度IC调小(例如IC~20μA),把S1向前扳(如虚线所示),同时按下SB1和SB2,则四引脚呈短路状态,且通入“+”电,而外壳已通入“-”电。选择合适的UC范围,调UC峰值钮,给桥堆逐渐加压,当图示仪横轴(电压线)开始上翘时(此时已开始有漏电流)停止加压。该电压即为耐压。
2.每只二极管正向特性测试:X轴电压灵敏度置于500mV/级或1V/级,Y轴电流灵敏度置于μA/级。
(1)把S1向后扳(S1中实线所示),是测试二极管正向特性(或反向耐压)。
(2)把S2向后扳,则引脚1通入“-”电。
a.当按下SB1时,引脚3通入“+”电,可测二极管(2)特性,松手后SB1不通,切除“+”电。
b.当按下SB2时,引脚2通入“+”电,可测二极管(1)特性,松手后SB2不通,切除“+”电。
(3)把S2向前扳(S2中虚线所示),引脚4通入“+”电。
a.当按下SB1时,引脚3通入“-”电,可测二极管(3)特性,松手后SB1不通,切除“-”电。
b.当按下SB2时,引脚2通人“-”电,可测二极管(4)特性,松手后SB2不通,切除“-”电
3.每只二极管反向击穿电压的测试:首先把外引线C、E对调(即C(-)、E(+))。此时加在二极管二端的为反向电压。按测正向特性方法进行。选择合适的UC范围,慢慢调节UC峰值钮,直到横轴线上翘时为止(有反向击穿电流),该电流值对应的电压为反向击穿电压。
元件的选择和制作
1.微动开关SB1和SB3、双联双向开关S2、四联双向开关S1可采用市售产品。
2.桥堆插座CZ(自制)
(1)四个引脚可用有弹性的薄铜皮剪成30×8(mm\(^{2}\)),再弯成图2形状。弯时,可用筷子,把圆头削去小部分后作模,把铜皮绕在模上,用钳子夹住外端,使铜皮沿模挤压成形,再把口子修整成倒“八”字,整个引脚高度不大于10mm,“八”字边不大于2mm,多余长度剪除。

(2)接地引脚的制作。把上述铜皮剪成30×8(mm\(^{2}\)),在离一端5mm处中央打一孔Φ3,作安装用;离另一端5mm中央,用圆头螺钉头冲成半球形凹坑,其凸出部分作导电触点,再在10mm处弯成90°形状。须使已冲好的半球形凸部朝外,见图3所示。

(3)插座底板的制作:找一块具有单层铜皮的胶木板,锯成46×46(mm\(^{2}\)),按图4尺寸把边缘往内10mm铜皮剥去,中央剩下部分再刻成4等分(刻线宽1mm可以),作焊接四只引脚用,打好3个孔Φ3。

(4)插座焊接:把已制好的4只引脚各套在桥堆各引脚的正中央,放在已制好的电路板中央,使每引脚各居4等分之一的中央,用手按住,用电烙铁焊牢后,把桥堆取下,并把接地引脚用M3螺钉固定在旁边孔中,见图5。

3.机架的制作及整机安装
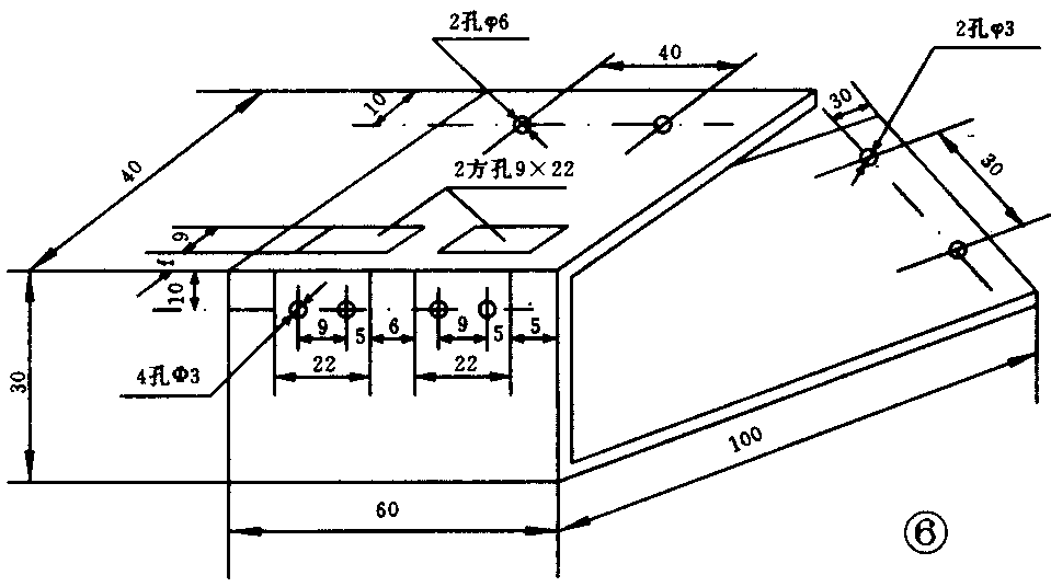
机架可用铝板或其它材料,尺寸和形状可自行设计。我设计的机架如图6所示。用60×170(mm\(^{2}\))铝板弯成茶几形状。上面安装操纵件;下部安装被测件。先弯好形状后再打各孔,以免使孔变形。

图6中2孔Φ6是安装S1和S2用;4孔Φ是安装SB1和SB2用;2方孔22×9(mm\(^{2}\))是为使SB1和SB2键伸出而设,以便操作;图中X是考虑板厚度而设的尺寸;下部2孔Φ3是用来安装桥堆插座用的。
若需要,可把上部尺寸(40mm)加长,以便留个地方,把附表内容画在该处,以供操作时参考。
