(戴树鸿)本文介绍的钟控电路可用在普通收音机上,也可用在收录机上,使其具有月、日、时、分、秒显示。可在24小时内任意设定开机时间和睡眠时1小时内延时关机,以及轻触按钮开关机等功能。利用扩展插口还可对其它家用电器实行定时、延时等钟控控制,扩大了使用范围,具有较高的使用价格及工作可靠性。
工作原理
本钟控电路中的定时器件采用专门为钟控收音机而生产的一种型号为903B电子钟控器,它是以一片大规模CMOS集成电路KS5195芯片为基础,外加32768kHz晶体振荡器作时基信号,另加微调电容等组成,见图1所示。采用1.5V低压电源,通过钟控器上的S1,S2调校,可获得精确的走时时间、定时时间及月、日显示等。由于采用LCD液晶显示,所以功耗极低。图2为其外形图,上面的AL为定闹输出端。作整点定闹时,每到整点AL端便输出时间为1秒的鸣叫声;作定闹时,可在24小时内预置一次定闹时间。届时,在AL端会输出时间为30秒的短促“的、的……”定闹声。


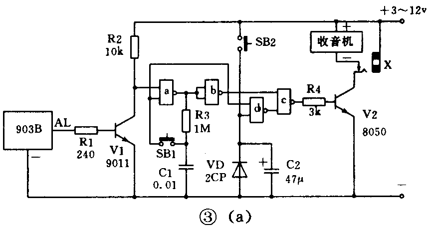
本线路是采用903B的24小时定闹功能作钟控,但必须外加电子开关电路对负载实行钟控定时。这里向大家介绍一个比较实用的线路,见图3(a)。它具有电路简洁、工作可靠且多功能等优点。

这里先讲一下手动开关收音机情况:图中与非门a、b采用首尾相连,接成双稳态形式,每按一下SB1便能改变其输出状态并自锁。当按一下SB1使与非门b输出低电平时,经与非门C反相使晶体管V2导通,收音机便开始工作。而当与非门b输出高电平时,因与非门d的输出总为高电平,所以与非门C便输出低电平,晶体管V2截止使收音机停止工作。由于R3、C1所取的时间常数较大,故能有效地防止接动SB1时手的抖动现象,使与非门b的输出电平每次都能可靠地翻转。
作钟控定时时,当定时时间到来时,903B的AL端便输出一串定闹信号的1.5V高电平。经晶体管V1放大,使与非门a的一个输入端为低电平,输出为高电平。与非门b便输出低电平,经与非门C反相,使V1导通收音机开始工作。与非门b输出的低电平还使与非门a的另一个输入端为低电平,所以,当定闹信号过去后仍能保持目前状态,达到了自锁目的。需要关机时,只要按一下SB1即可。
本线路中的延时关机电路与众不同,它采用二极管放电形式。当一通电的初始状态时,因C2、VD的作用,使与非门d的输出必定为高电平,所以对电路的其它功能无妨碍。在关机状态时,如按一下SB2,C2立即充电为高电平,与非门d输出便转为低电平,经反相后使V2导通,收音机工作。松开SB2后,C2便对VD放电。直到放电至低电平,使与非门d转为输出高电平,与非门c的输出又转为低电平。V2截止,收音机停止工作。因二极管VD的反向电阻较大,所以用较小容量的电容就能达到长延时目的。按图中数值,延时可达1小时之久。
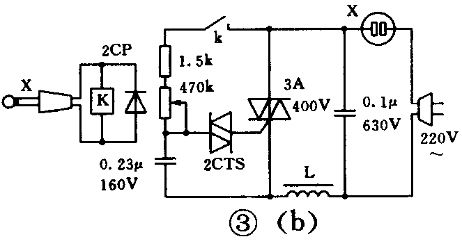
扩展使用:为了能充分利用钟控功能,在V2的集电极处还接有一个插座。当外接插头插入插座时,收音机断开,本线路便能对外面线路实现钟控,见图3(b),可对家用电器实行调压输出控制。因外接插头部分与控制负载隔离,所以,使用时插头处很安全。

元件选择与安装
图中与非门型号为CD4011,如采用施密特触发器电路CD4093效果会更好。两只按键SB1、SB2可采用市售成品,外接插头处的继电器可按收音机的工作电压选取。插头插座用ΦO.25或3.5mm的均可,图4为印版图。安装时,903B最好装在收音机面板处,印板可安装在收音机空余部位。有关903B的使用情况在产品中有使用说明,这里不多叙述。

原收音机中的电位器开关没有画出,改装时只需把电位器开关接到电源正极处。平时开关收音机只需按SB1即可,只有长久不用才需关断电位器开关,因为该附加电路静态时耗电极微。
图3(a)、(b)线路同样也适应于其它钟控器件以及具有定闹功能的电子表、多功能体育挂表作定时钟控时使用。