本教学仪集电子、电磁、力学和机械运动为一体,是一种综合性强、知识性广的启迪型教学仪器。
我们知道,在学生学习物理、电磁及力学理论课时,有些知识、定律的讲授是要通过教学仪来完成的。本仪器通过电子线路,较为直观的体现并完成电磁的产生和磁力之间的相互作用,从而达到观察某种运动方式和运动规律的演示。
本仪器大体上由旋体、支盘、推动器等组成。
旋体,由具有磁性N、S极的磁性材料组成。其材料可以是天然磁石或人造永久磁铁。其结构参见图1。

支盘,是提供旋体旋动或自由位移支承平面或曲面物体。可用有色玻璃,陶瓷,有机耐磨硬性材料组成,其结构见图2。

推动器,是旋体旋动时的动力器件,它是一个相对于旋体高速变化的磁场,它由电工软铁或硅钢片叠合成型及线圈等组成,结构见图3。

工作原理
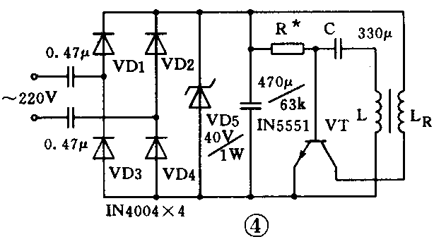
旋体在外力作用下,就如陀螺做圆周运动,当其固有磁场(即磁性材料)通过推动器的电感线圈L时,L的磁通量瞬时发生变化,并产生感应电动势。经电容C耦合至三极管VT,如图4所示。三极管在电阻R的正偏下,以至感应的电动势足以使三极管工作于放大状态,三极管导通并放大,晶体管集电极电流通过LR线圈,从而使电感线圈LR产生新的磁场,新的磁场随着旋体的位置不同时刻变化着,它的变化将阻碍原磁场变化。当旋体远离时,它朝着增强原磁场的趋势进行;当旋体接近时,它将朝着削弱原磁场趋势进行,当这种增强趋势与削弱趋势达到平衡时(即动态平衡),将产生特有的运动方式,一是使旋体自身做加速自旋运动;二是使旋体沿有一定的半径做连续不断的运动。如图5、图6所示。



制做与调试
在制造中,最难制造的是旋体。有条件的可用铸磁钢铸造毛坯成型,然后精磨和充磁来达到高精度的制造要求。无条件的可用为旧汽车里程表中的磁环改制,本文就是利用旧汽车里程表中的环型磁铁制做的。支盘可以用玻璃或陶瓷成型,由于旋体与推动器之间的作用力的存在,旋体受力作用会被推出支盘以外,为了约束旋体在一定范围内运动,可在支盘上加装约束环,如图2所示。
在调试时,接通电源,手置旋体逐渐靠近推动器,如果线路正常,手上的旋体应有振动感,此时给旋体施加外力使其在支盘上启动,然后看是否加速,如果速度通过一段时间慢下来而不“死”可调整偏置电阻R及C的大小,如果死掉,对调L、LR任何一组线圈的两个端子,同时配合调整旋体与推动器之间的距离以致改变L\(_{R}\)中的电流大小,或通或断等,便可观察到不同规律的旋体运动。由于旋体是两个自由度的运动体,其自转速度越高、施给旋体外力越小,旋体的进动就越小。此仪器转速可达3000~7000转/分,如图6所示。
元器件的选择
电路中高压降压电容用GJ系列电容,稳压管耐压40V,功率1W,电容C根据试验大一些对旋体提高速度有一定的效果。L、L\(_{R}\)线圈用Φ0.07漆包线同向绕制在骨架上,L线圈圈数约6000匝;LR圈数约为4000匝,或多抽些抽头在调试中换用。
用途与应用
此教学仪主要用做普通物理学磁场理论学习演示,如线圈之间的互感;磁场的产生与互相作用以及物质的磁化和磁介质在磁化后在磁场中的受力运动等。(黄大星 黄二星)