一、最简单的录音电话
盒式磁带录音机进入家庭有十几年了,早期的“砖头”录音机很多人已经用新一代的随身听所替代,但弃之可惜,如果配上一片语音电路,一片CMOS双D触发器及一些元件,就可以制成一个最简单的录音电话。电路由振铃检测,应答单稳触发器,录音单稳触发器,语言处理芯片,耦合变压器,控制继电器及录音机组成电路如图1所示。工作原理是:C1、GO1、R1、C2、R2、R3及门电路YF1,YF2组成振铃检测部分,当有电话振铃时,铃流信号通过C1和光电耦合器的发光二极管部分,使GO1的光敏管导通,电源5V在R1、C1上形成高电位,当电位达到由YF1,YF2门电路组成的施密特触发器的反转电平时,触发器输出高电平并通过C3、R4向应答单稳压电路送置位脉冲,1Q输出高电平,1Q-输出低电平并触发语言电路放音,应答内容通过T1耦合变压器送到电话线上。如果S1置在答录,打电话的人听到“我现在不在,您有事请听到嘟的声响后留言20秒”。如果S1置在只答不录,只向打电话人说“我现在不在请过一会再拨”。当然这些内容是事先录好的。1Q高电位通过R5向C4充电,当达到触发器阈值电平时,触发器复位,1Q-变为高电平,并通过C5、R6触发录音单稳电路,2Q-输出低电平,YF3继续输出高电平,K1吸合保持电话线环路,2Q高电平使VT2导通K2吸合,录音机接通电源,开始录音,注意留言应事先按下录音机的录音键。2Q高电平通过R7向C6充电,当达到阈值电平时,录音单稳复位,2Q为“0”,2Q-为“1”,VT2截止,K2释放并切断电话线环路。如果S1在2的位置时,录音单稳不翻转,因此电路状态为只答不录,向打电话人送我现在不在,请过一会再打的提示后就释放K1,不作留言。

元件选择和调整:光电耦合器用达林顿型光耦,相关型号有TL113,耦合变压器用晶体管收音机的输出变压器铁芯绕制,语言电路用MSS1061,K1、K2可用JRF—13高灵敏继电器,其它元件如图1所示。振铃期间YF2输出端应在响铃时输出“1”,在拨号期间应为“0”,不应随拨号脉冲输出跳动,应答单稳的复位时间可调整R5,使时间为应答正好说完后复位,录音单稳复位时间根据需要留言的时间调整,一般为“20秒”。RP1为调整录音电平之用,一般根据录音机的灵敏度和电话线路的衰耗调整,如果录音机有录音电平指示可调整至70%幅度指示,如没有则根据录音后的结果而定。本电路采用5V供电,如果想用电池供电可和录音机共用一组6V电池,适合无交流电源的地区使用,但K2的电源控制应改至录音机电池的供电线上。
二、服务设施的自动问候电路

图2电路就是一个自动迎送岗的电路,迎送岗的主要问题是正确判断客人的进出方向,如果客人进门电路应说:“欢迎光临,请到存包处存包”;如果客人离开,电路应说:“谢谢光临,欢迎下次再来”。电路采用了光电技术来判断客人的运动方向,VD7、VD8是经20kHz调制的红外线发光二极管,分别放在客人进出通道的入口处,与之对面的是光敏三级管,IC2四运放组成电压放大器和比较电路,如果通道中没有人通过,两支发光管分别照射至光敏管上,经放大器放大输出、倍压整流后,在A,A’点上产生一个高电位,并分别加在两个电压比较器的负输入端上,比较器B,B’输出低电位,当有客人进入通道时(以入口为例)身体挡住发光管VD7,VT3收不到光信号A点电位立即下降,B点电位立即跳至“1” ,经C9,R16微分后C点输出一个正脉冲并置1Q为高电平,同时触发语言电路第一段致词,“欢迎光临,请到存包处存包”,如果客人从出口进入通道,C’点将2Q置为“1”并触发语音电路第二段“谢谢光临,欢迎再来”,说到这里细心的读者会发现一个问题,如果客人从进口走向出口,或由出口走向进口或从两个口同一时刻进入,客人在同一时刻挡住VD7、VD8是否会乱说呢,如果把电压比较器的输出端也就是C,C’直接接到语言电路的触发端,那真的会不分进出而乱说一气,因此,为判断客人的运动方向,电路特别加入了互锁单稳触发器电路,互锁单稳触发器的复位时间由R18,C11,R9,C12决定,一般复位时间要大于致词时间和客人从进口走过出口的时间。元件选择:VD7、VD8是红外发光二极管,VT3、VT4是光敏三极管,IC4为MSS1061,放音的内容应事先根据需要录制,其它元件按图2要求。电路调整:C1、R1决定VD7、VD8的工作频率,一般15~20kHz为宜,RP1、RP2分别调整比较器的参考电位,供调整起控灵敏度,VT3、VT4应分别对准VD7、VD8,水平距离要大于80cm,IC5是音频功率放大器,如果环境噪音大时,可适当提高电压,以提高功率。本电路适合自选商场,快餐店,饭店大门,机场安全检查通道,海关通道等,如果通道进出完全是单向的,电路可简化一半,只要有图2的上半部即可,IC3互锁单稳电路也可省去,致词的内容可以根据您的需要相应变更。
三、红外检测控制的语言电路
前面语言电路的控制方式采用光电控制,有些场所光电式的检测方式不太适用,而人体被动红外检测方式可以满足这些场合的需求,参见图2b。传感器部分读者可以自装,也可以买成品改装,但需要注意成品的逻辑电平,工作电压为5V。红外检测控制电路的调整主要是传感器部分,调整时根据现场环境调整探头的高低、角度,如果作为警戒,应视警戒面积和距离,选择不同的菲涅耳透镜来解决,语言部分的调整比较简单,只要电路无误,基本不需调整,如果需要加大音频功率,可以加一级LM386功率放大器。
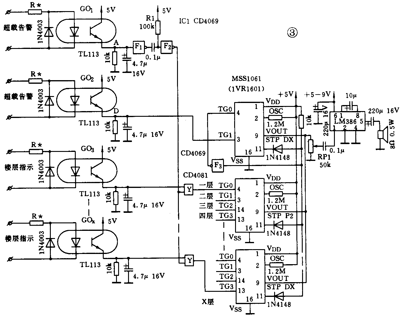
四、电梯开门报层和超载报警

电路工作原理:电路如图3所示,由开门信号、楼层指示信号、超载信号采集、语言处理电路和控制电路等组成。所有的信号来集全部用光电耦合器隔离,电路简单可靠,语言处理电路采用MSS1061,每4层楼用一片电路,分别录好汉语/英语的层号1—4、5—8、9—12等,“请注意上下电梯”,“电梯超员请您乘下一趟,谢谢”。用一片电路录制,由于电路简单,调试也很容易。R*是根据电梯的控制电压选择,可按公式简单计算R=UK-2/10。例如:控制电压为24V的电梯R*为24-2/10=22(k),R*的功率24V以下的选1/4W,24V以上的选1W。由于在光耦光敏管侧的发射极上接有4.7μF电容,所以直流、交流控制电梯同样有效。七段数码显示楼层数的电梯,楼层数采集需加译码电路。开门电路中接有由F1、C1、R1、F2组成的单脉冲发生电路,每次开门时B点输出一个开门脉冲,相应楼层的光耦输出高电平,楼层信号和开门脉冲通过对应的与门,触发语言电路报出事先录好的楼层数。楼层数放音完成后,本片的STP端输出一次电位,并通过D—DX组成的与门经F3反相后变成“1”脉冲触发IC2第一段“请您注意上下电梯”的语言后,完成开门报层提示的工作;超员报警;当电梯超员时,超载灯亮,与之并联的GO导通,D为“1”,直接触发IC2第二段,播放“现在电梯超员,请最后上梯的乘客乘下一趟,谢谢”,如果超载灯不灭,语言电路就会反复播放。
电路调整:首先根据楼层数,配好语言芯片,将所有的音频信号输出并联,接入功率放大器,音量可由RP1将电路和电梯接好后,可开梯实际调整,反复开关门观察A和B点的电位,每次开门时B点应有一个脉冲输出,如果楼层有指示,开门的同时语言电路同时报出楼层,如果A点在开门时没有“1”电平,请将光耦的输入端极性互换。电路调试好后最好装入金属机箱内,以免电梯运行中产生干扰,触发电路误动作。
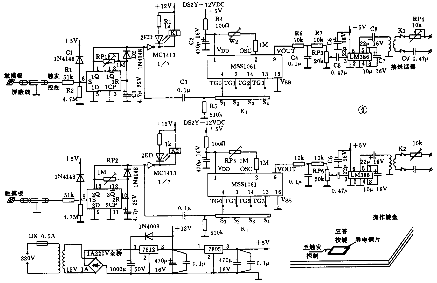
五、话务台自动应答器
电路见图4,本电路由应答触发、录音重放、电压放大及变压器耦合电路组成。应答触发电路由CD4013组成,使用S、R端组成单稳触摸触发电路,如果用手指触摸贴在应答键上的导电铜箔,人体感应的杂散信号耦合到S端,触发器翻转,Q端为高电平“1”,一路通过MC1413驱动继电器K1继电器吸合,接通话务员的送话器回路,另一路通过C3、R5组成的微分电路向语言录放电路的触发端送一个触发脉冲,录放电路触发放音,放音内容由事先录好的内容决定并可以分四段放音选择。放音信号经R6、R7、C4滤波后送至电压放大器LM386;RP3可调整增益,放大的信号经变压器耦合到送话回路中,使来话人听到录音应答的问候声。为不破坏原送话电路的平衡和阻抗,本电路采用了变压器耦合和继电器定时接通送话回路的设计,应答时只有在触发放音时电路才和送话回路接通。

电路的调整:图4为双应答电路,在检查电路无误后,接通电源,用手指触摸应答键,Q端应立即变为高电平。触发器有两点应重点调试,R2决定触摸灵敏应度。RP2为录放电路的时钟电阻,调整要求以音调速度还原为录音标准为宜。RP3为放大器的增益控制,可根据音量需要调整。RP4为阻抗匹配电阻,可根据送话器类型选择阻值。(吴海涛)