(黄福森)故障现象:接通电源开关,插入带盒自录自放广播电视节目,监视器上彩色图像正常,但伴音信号时大时小、时有时无。
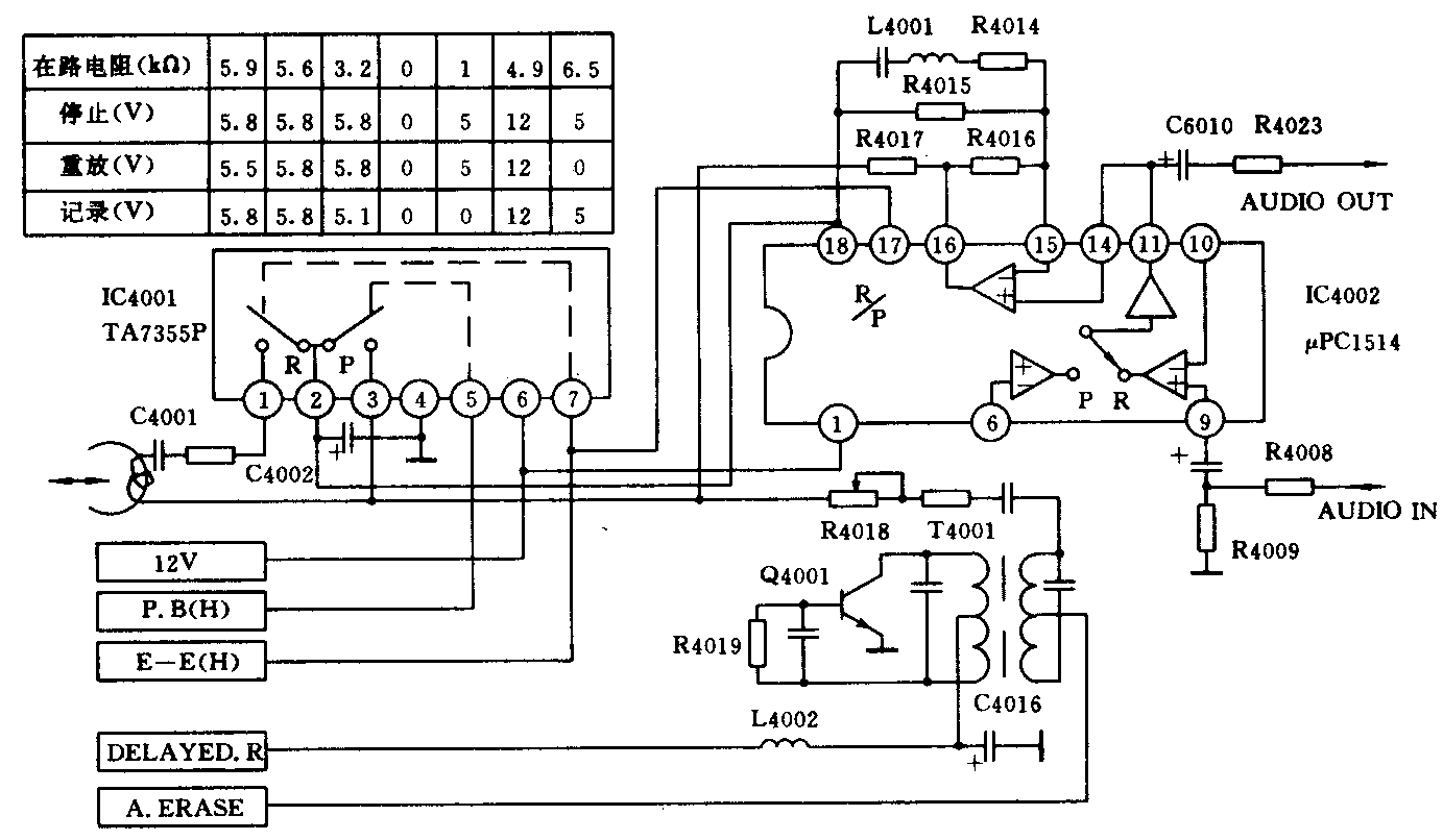
分析与检修:根据上述故障现象分析,故障可能存在音频信号处理或电视解调电路中(该机已改为PAL.D制)。为了迅速确定故障存在的部位,先取出带盒,然后插入一盒节目内容完好的录像带重放,监视器上彩色图像和伴音信号均为正常。接着从录像机后面板接入视频/音频信号,同时按下REC、PLAY键,记录几分钟后将其倒回原处重放,监视器上仍然有图无声。经上述检查结果分析表明,故障仅存在于音频记录处理电路中。该电路如附图所示。由该电路造成的上述故障现象大致有如下几种原因:1.超音频振荡电路工作失常;2.系统控制IC6001无E—E控制信号输出;3.音频记录信号丢失;4.集成电路IC4001或IC4002局部电路损坏。检查时仍在后面板输入视频/音频信号,然后按下REC、PLAY键,用示波器观察BP—1504②脚(A.HEAD.R),有偏磁振荡信号存在,再将示波器移到IC4002脚观察音频记录信号,输出也为正常,说明上述1~3点不存在问题,故障存在IC4001(音频磁头录/放通路切换)或外围电路中。用500型万用表检查IC4001各脚对地在路电阻和状态电压没有发现明显问题(见附图),检查外围元件也没有发现异常情况,估计问题存在IC4001①、②脚内部记录开关接通电路中。将IC4001①、②脚用导线直接连通,按下REC、PLAY键,记录几分钟后倒回原处重放,监视器上彩色图像和伴音信号恢复正常,说明IC4001内部记录开关接通电路已损坏,从而造成音频记录信号进入IC4001①脚后不能可靠地经②脚入地构成回路,于是出现上述故障现象。更换IC4001(TA7355)后,机器工作恢复正常。
