(李 鑫)本文介绍一款既经济又音质好的纯后级功放,它具有电路简洁、指标高、得于装配的优点,是供国内众多发烧友选择较好电路。本机线路见图1。

电压放大部分
电压放大输入信号通过R2,加到场效应管差动放器VT2、VT3,其直流工作点由恒流源VT1提供,调RP1保证差分电路直流工作点相同。
晶体管VT4、VT5和场效应管组成级联电路,其增益约18dB,VT4、VT5分别接场效应管的漏极,使场效应管的漏—源电压保持适中,且减少场效应管内部漏—栅极间电容的影响,保证输出信号具有足够带宽。C12、R13提供滞后补偿。
放大后的信号直接耦合到VT7的基极,经VT7、VT8和VT9、VT10组成的复合放大器放大。此部分增益约62dB。这两级放大器的直流工作点由Q6组成的电压补偿放大器定。VD4、VD5、VD6稳定了VT9、VT10的直流工作点。负反馈电阻R12,负反馈电容C2为VT2,VT3组成的差动放大器提供了负反馈电压。反馈信号加到了VT3的栅极。C3、C4、C5、C6为退耦电容。
零位伺服电路由高速宽带运放LF353及外围元件R22、R23、R24、R26、R27、C7、C8组成,当输出端A点有直径偏压时,经运算放大器校正后送入Q8、Q9组成的电压放大器的中点B,使之作等量的增加或减少,最终使输出无直流偏压。
电流放大部分
电流放大器由静态电流控制器VT11~VT14等和复合功放VT15~VT20组成。
晶体管VT12为电流推动放大器VT15~VT16提供直流工作点,起可调节稳压二极管的作用,其直流工作电压由恒流源VT13、VT19提供。晶体管VT11稳定静态电路控制管VT12的基极电位,保证VT12处于正常工作状态。
稳压二极管VD12—VD15保护功放管不被扬声器产生的浪涌电压击穿,网络R58、C19及R60、C20为功放高频负载。
电源部分
本电路的特性和音响效果虽然是无容置疑的,但要获得良好的音质和强大的功率输出,除提供高质的倍号源外,还要靠充足的电源(能量)供能。电源变压器应大于400W,保证瞬间峰值输出能提供的能够满足瞬态特性的要求,使放音清晰,刚劲有力。
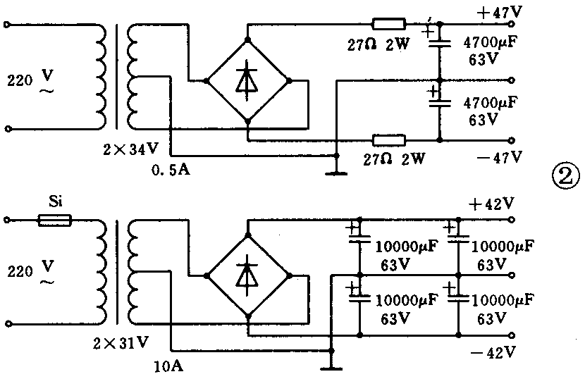
前级供电电压±47V,末级供电电压±42V,为了简便也可共用一组电源±42V(音质不如前者),中间串联限流电阻R45、R46。为避免放大器发生零点偏移,供电电压要保证对称良好,误差值应小于±0.5V。线路见图2。

正负电源分别用两只10000μF的大电容并联,总容量达40000μF。
元件选取
电压输出管及功率推动管选用2SB772、2SD794或2SA768、2SC790、功率管选用价格适中的MJ2955、2N3055,如能用快速功放管2SC2922、2SA1216更是锦上添花,当然对管均要配对,四只功放对管的电气参数均要相同;电阻(除功率电阻外)全部采用误差为1%的五环金属膜电阻;电位器W1、W2必须是精密型;散热器选用面积足够的高效专业散热器。
调试
在保证焊接无误的情况下,便可对整机的工作点进行调试,本电路调试也非常方便。
①通电前须对电源滤波电容器放电,为避免损坏扬声器,还应接有扬声器保护电路,因篇幅有限这里不便详述。
②断开电流放大器供电电压,在末级不供电的情况下调整,以保证场应管VT2、VT3漏极电位一致。
③适当调整R16、R14的阻值,使B点电位接近零。
④调W3使可调端与R31间阻值至最大,恢复末级供电电压,调RP2使A点对地电压控制在最小范围内。
⑤监视末级功放电流,调RP3使电流值适中(约0.15A),也可输入信号,调RP3至音质最佳状态。
主要技术指标:
输出功率:150W+150W(RMSRL4Ω) RL8Ω=100W+100W
频率响应:DC—150kHz
动态范围:96dB
阻尼系数:>100(RL8Ω)
负载阻抗:4Ω—8Ω
信噪比:<97dB