目前,国内市场出售的卡拉OK机和带卡拉OK电视机绝大多数均为模拟混响式卡拉OK机,用BBD器件作为延时元件。由于BBD延时级数不多,信号延迟时间有限,且失真度较大,高频频响不理想,因而,这类电路总有不能尽情之感,而数字混响(DIGITAL E-CHO)卡拉OK则与之不同,其特点是信号延迟时间极长,且保真度高,不会出现因模拟混响深度加大时而产生的高频特性下降现象。本文介绍一种外围元件少、成本低、新颖实用的数字卡拉OK混响块LS889,电路延时时间长,高频频响好,且可调整。
一、内部框图与应用电路
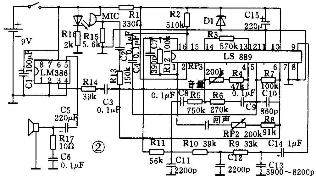
图1为LS889引脚配置图和内部框图。该IC内部包含3个放大器、数字延时器和内部振荡器等。

LS889的典型工作电压为4.5V,最大工作电流10mA。采用双列16脚直插式封装,内部振荡频率35kHz~55kHz可调,通过改变振荡器周期,可以调整内部数据延时时间,因而混响延时时间可调。
图2为该IC的基本应用电路。由MIC(话筒)输入的信号,通过C2、R13,一路经OP1、OP2二级放大,一路经一级放大后,送VIN并经延时后送入低通滤波器,滤除高次谐波,然后放大与直通信号叠加。仔细调整振荡频率(改变R3阻值),调整混响电位器RP2,音量电位器RP1的数值,使您的卡拉OK效果更加理想。

二、元件选用与制作
音频放大选用8脚双列直插式LM386,D1为4.7V稳压管,全部电解电容耐压均为16V,电阻均为1/4W碳膜,只要焊接无误,元件没有用错,本电路无需任何调试便可使用。(童勇)