卫星电视接收机是将来自卫星的微弱电信号通过天线接收下来,经过一系列的变换最终输出视频信号、伴音信号或电视射频调制信号给电视机。它由室外单元和室内单元组成,图1给出了基本组成方块图,图中还标出了各级信号电平。通常把除天线以外的室外部分称作高频头(LNB),本文主要介绍高频头的组成、基本工作原理、主要性能指标及典型电路。

一、低噪声放大器(LNA)
目前卫星电视机中是将波导同轴转换器与LNA合成一个部件,对C波段而言用以放大3.7~4.2GHz的卫星电视信号。波导同轴转换器将馈源送来的信号用电耦合或磁耦合方式拾取后送给低噪声放大器。
1.低噪声放大器的主是技术指标
(1)噪声温度
噪声温度是一种表示噪声大小的量。在理想的无噪声接收机输入端接一个与接收机输入电阻相等的电阻,当此电阻的温度为Tr(K)时,因热效应所产生的噪声功率如等效于某接收机的噪声功率,则Tr(K)即称为该接收机的等效噪声温度,或简称噪声温度,用绝对温度表示。用噪声温度度量噪声大小,一般是在噪声量级很小(如天线、低噪声放大器等)的情况下使用。温度Tr(K)值越小说明其性能越好。目前市售卫星电视接收机中噪声温度在C波段为25°K~60°K。
(2)功率增益,指LNA的输出功率与输入功率之比,要求为40~50dB。
(3)增益平坦度,指在500MHz频带内,最大增益与最小增益之差。要求小于±0.5dB。
(4)输入和输出电压驻波比应小于1.5。
(5)电源电压为15~18V,电流为120mA。
2.LNA的典型电路
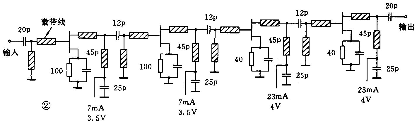
卫星电视机中LNA通常包含3~4级放大,前两级一般使用高电子迁移率晶体器件HEMT,它可大大改善低噪声性能。后两级使用砷化镓场效应管GaAsFET以满足高增益要求。前两级与后两级之间应隔离开。原理电路如图2所示。

二、第一变频器和带通滤波器
第一变频器由第一本振,第一混频及带通滤波器组成,它的任务是把从LNA输出的3.7~4.2GHz信号变成0.9~1.4GHz的第一中频信号。要求变频前后的500MHz带宽保持不变,且带内增益平坦。
1.第一本振
第一本振用以产生低本振(2.8GHz)或高本振(5.1GHz)的等幅正弦振荡信号,送入第一混频器。由于第一本振工作于微波频段,其振荡回路通常使用介质谐振器,用耦合微带线(即两条靠近的微带线)耦合能量,与GaAsFET放大器共同构成振荡回路,称之为介质振荡器。该振荡器因介质谐振器的介电常数很高,故而温度稳定性好,品质因数高且体积小、价格低,容易和微带线耦合而制成单片微波集成电路(MMIC),因而在C波段与Ku波段的卫星接收机中广泛使用。图3为其电原理图,图中场效应管的漏极D经过100Ω高阻抗微带线接至8V电源,源极S通过旁路电容C交流接地,曲折微带线A可使起振容易,曲折微带线B使振荡输出能量最大。本振信号由微带线耦合输出至第一混频器。

2.第一混频器
第一混频器由信号与本振的混合网络、非线性元件及一些附加电路组成。输入的卫星电视信号与本振信号经混合网络混合后叠加在非线性元件上,非线性元件通常采用晶体二极管或三极管,使其工作在伏安特性的非线性区。通过非线性作用在输出端产生倍频、和频、差频等一系列信号,最后通过滤波器取出所需的差频信号即第一中频信号,从而达到混频目的。实际电路中,常采用二极管混频器,如由两个二极管组成的平衡混频器、由四个二极管组成的桥式混频器等。尽管二极管混频器没有变频增益,只有变频损耗,但因其结构简单、便于集成化、工作稳定、噪声系数低、工作频带宽、动态范围大等优点,被广泛采用。至于变频损耗,用放大器很易得到补偿。
微波C波段较常采用双二极管混频器,其原理电路如图4所示,图中两个二极管为极性反接的形式。功分器通常用3dB支线耦合器,耦合器各臂长度均为1/4有效波长,它同时可以实现匹配并保证两信号相互隔离。图4中从LNA来的输入信号U\(_{S}\)从1端输入,本振信号UL信号从4端输入,各自通过支线耦合器后,每支二极管上各分得U\(_{S}\)和UL信号的的一半功率,两二极管的输出端经微带式低通滤波器,除去倍频、和频信号后,取出差频信号即第一中频信号,输至第一中放。

3.第一中频放大器
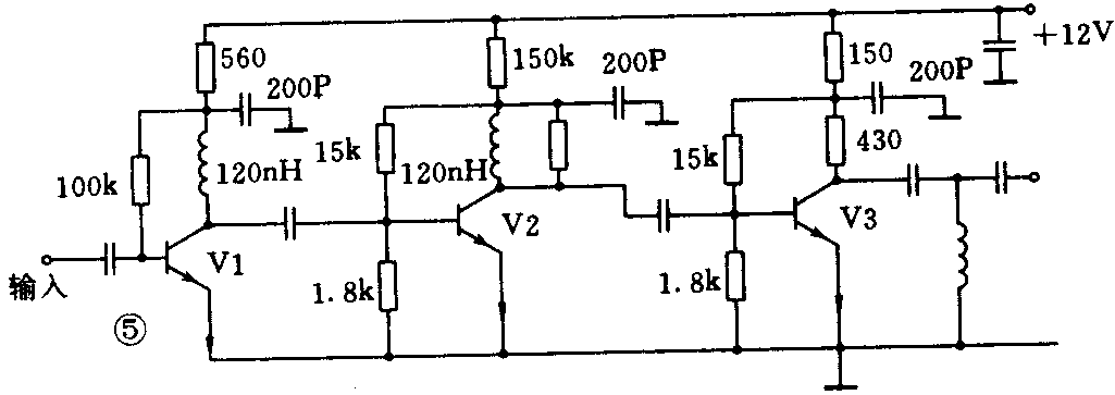
第一中频放大器的任务是把混频器来的0.9GHz~1.4GHz的第一中频信号放大约25dB,用以补偿混频器、低通滤波器和室外、室内连接电缆等的损耗。可用三级硅三极管组成的放大电路完成。典型电路如图5所示,目前高频头中该部分已用集成块代替。

三、高频头的直流供电
卫星电视接收机高频头安置在室外位于天线馈源之后,各级的直流供电均由室内部分电源提供。一般室内单元提供一路16V直流电源,从室内外馈线同轴电缆送出,经室外高频头内一稳压集成块稳压滤波后供给高频头内各级电路。故室内外连接的同轴电缆一方面将中频信号由室外送至室内,另一方面将直流电源从室内馈至室外。
四、Ku波段卫星电视接收机的高频头
Ku波段在亚洲地区用于卫星广播的频率范围为11.7GHz~12.2GHz,其接收机的室外单元包括高频头的组成和C波段的基本一致;当输出的第一中频频率及伴音调制方式与C波段的一致时,其室内单元可以通用。
目前我国已研制开发出Ku波段卫星接收机室外单元的单片微波集成电路MMIC,电路基板为砷化镓单晶片,它包括有三级低噪声放大器、10.8GHz介质本振、砷化镓双栅场效应管混频器、二级第一中频放大器及各种高通、低通匹配微带滤波电路。
五、室外部件使用注意事项
1.接触要良好,波导法兰盘接口部分要清洁,防水胶圈要对准、对齐并上紧,不要随意打开高频头,以免破坏密封性能。
2.连接电缆同电缆头内外导体要接触良好,电缆要按要求匹配。
3.抛物面天线及室内外部件外壳要接地良好,必要时要用试电笔检查,否则将会损坏内部器件。(高厚琴 毛志伋)