调频无线话筒以其音质好,价格低廉,制作简单等优点越来越受广大青少年和无线电爱好者的欢迎,下面介绍一个制作实例,谈谈如何辅导学生装配调频无线话筒。
电路原理
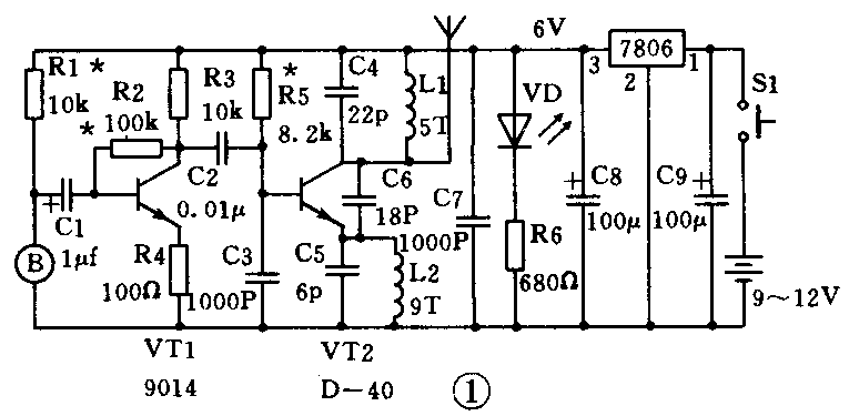
图1是近年来已在几种报刊上发表且效果较好的调频无线话筒的电原理图,由VT2、L1、L2、C3~C6及R3构成高频振荡电路,VT1及C1、C2、R2、R3、R4构成简单的阻容耦合音频放大电路,其工作原理是:驻极体话筒B接收到的话音信号经VT1放大后经C2送至VT2的基极,对高频等幅振荡进行频率调制,经调制的高频信号由天线向外发射,该信号被调频接收机接收再解调出话音信号。7806IC和C8、C9组成稳压电路,其目的是将电路的工作电压稳定在6V,使发射频率稳定,并改善接收效果,R1向驻极体话筒提供工作电压和调节其灵敏度,C7为高频退耦电容。

高频振荡电路的装置与调试
在指导学生进行该电路的实验制作时,为求简单,稳压电路可省去不装,直接使用6V电源。
一、按图2制作印制电路板。

二、焊接高频振荡电路,即焊VT2、R5、C3~C6、及L1、L2。这部分电路的好坏是整个话筒的成败关键。焊接前应让学生仔细检查所有的元件是否完好,尤其是电容器,因为小容量的电容如果有断路等毛病,在装上电路板以后是很难用万用表检测出来的。C4是影响发射频率的元件,更应挑选稳定性好的。如果有DT—890C数字万用表,可用该表的电容档仔细挑选。(这时如果我们将电烙铁靠近电容的话,就会发现显示的电容量数值会随温度升高而变小)。当然,一般正品高频瓷介电容是完全可以胜任工作的。VT2的型号是D—40,这是一种特征频率高、β值与Icm大的专用发射管,在进口时字标已被厂商抹去,其引脚见图3。应让学生掌握用仪表鉴别管脚的方法,让学生养成检测元件的习惯,不应盲目相信资料。实践证明,C5、C6的数值稍有出入影响不大,L2亦可用一个15~47Ω的电阻代替,D—40也可用9018代替,只是Ic较小发射距离较短。全部零件焊好后,要求学生仔细检查两遍,核对元件数值、引脚位置无误后,可接通临时电源进行调试(临时电源可用物理实验室中的大号甲电池或1号电池串接)。

调试
将电流表跨接于电源开关处,调整R5的数值,使VT2的Ic为50mA左右。然后打开调频接收机并开大音量,这时会听到强烈的“沙沙”声(有静噪功能的接收机例外),当调节接收机调谐旋钮时,如果发射部分正常就会使“沙沙”声在(88~108)MHz的某个频率处消失。但是,因为存在C4容量误差,VT2结电容的离散性及电路板分布电容影响等许多因素,所以常常使发射频率落在(88~108)MHz这个频率之外。这个问题常常会导致许多人的疑惑,以为制作已失败而草草收场。这时,必须告许学生,耐心地用不同数值的电容去置换C4就会发现问题所在,最好的办法是用一个5~25pF的半可变电容并联一个10pF左右的固定电容去代换C4,仔细调整半可变电容及L1的间距,使发射频率落在接收的频率范围的,根据半可变电容动片的位置可以粗略估计这2个调试用电容器的总容量,然后找一个相近的固定电容焊上去即可。C4越小发射频率越高,L1圈数越多发射频率越低。应特别注意的是发射频率绝对不允许调定在本地调频广播电台的频率位置,否则,会对正常的广播造成严重干扰。
有时接收机收到的并不是发射机的中心频率,而是它的谐波,它的中心频率依然在(88~108)MHz之外。鉴别的方法是:一、近距离的接收效果似乎很好,只要一拉开距离(20米~30米左右)话音质量便相当低劣,出现声音沙哑及断断续续的现象。二、当你接收到信号后,听听“背景”是否干净,是否有较小的“沙沙”声,如果接收频率正常,即使拉开200米的距离,“背景”也应是相当寂静、没有一点噪声的。如果还要进一步判断发射部分工作是否正常,我们可以采用如下方法:接收机收到发射机发出的电波、“沙沙”声被抑制以后,用起子或镊子碰触VT2的基极,接收机应发出清晰、强烈的“咯咯”干扰声。
音频放大电路的装置与调试
此部分电路,只要元件质量好,一般不会有什么问题,但应注意以下几点。
一、调整R2使VT1的Ic为1.5mA左右,如调得过大会造成VT2的调制过深,使声音失真,太小则声音小甚至无声。R4的作用是提高VT1的工作稳定性,亦可不用。
二、调整R1使B两端的电压略小于1/2V\(_{c}\),以调到灵敏度高,话音清晰为准。
三、驻极体话筒的检测。首先是确认正、负极。因话筒内装有一个作阻抗变换用的微型场效应管,它的工作电压极性接错,话筒就不能正常工作,无线话筒当然也就不能发出音频信号。在话筒的两个焊接片中有一个通常是连接外壳的,这便是负极(见图2b);另一个是正极,用M—47万用表的R×100档测量两极片间的电阻时,其正向电阻(即黑表笔接正极,红笔接负极)约5kΩ左右,反向电阻约为2kΩ左右,不同的话筒以及不同的测试电表测试出的阻值有较大的差异,但正向电阻总是大于反向电阻。然后鉴别质量的好坏,在测它的正向电阻时,靠近话筒大声讲话或吹气,表针会明显摆动,其摆幅越大越好。
制作外壳
可用合适的现成小盒子,也可以自己动手做。方法是到建筑装饰商店买一些有机玻璃边角料,并到化学仪器商店买瓶三氯甲烷,先用适量的三氯甲烷浸泡小块的有机玻璃,可配制成性能良好的有机玻璃粘接剂。然后将自已喜欢的有机玻璃按图4所示一块块裁好,用粘接剂将它们粘成外壳的形状。注意先在有关部位开好话筒、天线、发光管及开关的小孔,用一个螺丝将天线直接和电路连接一并将电路板固定在外壳上。天线用不锈钢丝(牙科用的钢丝就很合适)制作。其长度应使通话距离最大,一般200米左右的距离其天线长度30~40cm就可以了。当然也可以用长度合适的软拖线作天线。为了减小人体对话筒发射频率的影响,电路板或者是外壳最好用易拉罐等薄金属片屏蔽起来,屏蔽板和电路的地(负极)连接并不得和其它元件短路。

无线话筒使用的电源
最好使用充电电池,因其放电曲线平坦,可使发射频率在有效时间里比较稳定。有一个廉价获得充电电池的途径,不少对讲机、大哥大所用的10.8V或7.2V组合电池是由9节或6节体积为φ16.6×28mm、容量360mAh的小充电电池组成的,电池组损坏时往往是其中的1、2节电池不能用,将其余好的拆下来重新组装就可用于无线话筒。图4所示无线话筒用的就是5节这种电池。机壳下方的两块金属片是电池的充电电极。
自制专用充电器
充电器外形见图5。要充电时,只要将整个无线话筒往里面一插就行了,非常方便,图6是充电器电原理图,C1的容量视所需充电电流选取,可按60mA/1μf计算,C2是为防止脉冲电流烧毁发光管而加的。使用时先断开交流电源,将无线话筒插入充电器内,如果发现LED亮说明电池极性接反,最后接通交流电源LED发光,说明充电正确。


初步做好无线话筒不等于制作就结束了,作为辅导员还应注意辅导学生在此基础上进一步完善其制作和进行其他尝试,如:1、加上稳压部分。2、用更廉价的元件代换以降低成本。3、做一些改革试验(如将圆形的电感线圈做成矩形以缩小面积或空间)。4、使无线话筒外形上变得更美观、更实用、更方便。5、获取报刊从未发表过的数据,如当改变C4或L1的数据值时Ic的变化量等等,因为这样做不但能培养学生精益求精的品质、还可以启迪他们的思维、激发他们的创造性、真正达到育人的目的。 (袁树生)