目前,市场上出现的各种类型的电话机普遍采用了集成电路。在一部电话机中,使用的集成电路有以下几种:音频振铃集成电路,按键号盘集成电路以及完成通话(送话、受话)或扬声通话功能的话音集成电路。
音频振铃集成电路
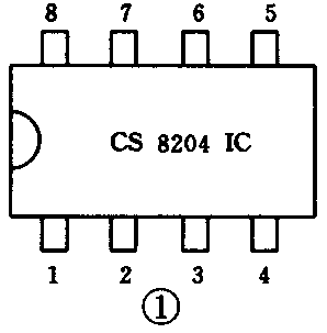
1.外形与引脚功能:
常见的型号是CS8204专用集成电路。它是采用8脚双列封装形式,外形见图1。

该集成电路主要是由低频振荡器、高频振荡器、电源控制器和输出放大器组成,内部逻辑电路见图2。

CS8204IC的①、⑤脚为工作电源输入端,一般工作电压在23~26V之间,启动工作电压为19V,维持振荡工作电压为12V;②脚为触发输入端,它与①脚之间串接一电阻,用以减小启动电压,防止损坏IC;③、④脚为低频时间常数控制端,由外接RC元件控制,其低频f\(_{L}\)为10Hz左右;⑥、⑦脚为高频时间常数控制端,同样由外接RC元件控制,当低频振荡器输出为高或低时,高频振荡器频率fH1为510Hz,f\(_{H2}\)为640Hz,高频振荡器的频率变换速率也是由低频振荡器来决定和控制的,从而使fH1为f\(_{H2}\)这两种音调频率以低频频率的速率交替工作;⑧脚为音频功率输出端,它把高频振荡器的音频信号加以放大,产生出具有高低频交错的音频输出,以推动压电陶瓷片工作,发出电子音乐铃声。CS8204电路的极限电参数如下:电源电压(VDD)为30V,工作温度(T\(_{OP}\))为-45°C~65°C。总功耗(Ptot)为400mW。
2、典型应用电路
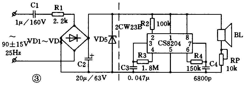
国产话机采用CS8204集成电路组成的电子振铃电路见图3。图中虚线左边部分为电源极性变换输入电路。右边部分为电子振铃收信电路。由于电子按键电话机增加了极性变换电路,即桥式整流和滤波稳压电路,可把来自线路上的振铃交流信号(90±15V、25Hz)直接变换成直流电压(23~26V),提供给集成电路工作,所以电话机接线盒上的两根馈电线L1、L2可以不分极性任意装接。

按键发号集成电路
到目前为止,按键号盘(即发号)集成电路有直流脉冲按键号盘集成电路(S2560A、S25610、LR40992、HD44801A80);双音多频按键号盘集成电路(TCM508;脉冲/音频兼容发号集成电路( LH91210C/D、LH91260)。下面以常见的S2560A直流脉冲按键号盘集成电路为例,介绍应用。
S2560A采用18脚双列直插式封装由于它和AMI2560A、M2560A、STC2560A、ET2560A、LH2560C集成电路可直接代换使用,故统称为2560IC。该IC具有如下特点:(1)可直接利用线路馈电电压作为工作电源,并能在低电压下驱动工作;(2)与电话网络的接口电路十分简单;(3)断/续比率、脉冲速率、拨号码间间隔可任意选择;(4)具有20位数发号、暂停发号、储存和重拨最末电话号码的功能;(5)外围元件少,电路简单,维修方便。
1.外形与引脚功能
2.典型应用电路
C2560IC应用电路见图6。图中虚线左边的简图为电子振铃电路,右边的方框图为通话电路,中间部分为发号脉冲电路。从图中可见,发号电路的工作电源是由不同制式交换机的馈电电压(24/48/60V)经过极性变换输入电路提供的,不必另外设置电源电路。电路中起开关作用的三极管V1(2SA1013/3CD317)、V2(2N5551)、V3(3DG945)是发号电路中的关键器件。三极管失效或各点电位出现异常,将导致话机无拨号音,特别是V1是故障较高的部位。V1软击穿,将会造成脉冲幅度下降,易引起漏发号、错发号,使维修人员误认为是交换机的计数电路有故障。V1在本电路的作用是取代传统的机械旋转式号盘的发号脉冲接点。例如,当按下“8”数码键时,IC脚与④脚通过导电橡胶相连接,向键盘接口电路输入一个信号,IC内部控制电路将控制第⑨脚的电位发生相应的8次变化,V2和V1也相应分别截止与导通8次,使电流回路产生8次断续的直流脉冲。依此类推,即可实现电话的自动接通。

下面介绍检查此集成电路的方法。可用一导线直接将V1的c、e极短路,再用万用表DC10V档测L1、L2的馈电电压应下降到5.5~9V,说明发号电路工作正常,否则是通话电路部分有故障。在排除各种发号故障后,可用表测试IC各脚工作电压应符合表1中的数据要求。

通话专用集成电路
通话专用集成电路可以说是电子话机本身的终端电路部分;它的主要任务是完成送话与受话两大功能。一般所采用的IC有LS285/TEA1067通话用集成电路,MC34018扬声通话集成电路,LH/TBA820M音频功放集成电路等。
本文着重介绍常用的LS285通话集成电路,它具有如下特点:(l)采用了惠斯登电桥电路,可实现2/4线互相转换;(2)通过电桥把发送、接收放大器接于电话线路上,以保证足够的侧音衰耗;(3)能根据线路电流调整放大器的增益,以实现远近距离话音电平的自动控制,提高话音的清晰度和可听度;(4)采用了平衡输入,抗干扰性能好;(5)电路简单,性能稳定,可靠性高。
1.外形与引脚功能
LS285电路采用14脚双列封装。其外形、管脚排列见图7。LS285电路是由电压调整器、发送放大器、接收放大器和输出级组成的,内部电路方框图见图8。


LS285IC的主要极限参数见表2。

2.典型应用电路
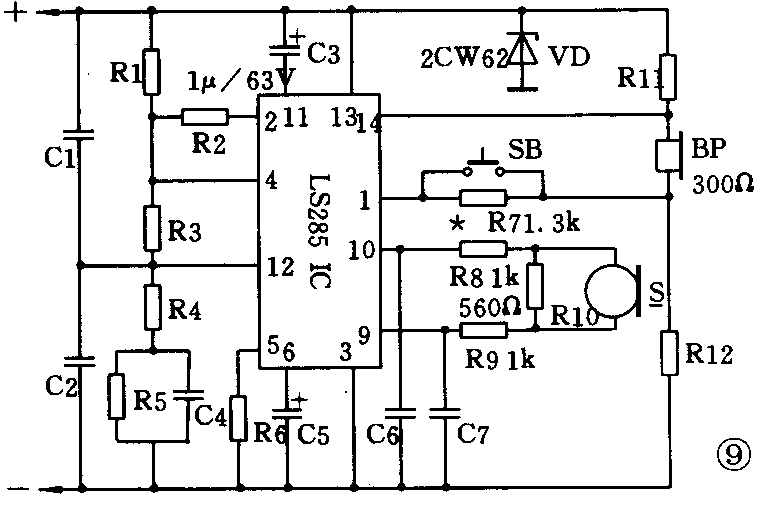
LS285电路的应用电路见图9。在送话器输入电路中采用由R8、R9、R10、C6、C7组成的惠斯登电桥平衡输入,也叫消侧音电路。这是因为在通话时,受话器不但需要接收对方的讲话声,而且还需接收自己的讲话声(即侧音),若在电路中不采取技术改进措施和削弱本人讲话时传入受话器内的话音响度,不但易使自己的耳朵感觉疲劳,而且还会掩盖对方的讲话声音,严重干扰和影响通话效果。本电路使用的是RC消侧音电路。调节R8、R9的阻值可以改变发送灵敏度。

在受话器SH的输出电路中采取由开关SB和电阻R7组成的限流器,用以防止话机产生啸叫声。在受话时,如感话音较小时或周围环境噪音大时,可按下话机上增设的按键开关SB,受话器音量将有明显提高,平时开关SB处于开的位置,调节R7可改变接收灵敏度。LS285IC各引出脚的维修数据见表3。 (刘明清)


