编者按:本刊1993年第10期刊登“雷达模块及其应用”一文后,读者对文中无线电遥控组件反应热烈,现特选登此稿,供读者参考。
无线电遥控,是通过无线电波在空中传递信息,靠手中发射机随心所欲地指挥远处的被控对象,使人觉得神秘有趣。由于它能在特定条件下远距离执行任务,故在军事、体育、科研、教学和工农业生产乃至人们的日常生活中有着广泛的实用意义。
但是,在设计和安装调试无线电遥控设备时,需配置高档的精密仪器,而这种遥控装置以往受元器件限制,未能得到微形化。所以,微形化无线电遥控技术的推广和普及应用受到一定限制。
本文向读者介绍一套微型化的多通道无线电遥控组件,它包括一个微型发射机和一个与发射对应编码并调试好的接收模块。由于该组件采用了较高的频率和数字编码等先进技术,具有体积小、耗电省、可靠性高和保密性强等诸多优点。这种组件内部自编码多达32万,也就是说,在32万套中不会重复解调。该组件发射接收有效工作距离大于50米。在安装使用时无需调试,使设计人员在应用和开发新产品时极其方便。下面分别介绍发射与接收部分。
匙扣式遥控发射机
发射机型号为TWH9236,外形及工作原理方框图见图1。由于体积特小、可方便地穿在钥匙扣上随身携带,俗称匙扣式发射机,它外形尺寸仅为75×35×16mm,重量30克,载频工作频率260~270MHz,面板上4个按钮和发光显示窗均采用防尘结构,机壳还设有防水措施,能保证长期可靠使用。整机工作电流在6mA以下,由于本发射机不按键时不耗电,按键也工作在点发状态,特别省电,一节G23A,12V电池可工作半年以上。

接收解码模块
接收部分为一模块,型号TWH9238,外形尺寸及工作原理方框图见图2。从图中可以看出,它把微型天线以及接收放大、整形解码等全部电路封装在一起,工作电压为6V,静态工作电流仅1.5mA。TWH9238有7根引线;其中ABCD为4个数据输出端,与发射机4个按键对应工作,按下发射机某键,带有此键数据特征的信号发出,接收模块相应的数据输出高电平,其余为低电平。停发信号,输出端原数据锁存,直到收到新的信号指令。IO端为辅助输出端,收到每一次有效信号时,IO端都输出高电平,信号消失后IO端恢复低电平。TWH9238模块各输出端高电平电压为5V,短路电流为1.8mA。模块内还设有保护电路,以防止输出端短路而损坏电路,在测试该组件时,可按图3简便地直接驱动高亮度发光管等轻负载。


遥控组件的应用
利用TWH9236和TWH9238遥控组件,外接部分元件,可以组成多种控制电路,这里仅举几例供使用时参考:
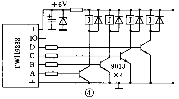
一、作一至四通道遥控开关,这是本组件的典型应用,电路见图4。按一下发射机按键,TWH9238相应的输出端得到维持高电平,经放大使后级继电器吸合,接通负载工作。也可只利用部分输出端;余下输出端作关机控制。如遥控电风扇时可利用三路输出作三速控制,余一路作停控制,或用两组输出驱动多触点继电器甚至交流接触器,用发射机遥控切换直流电源极性,使直流电机得到正转、反转、停止等自动控制。

二、综合扩展应用:由于TWH9236发射机在使用时允许同时按下几只按钮,并组合成新的数据码,当需要控制更多对象时,可利用发射机按钮上进行8421编码,而在接收模块端将数据输出信号经集成电路二次解出8421二进制码,即可使输出扩展到16位。按图5电路二次解码后,发射机ABCD分别代表1、2、4、8例如:需第3路输出,按发射机AB(1+2);需第10路输出,按下B和D钮(2+8);需15路输出,全部按钮按下(l+2+4+8)。采用8421码,除了扩展功能外,还增加了使用的保密性。

图5中,利用开关S把OUT/IN公用端接至电源端或IO端时,可在16组输出端得到输出锁存或不锁存的高电平输出,使非锁存输出方便地送至如双稳态触发器的CP端,这样能使每路触发器输出得到独立的开关控制特性,用途更广。
使用注意事项
1、接收模块应安装在无金属屏蔽的场合,且尽量避开金属物体,以免因信号被屏蔽而无法工作。
2、接收电路的电源最好使用已稳压的6V电源。
3、当发现工作距离明显缩短时,应检查发射机电池,及时更换。 (蔡凡弟)