青少年的视力保健成了当今全社会关心的问题。随着对视力保健的需求,各种保健灯应运而生。目前上市的保健灯大都功能单一,收效甚微。本文介绍的新颖时间模拟保健灯集时间模拟、低亮度警告、调光三功能于一体,采用了两种保健措施:其一本灯的照明和熄灭时间能模拟学校的作息时间(即亮45分钟,熄灭15分钟如此循环),这样让眼睛工作一段时间后即休息一段时间,使眼睛不致于过度疲劳而导致视力受损;其二能自动检测灯光的亮度,当灯光亮度低于允许值100Lx(国家教委规定)时,发出声光警告,提醒您此亮度不宜于书写学习。
工作原理
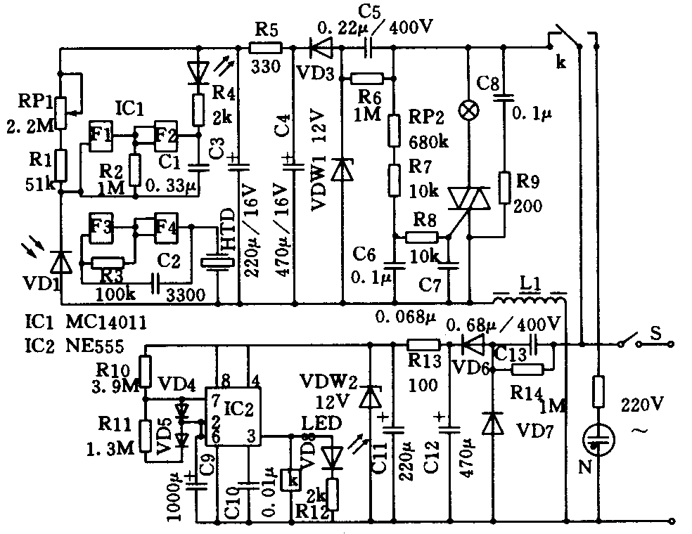
电路主要由时间模拟控制电路、灯光亮度自动检测电路、低亮度警告电路、灯光亮度调整电路和两独立直流稳压电源等组成。电路原理如附图所示,时间模拟控制电路为集成电路IC2、R10、R11、C9等组成的占空比可调的无稳态电路。当接上电源,电源通过R10、VD4向C9充电,由于C9两端电压不能突变,IC2的3脚输出高电平,继电器吸合常开点闭合,被控制的灯电源接通照明。当C9的电压充至IC2的阈值电压(2/3电源电压)时,IC2的2、6脚为高电平,3脚翻转为低电平,继电器释放,被控制的灯电源断开休息。与此同时继电器的另一组常闭触点接通微光灯电源,供休息时配合做眼保健操等激光照明之用。由于3脚为低电平,7脚也为低电平,VD5导通C9通过VD5、R11、7脚放电,C9的放电电压降到电源电压的1/3时,2、6脚又变为低电平,3脚又翻转为高电平,继电器又吸合接通灯电源开始照明,周而复始模拟了学校的作息时间。作息时间的长短可由τ=0.693×R×C算出。亮度自动检测电路和警告电路由集成电路IC1、VD1、VD2、HTD等组成。F1、F2组成灯光亮度自动检测振荡电路,F3、F4组成警告电路,两振荡电路的振荡与否均受到光敏管阻值的控制,当灯光亮度正常时(≥100Lx),并接在F1和F3输入端的光敏管的亮阻阻值变小,破环了两振荡电路的振荡条件以至停振,无警告音响及指示输出。当灯光亮度过小时,光敏管的阻值变大,并接在F1和F3输入端光敏管的阻值大,不足影响两振荡电路的振荡条件,振荡电路工作正常发出声光警告。为了使时间模拟电路和亮度检测警告电路既有联系又能独立工作互不影响,本电路采用了两组电容降压直流稳压电源,由C5、VD3、VDW1、C4和C13、VD6、VD7、VDW2等组成。RP2、C6、C7、和SCR组成调光电路。L1和C8等组成抗干扰电路。

元件选择
IC1为四与非门集成电路,型号为MC14011或CD4011;IC2为NE555时基电路;继电器可选用电压12V型号为4098;SCR双向可控硅耐压应大于400V,电流≥2A光敏管暗阻≥3MΩ,亮阻≤3kΩ;C5、C13耐压应大于400V;微光灯可选用普通氖泡。
安装与调试
在安装之前首先对每个元器件进行性能测量,尤其是两降压电容器,以防长时间使用损环,致使烧坏其它元器件。本电路只要焊接无误,接通电源即可工作。作息时间的长短可根据需要调整R10和R11、C9的值。灯光亮度警告、检测电路的调整可用一台照度计来调整,业余调整亦可用一只15W的白炽灯代替光源,方法是在暗室内,将市电电压调至220V,将白炽灯泡固定在光敏管上方0.3米高处(此时照度约为100Lx),这时调整RP1的阻值使警告电路停止声光警告即可。 (陈发清)