在化工、机电等工业生产中,电机正常工作时,其工作电流有一个范围。当电机的工作电流超过上限值或低于下限值时,及时发出报警信号,通知操作人员及时调整工艺流程。本电路就是为了更新60年代进口仪表而设计的。若对取样电路加以改变,可用于过、欠压报警电路。用\(\frac{1}{2}\)LM339,并对取样电路作些变动,可以构成简单易行的温控器。
工作原理
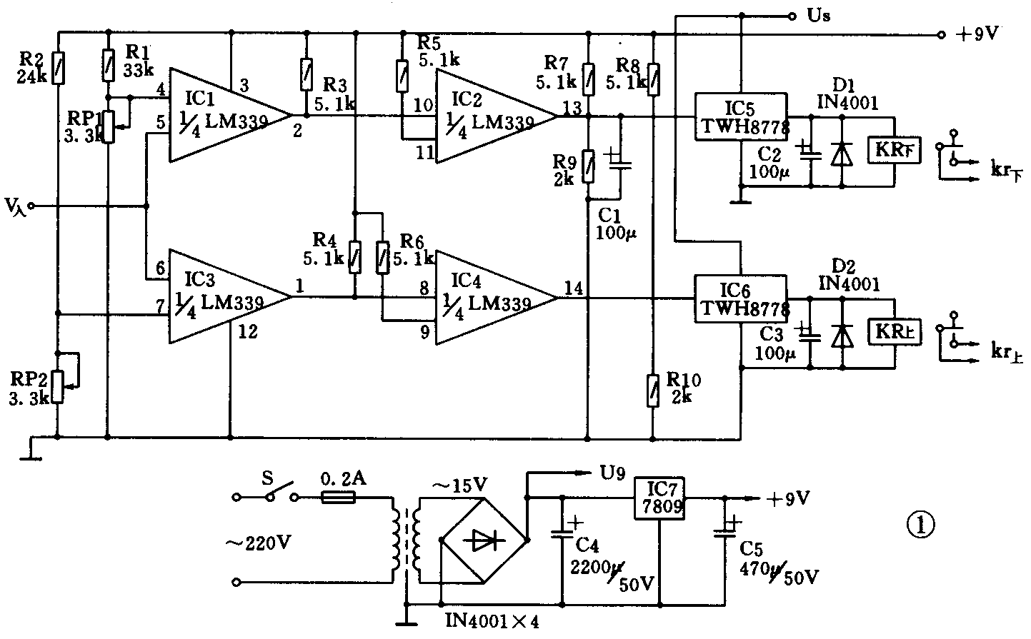
本电路由比较器、控制器及稳压电源组成。输入信号取自磁电整流系电流表的互感器副边的整流输出电压,大约U\(_{入}\)=0~5.7V(我们用的是42L1型广角式电流表)。经试验证明,由于LM339的输入阻抗很高,对电流表指示准确度的影响可以忽略。
图1中RP\(_{下}\)为电流下限设定,RP上为电流上限设定。这两个电位器分别装在电流表的表面两边。当输入信号(以下简称U入)高于IC1的4脚电位时,2脚输出高电平,IC2的13脚输出低电平,IC5截止,继电器KR\(_{下}\)不工作,此时下限正常。相反,当U入低于IC1的4脚电位时,KR\(_{下}\)工作,Kr下吸合,下限报警。同样,U\(_{入}\)低于IC3的7脚电位时,电机工作正常。U入高于IC3的7脚电位时,Kr\(_{上}\)吸合,上限报警。图1中Us为开关电路IC5、IC6的电源可以接到9V电源正端;但是,为了配用各种不同工作电压的继电器,同时减轻IC7稳压电路的负载,而将U\(_{s}\)单独引出。Kr上、Kr\(_{下}\)触点可做为控制信号的开关,也可以做报警电铃的开关。当选用《无线电》1993年第1期推出的TWH11高响度报警器时,图1中的KR上、KR\(_{下}\)继电器以及VD1、VD2和C2、C3,均可省略不用。图2为印制电路板及元件排列图。


调试
本机调试很简单,只要接线无误,通电即可正常工作。先将RP\(_{下}\)逆时针旋转到头,此点刻度为零。用交流电源给电流表供电,使电流表指示满度。调整RP下,使Kr\(_{下}\)刚好吸合,记下该点刻度,该点即为电流表满度时RP下的报警设定值。用同样的方法,对RP\(_{下}\)的中间各点设定值一一进行刻度。同时也对RP上设定值进行刻度。
元件选择
比较器选用LM339四电压此较器,也可用LM324四运放代之。KR\(_{上}\)、KR下用JQX—4型继电器或根据所用的电压及电流来选择。RP\(_{上}\)、RP下为WS1型电位器。电阻均用14W金属膜电阻。
此电路已试用半年,性能稳定,灵敏度高,成本低,用途广泛,维修简便,值得推广。 (倪文华)