本文介绍的传呼对讲系统,由一台主机和若干副机组成。主机可安装在经理室、传达室、医院值班室等,每个房间安装一台副机,只需一条总线将主机和所有的副机连接起来。本系统因采用了双音频编码,操作方便,同时还加强了系统的抗干扰能力,如主机要与某一副机通话时,只需按相应的副机号码,就可接通该副机进行对讲,而其它分机均处于关闭状态。有线传呼对讲系统框图见图1。

主机的拨号键共有16个。本系统只需操作“1~9”和“D”这10个键,其中“1~9”为地址键,“D”键为复位键。接收机一般都处在等候状态,唯有功放电路无电源供给,所以,扬声器无声音产生。DTMF解码和电子锁电路始终工作,一旦收到与接收机本身地址相同的拨号后,电子锁被打开,接通对讲系统的工作电源,即可达到选呼对讲功能。
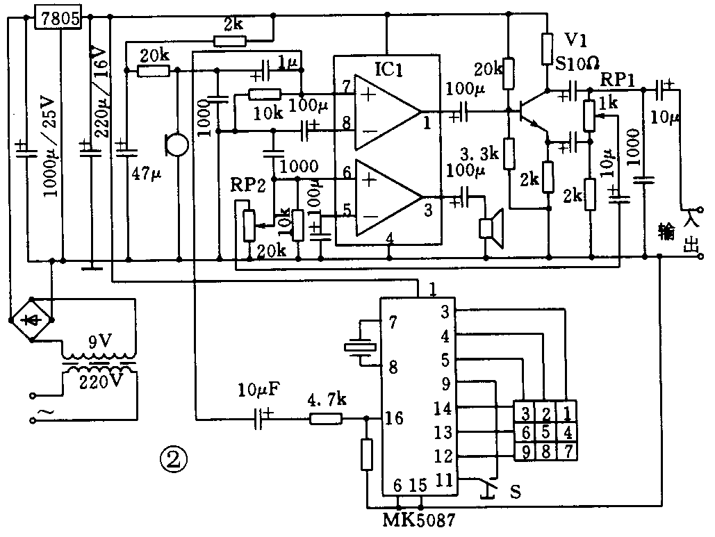
主机的工作原理
主机的工作原理如图2所示。IC1为双路音频放大单片集成电路TDA2822,它的主要特点是效率高、耗电省、静态工作电流典型值只有6mA左右,而且电路对电压的适应能力很广(1.8V~15V)。IC1的一路对话筒和双音频编码器产生的音频信号进行放大,放大后的音频信号经1脚输出,送入由V1等组成的消侧音电路,最后送入总线到达副机。IC1的另一路由副机送来的信号进行放大,由3脚输出推动扬声器,从而实现双工对讲的功能。

IC2为DTMF专用集成块MK5087,由它和其它有关元件组成双音频编码器,即当再按下一个键时,将产生一对双音频信号,其中一个来自高频组,另一个来自低频组,每个键所对应的频率组请看表1。

副机的工作原理
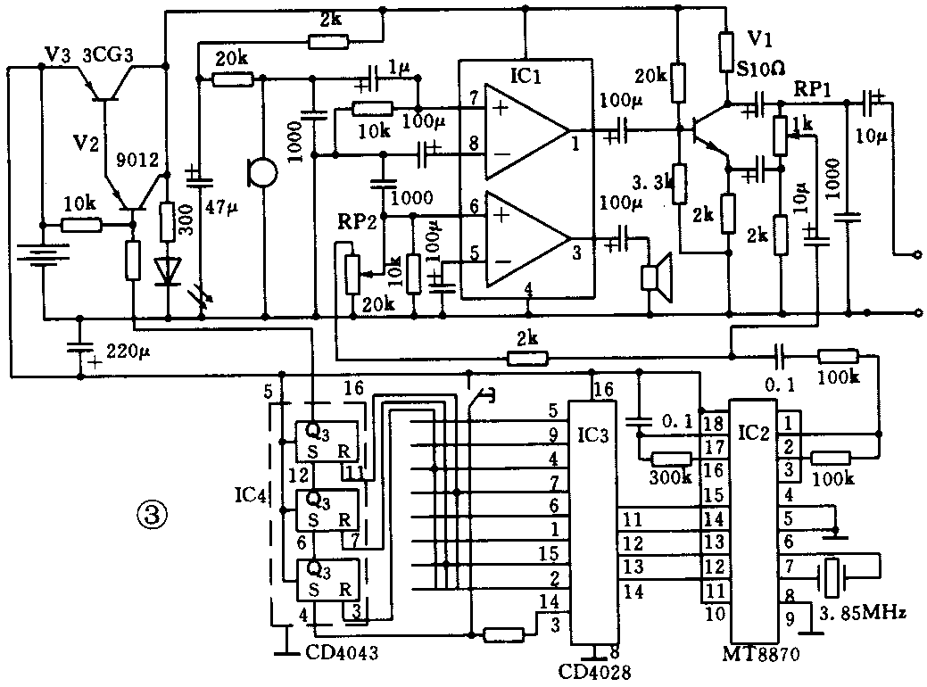
副机的工作原理如图3所示。IC1组成的对讲电路与主机相同,这里不再祥述。IC2为DTMF解码电路,IC3、IC4组成电子锁,整机工作电源为6V。

DTMF解码器MT8870,内部框图如图4。由主机发来的DTMF编码信号,送入MT8870,经输入电路放大,并滤去DTMF信号范围以外的噪音后,同时送入高、低频滤波器,再经数字检测和处理,变换成二进制信号输出。

IC3为二—十进制译码器,它将IC2解码器送来的二进制数变为十进制数,来开由3个RS触发器组成的电子锁,即将输出的十进制数组,与事先设制的副机地址比较,看是否相符,如果相同,则Q3输出为0,电子锁打开,V2、V3导通,电源供给对讲电路即可对讲。如果与所设地址不同,则Q3输出为1,电子锁不可能打开,即不可能进行对讲,单级RS触发器的真值表见表2。

副机的编号称为地址,它由3位十进数字(1~9)组成,3位数字不能有重复的数字出现,也不能出现数字0,本系统最多可组成504组地址。
图3上该副机的地址为625,只有当主机拨625号后,经传输,解码,使RS触发器中的Q1、Q2、Q3均为零,V2、V3导通,即电子锁被打开。如果拨号顺序不对,或拨了其它号码,则不可能将锁打开。若主机按下D键,S1端输入高电平,电子锁关闭。为了设地址方便可采用矩阵方式,在印制板正反布线,用导线对穿焊接。图2中SB1为复位纽。图5、图6、是印制电路板图。


电路调试
如果电路焊接无误时,控制部分无须调整,而对讲部分要适当调节RP1、RP2消除侧音。当主副机之间连线较长时,可能有微弱的广播声音,可增设滤波电容器和调整RP2,消除广播声音。在扬声器音量调得较大时,话简要与扬声器保持一定的距离。 (程 辉)