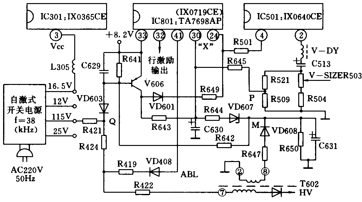
熊猫DB47C—4型彩电选用了夏普NC—Ⅱ T型机心,其同类机型还有山茶SC—51A、凯歌4C4701、4C4701—l、虹美C4725—2、WCD—25、孔雀KQ47—36、三元47SYC—2、47SYC—3、47SYC—3—2、夏普C—1801DK、C—1826DK、C2001UK、天鹅CS47—S1、飞跃47C2—2、47C2—3、飞燕DUC47—C4、金星C4715、珊瑚D47C—1、D47C—4、D47C—9等。从该类机型的原理电路分析可知,其保护电路共分三路:第一路是由行输出变压器T602②/⑧、R644、R647、R650、C631、VD607、D608等组成的过压保护电路;第二路是由R509、R521、R645和C630等组成的场输出级保护电路;第三路是由R421、R422、R424和VD603等组成的显像管束电流过流保护电路(如图所示)。以上三路保护电路的中心控制点都是IC801(TA7698AP)的第30脚(“X”射线保护端子)。与上述三路保护相关的是行输出电路、场输出电路、显像管电路等,当这些电路发生故障时,都能引起保护电路动作,从而使彩电得以有效保护。电路进入保护状态之后,IC801的直流工作电压由正常工作时的0V迅速上升到0.9V以上(一般为1.4V左右),且产生维持自锁功效。“保护自锁”电路由V606及外围电路构成;保护电路启动后的故障现象多表现为光栅消失,但伴音仍正常。现就笔者在维修过程中遇到的一些常见故障择例说明,以供读者参考。

例1:开机后,光栅、图像时隐时现,且无一定规则,但伴音始终正常。
分析与检修:将直流电压表接在IC801,观察其电压变化。发现当故障出现时,该脚电压为1.5V,故障消失时为0V。拆除R647后故障消失。可见,该机故障是因过压保护电路动作而引起的。查开关电源各路直流输出电压无增高现象;又测R644、R647,阻值未变,VD607、VD608亦未损坏。进一步检查发现VD607稳压管的稳压值已下降为17.5V。修复方法:一是在VD607的负极端对接一只正向压降为2V的发光二极管LED(如2EF112)。注意LED管之负极与VD607的负极对接,其正极接M点;也可用两只2CP(或1N4001)、一只2AP串联之后再对接于VD607支路。二是将电阻R647由原来的10Ω/0.5W换成18Ω/0.5W,以便补偿VD607稳压值的低落(一般VD607的V\(_{Z}\)值不应小于19V)。本例经串接LED后一切恢复正常。
例2:开机无图无光,但伴音正常。
分析与检修:测量IC801电压为1.5V,说明电路已进入保护状态。断开过压保护支路的VD608和场输出级保护支路的R645,故障依然存在;再断开束电流过流保护支路的VD603,电视机恢复正常。停机,用万用表R×1kΩ档测量R422、R424,正常;测R421为150kΩ,大于正常值120kΩ。拆下测量,R421已增值为260kΩ。用一只RY14S—0.25W—120kΩ±2%的金属氧化膜电阻代换R421,电视机恢复正常。
小结:R421阻值增大后,使Q点的电位降低,导致VD603和“保护自锁”晶体管V606导通,从而使IC801电压超过0.9V,于是行激励信号消失,产生了无光故障。
例3:故障现象同例2。
分析与检修:测量IC801电压为0V,正常;亮度电位器调至最大位直仍无光栅出现,这说明无光栅故障不是因保护电路动作引起的,重点应检查亮度电路。试用试电笔靠近高压线(HV)氖管,不亮。说明显像管阳极无高压供电。再查束电流支路元件,发现R422(1kΩ/0.5W)已变质开路,致使束电流失去通路而造成光栅消失。用一只RY15S-0.5W—1kΩ±2%电阻代换R422,电视机恢复正常。
例4:开机之初电视机工作正常,约5分钟之后,光栅突然消失,但伴音仍然正常。
分析与检修:测量TA7698AP电压,发现初开机电视机正常时为0.1V,正常;故障出现后上升为1.5V。说明该机故障是因保护电路启动而产生的。按例2检查方法实施(焊开VD608和R645),故障不能排除。脱开束电流过流保护支路的VD603,故障排除。试看6、7分钟,故障不再出现。说明本例故障是束电流超值引起保护电路动作而产生的。考虑到该机故障有固定的“延时性”特点(开机正常,“延时”5分钟左右故障出现)。判断故障是束电流保护支路的个别元件热特性变坏而引起的。将VD603焊回原位,试用“加热法”检查有关元件:用烙铁烘烤“保护自锁”晶体管V606,无反应;烘烤VD603,光栅立刻消失。因手头无同型号的VD603管(1S1555),试用开关二极管1N4148代之,电视机完好如初。
例5:无光栅有伴音。
分析与检修:测IC801电压为1.4V,说明电路已处于保护状态。当断开VD603和VD608之后,仍不见光栅出现。脱开场输出级保护支路的R645,电视机恢复正常,说明无光栅故障是由于场电路过载引起的。此类机型最常见的场过载原因是耦合电容C513漏电。正常而理想的C513电容能起到直流“完全彻底”的隔除作用。此时,从IC501②脚输出的线性场锯齿波通过C513之后,其直流分量全部被隔除掉,故在P点的场信号的平均电压为0V,“X射线保护电路”不启动,电视机正常工作。当C513漏电时(相当一只大电阻),IC501②脚的直流电压(16.8V)将通过C513的漏阻与R521、R509分压,从而使P点的电位抬高。一旦P点分得的电压超过2V时,“X射线保护电路”就会启动,从而导致IC801的行输出激励信号被短路为0,V606由截止变为导通,其电流流程是:+8.2V→V606的ec结→VD601→R649……。于是,IC801电位上升。内接的是场输出激励晶体管的发射极。所以电位的升高,必然会导致场输出激励级截止,从而使IC501④脚(场输出集成电路激励信号的输入端)之场信号立刻消失。因此,由②脚输出并流经场线圈的场电流下降为0,有效地保护了场功放电路IC501。
经查,本机的C513确已漏电。选用一只CD11—1000μF—35V铝电解电容器,代换后故障排除。 (张义方)