东大尼索HCD—988型激光唱机,采用三光束激光唱头,16位数/模转换器,是一种普及型激光唱机,同市场上销售量较大的爱特牌CD—2208等机及众多的套装组合音响中配备的激光唱机同属一个档次。该机功能较齐全,基本上具备了市面上流行的激光唱机具有的各种功能,价格也低。对一般消费者来讲,它不失为一种理想的音源。但要发烧,还不能满足要求,数码声较重,主要表现在:音质不够自然,音场较窄而浅,高频解析力不强,而且比较干硬,中频不够细腻,低频力度不足。因此,对于发烧友而言,有必要将该机打摩一番,将它的数码声减轻,使机器升级。
对该机的摩机,笔者从以下几个方面进行:
一、更换运算放大器
激光唱机中的运算放大器,大多采用八脚双运放,在机器中主要用在数/模转换器与音频输出级之间,用以完成电流/电压转换、有源滤波及缓冲放大,或用在耳机放大电路中。普及型激光唱机一般采用价格低廉的通用型运算放大器,指标低,性能差,不利于音质的改善。如东大尼索HCD—988型激光唱机中就用了C4558。
一般用来摩机的运算放大器有NE5532、NE5535、HA5112、LT1057等,这些运算放大器各有特色。NE5532高频解析力强,低频温暖醇厚,音色柔美细腻,有胆机风格。NE5535输入阻抗及转换速率较NE5532有所提高,声音纯真通透,但在电源适应性、增益带宽积、输入噪声方面不如NE5532。HA5112对低频控制能力好,层次丰富,音场开阔、定位准确、解析力强,音色冷艳清丽,但价格较高,易自激,对电源适应性差,低电压工作能力欠佳。LT1057也属冷艳清丽型,实验表明,高频十分通透,解析力也很强,低频弹性好,但它同NE5535、HA5112一样低电压工作能力差,价格昂贵。因此,各人可按机器的特性、个人条件、爱好选用不同的运算放大器,而且不同的运放代换后会有不同的结果。通常双运放有塑料封装、陶瓷封装、金属封装三种形式,一般塑料封装形式的质量已经不错了,但陶瓷封装,甚至金属封装者更好。笔者在摩机时经过综合考虑选用了被称为运放之皇的NE5532。这是因为NE5532有很多特色:
1.转换速率较高(9V/μs),能满足摩机要求(一般转换速率大于4V/μs时瞬态互调失真较小)。
2.增益带宽积较大(10MHz)。
3.工作电流大(8mA),跟功放一样,大的工作电流说明运放工作状态接近甲类,因而音质柔美动听。
4.低电压工作特性好,能在+3V~+22V之间工作。普及型激光唱机大多采用+5V供电,因此在不改动原机电源电压的情况下,选用NE5532比较理想。
5.价格低。性能价格比高。
二、更换电容
普及型激光唱机因受成本等因素的限制,电路中大量采用通用型的电容,如普通电解、普通涤纶电容、瓷片电容,这些电容虽然价格低廉,但性能不佳,在很大程度上影响了CD机的音质。要改善音质,有必要对这些电容更换。更换时,各人因条件而异可采用不同档次的电容,有条件的可选用进口高级补品电容,如法国SOLEN加膜聚丙烯音响专用电容、德国WIMA金属化聚丙烯电容、日本BLACK GATE音响专用电解电容,这些电容性能很好,但价格高,而且不易购到,因此也可选用国产无感聚丙烯电容,如CBB12系列、军品电解,效果都是很不错的,但要注意同类电容中,容量相同,耐压符合要求的情况下,尽量选用小体积电容,因为小体积电容的电感小。笔者在更换电容时,将所有的有源滤波级电容及LC7881与运放之间的两个1微法的耦合电解电容均换为同容量的日本NEC无感聚丙烯电容,整流滤波级的2200μF/16V电解换为两个并联的日本RUBYCON 3300μF/25V电解电容。
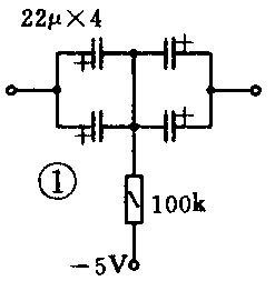
更换音频输出级电解电容(4.7μF)时,手头没有大容量的无极性电容或聚丙烯电容,因此暂时选用了手头现有的22μF钽电容,待以后觅得聚丙烯电容后,再予以更换。据资料介绍,实验表明电解电容串联使用时,两电容负极相连并且加以比较小的直流偏压时失真最小,因此笔者采用了图1所示的接法。

三、电源的改进
优秀的Hi—Fi器材,电源制作都是相当考究的。
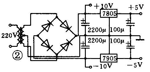
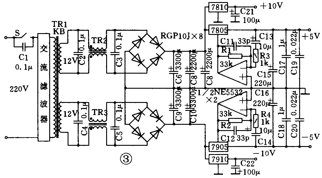
HCD—988型激光唱机的电源部分比较简单,如图2所示,不够发烧,因此笔者对其进行了较大幅度的改进,改进后的电源如图3所示。改进从以下几个方面进行:


1.使用交流滤波器。在市电电网中有很多干扰,如电火花、电磁干扰等,这些干扰对Hi—Fi器材来讲都是有害的,使用交流滤波器后可将这些干扰滤除,净化电源。笔者在变压器初级端串入了成品交流滤波器,次级输出端使用了同相滤波器。
2.更换变压器。原机采用变压器较小而且次级的两个绕组是连在一起的(如图2所示)。原机的这种接法势必会将交流中的100Hz哼声电流通过变压器次级中心抽头泄漏给电路,这样会增加哼声失真和互调失真。针对这种情况将变压器更换为次级为两个独立12V绕组的变压器,或者干脆采用两个次级为12V的变压器,而且适当增加电源变压器的功率,以增大电源变压器的功率储备,采用双桥整流电路。这样处理后,每个次级绕组都由自己的桥整流,正负电源完全独立,信号电流和波纹电流流经各自的回路,互不干扰,有效地消除了失真和噪声。
3.采用快恢复二极管整流,降低电源内阻,使电源的动态特性和瞬态失真得以改善,选用的二极管电流不能太小。笔者采用了彩电中使用的RGP10J作为整流二极管。
4.采用日本松下公司开发的直流有源伺服稳压电源,进一步降低电源在高频段的内阻,改善电源的高频特性,有源伺服电路的双运放采用NE5532。
5.考虑到整机正电源负担较负电源重,在正电源滤波电容上再加并一只2200μF/25V电解电容,增加正电源的供电能力,在电源输出端并接1μF和0.022μF无感聚丙烯电容,在音频运放正负电源脚附近分别对地并接0.1μF无感聚丙烯电容,进一步改善电源的高频特性。
6.更换退耦电容,将原机的退耦电解电容(100μF/10V)全部换为1000μF/I6V电解电容。
7.对7805、7905加装散热片,改善三端稳压的工作条件,同时减小因三端稳压发热而产生的热量对周围元器件的影响。
8.原机±10V为非稳压电源,给伺服电路和耳机放大电路供电,现采用三端稳压器7810、7910供电,提高这部分的供电质量。但要注意,必须提高原机变压器次级9V的电压。若购不到7810、7910,可采用LM317、LM337调压输出±10V,效果更佳。笔者将变压器次级改为12V,而且使用桥式整流、大电容滤波,因此整流滤波后的脉动电压可达16V。
电源部分经过这样改进后效果已经很不错了,若要进一步改进,电源变压器可采用次级为两个独立绕组的环形变压器,数码部分和模拟部分单独供电,适当提高电源的工作电压,增大电路的动态范围,电源变压器移到远离D/A转换器和音频电路的地方,在每个整流二极管两端并接0.0047μF/400V无极性电容,正负电源跟随输出,保证输出的正负电源对称。效果将会更好。
经过以上摩机,CD机的性能得到很大提高。用摩过的CD机驳接中联ALA功放,推动用深圳伟达喇叭制作的音箱,开机试听,好像换了一部机器,顿觉音场开阔,音质松软,高频解析力强,中频细腻通透,低频丰满且有力度,弹性也好,低音鼓的声音震撼人心,直逼胸口,而且定位准确性有了很大提高,播放宝丽金出版的JAMES LAST乐队演奏的《天堂之鸟》时,排萧的声音柔美无比,非常动人。 (杨新华)