CMOS—LED显示组合器件问世以来,在数字控制系统及各种数字仪表中广泛应用。但它存在一些缺点,例如在便携式仪表中使用功耗偏大;在强光照条件下发光管显示模糊。这里我们向读者推荐一种液晶(LCD)显示组件:LCL103、LCL104。该器件功耗≤0.3mA,在强光照下显示清晰,克服了LED组合器件的缺点,也可在野外便携式仪器仪表中应用。
CMOS—LCD显示组合器件概述
LCL103、2—10进制计数/寄存/译码驱动/LCD显示(带振荡器)逻辑框图见图1。

LCL104、2—10进制计数/寄存/译码驱动/LCD显示(带BCD码输出)逻辑框图见图2。

LCL103、LCL104功能介绍
1.计数器部分
计数器采用2—10进制同步计数器,有前沿时钟CP和后沿时钟E。由表1真值可知,CP为前沿工作方式时,E端接“1”电平;E为后沿工作方式时,CP端接“0”电平。计数器计数单元是四个D触发器,接成T型触发器形式。工作方式为每接受一个时钟脉冲触发器就翻转一次,即Q\(_{n}\)+1=Q-n。该计数器为同步计数器,每输入一个时钟脉冲,该翻转的触发器同时翻转,计数器的数码将同时输出。总清除控制端R为“1”电平作用,计数工作时R端接“0”电平。计数功能波形见图5。

2.寄存器部分
LCL103、LCL104包括有四位数据寄存器,见图6,当LE为“1”,LE-为“0”时,TG1导通,TG2截止,Vin信号无法进入,寄存器保持原状态。当LE为“0”,LE-为“1”,TG1截止,TG2导通,Vin信号经TG2、F2反相并输出,同时经F1反相至TG1入口等待,并保持数据现状态。

设置寄存器是避免计数器在工作时出现连续跳数现象,能将所需数据稳定显示,提高显示清晰度和采集数据的准确性。
3.七段译码器部分
译码器部分为BCD—七段译码器,它由十五个不同输入端的与门、与非门组成。显示器LCD数码管的对应笔段见图7。当BL消隐控制端为“0”时,正常显示。BL为“l”时,数字消隐。

4.无效零消隐部分
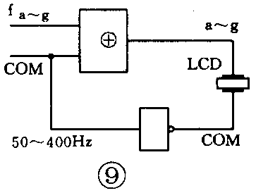
在通常数显应用时,常遇到无效零情况,如00.123中高位零是无效零,所以电路专门设计了无效零消隐逻辑。电原理见图8。由于LCD显示器必须采用动态控制方式,驱动部分电原理见图9。LCD显示器的工作波形见图10。根据工作波形,当在LCD两极间加相反电场时,即为显示态;加相同电场时为熄灭态。由于LCD显示器内阻≥10MΩ,工作时功耗极小,与低功耗CMOS相配合充分体现出其优点,而LCD显示器在亮场显示尤为清晰,非常适合在特定场合中使用。



典型应用
1.多位计数接法
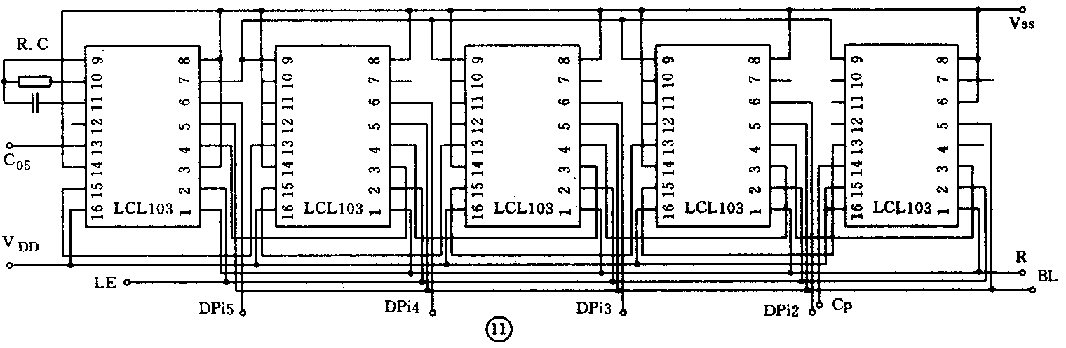
在多位级联数字显示计数时,连接见图11。被计数信号由最低位进入,CP为前沿,E为后沿。进位由低位C0端至高位E端,CP端置“0”电平。小数点DP定位由DPi置“1”电平点亮,“0”电平熄灭。R清零控制并接,置“1”电平为同步清零。

2.无效零消隐的接法
多位计数连接时,按图11所示,实现高位无效零消隐只须把最高位的BRi接“0”电平,RBO与逐低位的RBi相接,最低位的RBO悬空。最高位的RBi接“1”电平,则不实现无效零消隐功能。
3.产生交流方波的接法
LCL103在使用中只须外接RC元件即可,见图11。根据f=1/(2.2RC)选取R、C值,得到100~800Hz的振荡脉冲,经内部整形电路后产生50~400Hz的占空比为50%的方波信号。如果使用LCL104时,所需方波可外接振荡器实现,信号频率为50~400Hz,信号输入接法见图12。由外振荡器产生的信号如占空比大于50%过多时,最好能采用一级方法整形电路。(王建民 毕建新)





