这种新型实用数显式可逆定时控制器,取材方便,简单可靠,价格低廉,应用广泛。采用CMOS集成块,工作电压范围宽,抗干扰能力强,耗电小,体积小(整机用集成块最少)。
本机可控制用电器的电压范围是交直流3V~220V,电流范围是3mA~3A。稍加变动,就可适用于电压范围几伏~几百伏,电流范围几十毫安~几十安。
本机采用了可逆计数器和多级串行二进制计数器/分频器,所以它具有置数快(可任意选择),逆时计时慢(可任意选择)的特点。本机置数速率选为“秒”,可逆标准计时选为“分”(则倒计时),这样,当定时控制器减少到“0”分时,机器立即会自动切断您所需切断的用电器的电源,并锁定在此状态中。本机定时范围在0~99分钟(若实际需要扩展定时范围,只需增加极少元件,将多块可逆计数器进行级联,便可实现多位数定时)。
这个可逆定时控制器只需一个置数按键SB(一般数显定时器都有多个置数开关),便可实现多位数的任意定值。
新型实用数显式可逆定时控制器的工作原理框图如1所示。

从工作原理框图可知,新型实用数显示式可逆定时控制器主要由置数开关,振荡器,分频器,门控F,可逆计数器,数码数显器及用电执行机构组成。
其工作流程是:当按下置数开关SB时(门电路一端出现高电位),由振荡器、分频器产生的钟信号立即被门控F传输给可逆计数器的相加端CU(9脚),于是数显器被点亮,显示出您需要的定时数值。
当放开按键开关时(复原位),可逆计数器就按“分”的标准速度开始做减法计时(即倒计时,如原数码显示器显示“5”,1分钟后,显示器立即亮出4,即5……4……3……0),一直减到显示器显示数值为“0”。与此同时,可逆计数器输出一个切断所需要切断的用电器电源的信号,该信号同时又把可逆计数器的减法控制门锁住(即减法CD端无计数信号出现)。所以,这时数显器显示“0”,用电器也停止工作了;直到再次启动置数开关,定时器才又开始按您所需的定时时间进行工作。
因为该可逆定时器是由振荡器产生一个频率稳定的振荡脉冲,经分频器进行N级分频,然后由分频器输出端通过门控送入计数器进行计时,所以定时器的精度就决定于振荡器的精度了。而该可逆定时器的振荡电路是采用了RC振荡电路,其特点是成本低,易制作,但精度较LC或晶体振荡器低,一般只有1×10\(^{-}\)3左右。LC振荡器的精度在1×10-4左右,如要求精度高于1×10\(^{-}\)5时,则要采用晶体振荡器。
图2中(A),(B)分别为RC和晶体振荡器的原理图。F为反相器。

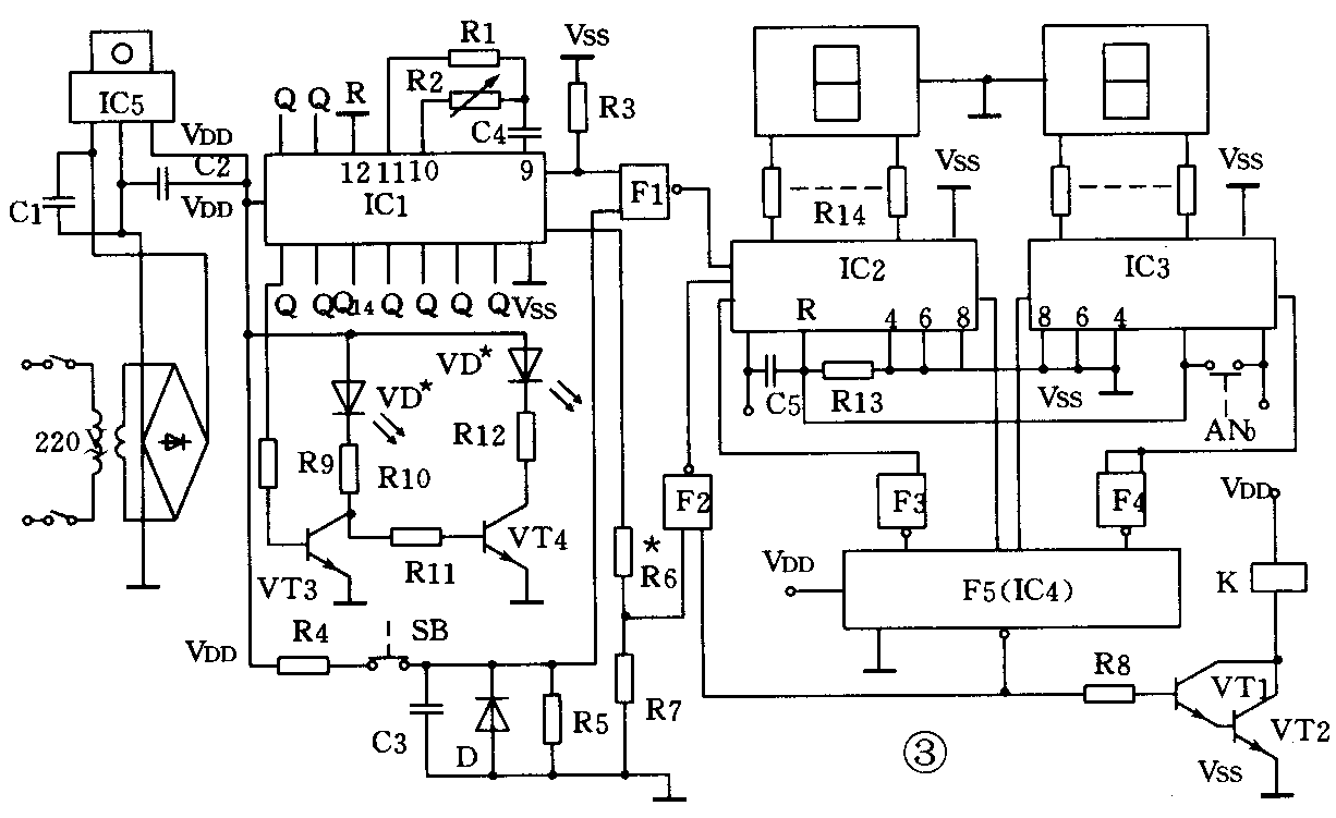
电路图如图3所示。IC1采用CD4060CMOS集成电路,其内部包括环形振荡器和14级串行二进制计数器/分频器,使用时只需在外部加几个元件就可以实现振荡器加分频的功能。图3上的9脚、10脚、11脚所接的R1、可变电阻R2、以及电容C3几个元件,就是该可逆定时控制器的振荡频率产生器,调节R2电阻,可以改变分频器的输出频率,达到校准计时的目的。当复位端R(12脚)接低电平时,启动电源,电路就能正常工作。

从CD4060的引线排列可以看出,它的3脚(Q14)为14级分频输出端,它还有不同级数的分频输出端(10个),可任意选择使用。
可逆计数器CD40110(IC2,IC3)集双时钟十进制可逆计数/译码/锁存/驱动器为一体。在电路原理图中仅画出二位计数,可根据需要将多块CD40110进行级联,同时分别和计数电路的时钟脉冲输入端CU和CD相接,就可以制成多位数显式可逆定时器。只要满足CU端上有“上跳脉冲”输入这个条件,该可逆计数器就作加法计数;如满足CD端上有“上跳脉冲”输入这个条件,该可逆计数器就作减法计数。
只要将CD40110的a~g7个输出端,经限流电阻(R14为2k)分别和共阴极的LED数码管a~g对应相接,数码管便可显示所计之数值。因该片在多种杂志上(如“无线电”等刊)有详细的介绍,在这里就不多赘述了。
门控F是由CMOS与非门和CMOS四输入一输出的与非门组成。其作用分别介绍如下:
CD4011就是电路原理图3中的F1,F2,F3,F4。
F1的作用是:a.确保输出“上跳脉冲”给CU端。b.传输“置数开关”动作时所产生的开门脉冲,使时钟脉冲按“SB”之动作拍节,进入可逆计数器。
在“SB”端(即F1门的8脚端)接有D、R5、电容C3,这是防抖动电路,电阻、电容值与抖动频率有关。
F2与F1的作用类似(不多谈了)但F1是相加信号;F2是相减信号,F1是置数脉冲,F2是锁定和开门脉冲。
F3和F4起“反相”的作用。为什么要反相呢?请看下面数显器所亮阿拉伯字“1,2,…,9,0”时笔划其值表见图4。

从CMOS元件手册中得知,可逆计数器CD40110内计数器是采用“约翰逊计数器”结构的。时钟信号经过“预处理”后,使R—S触发器翻转,以决定计数器按加法方式还是按减法方式工作。电路输出除驱动7段显示器件外,尚有借位(QBO)和进位(QCO)脉冲信号输出,在设计“新型实用数显式可逆定时控制器”时,开头是利用QBO进位脉冲信号来切断用电器工作电源的。同时让数显器锁住在显示“0”的状态。结果不但没有达到目的,反而造成数显器显示“00”时,可逆定时控制器没有输出切断用电器的讯号脉冲,用电器还在继续工作,约一分钟后,显示出“99”时,才有关断用电器的信号脉冲输出,并锁定在此状态中。这就使用户不习惯,因为人们日常生产中都是到了显示“00”时,就同时要使用电器停止工作。当然,现在已有很多这方面的专用集成块,它在有切断脉冲信号输出时,数显器也同时显示“00”,利用这个脉冲来关门,就可以锁住在此状态中。但可逆计数器“CD40110”没有这个信号输出,经仔细研究数码管笔划“亮”与“熄”“真值表”,问题得到了解决。
由真值表得知:要显示“0”时,只要数显器7段的“g”为“0”,其它笔划为1;在显示“99”时,若要迫使它改变显示成“00”的状态,必须将“g”反相,这个信号和a、b、c、d、f中任何一个信号“相与”,就可达到这一目的。因此,F3和F4将个位数的“g”和十位数的“g”同时“反相”,再与“f”这个信号相与,利用CD4012这个四输入与门集成块,就可实现显示“00”这种状态。与此同时,数显式可逆定时控制器输出“关门”信号脉冲,驱动执行机构,关断用电器电源,并锁定在此状态中。可逆计数器的印刷电路板图见图5a、b。(童世玮)
