本文介绍的LED数字钟是国际上较流行的电子钟电路M55501,采用P—MOS制成。它具有功耗小,电源电压低,驱动光亮度大,计时精度高,功能扩展及应用领域范围广,安装和调试简便等优点。与LM8361、MM5387AA等内电路基本相同,但在调校功能上更加合理,时、分位调校既可以进又可以退。适合家庭、工厂、学校、机场、码头等使用,是自动控制配套较为理想的大规模集成化元件。如与RAM2114存储器配套,即可制作成一套数字钟时间程序控制器,通过程序编制,可以实现控制多路负载的工作时间;再如与T6668单片语言电路配套又可以制作一台数显钟控自动语言录放音机。
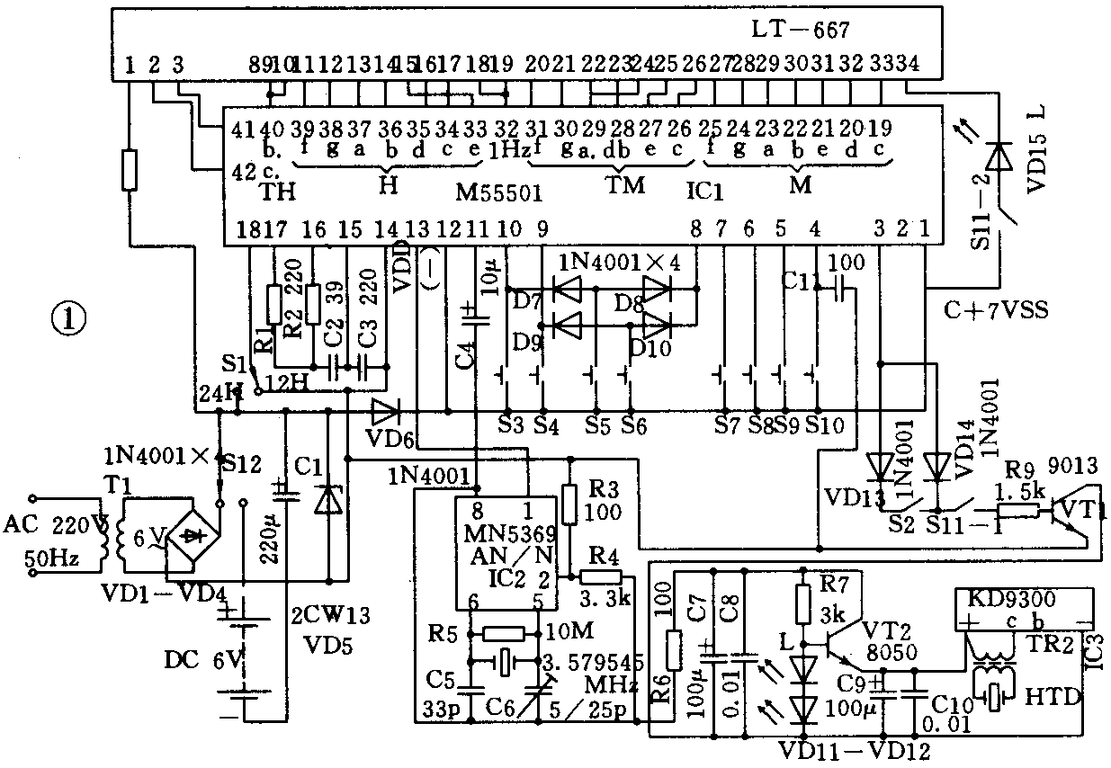
数字钟由电源(交、直流两用)、大规模集成电路M55501、发光数码显示屏LT-667(或FR-1049-11T)、60HZ时基信号源分频电路MM5369AA/N和KD9300音乐报警电路组成。电原理图见图1。

数字钟时基信号由MM5369AA/N和HC-18晶体振荡组成分频电路,将频率3.579545MHZ进行多级分频在IC2第①脚输出一个频率为60HZ的方波脉冲信号,提供给IC1第③脚,经内电路驱动时钟“秒”计数器。“秒”计数器是60进制计数器,它每输入满60个脉冲即向“分”位提供一个脉冲,去驱动“分”计数器。“分”计数器也是60进制计数器,它每输入60个脉冲,触发“时”计数器,而“时”计数器则是12进制计数器。IC2第②脚为电源分压输入端,利用R3、R4分压。当电源电压低于6V时可适当减小R3的阻值,过高时加大R3的阻值,以控制IC2第①脚的脉冲方波。
该电路闹输出的设定由IC1M55501第⑦脚输入。当IC1第⑦脚接至高电位时,其电路内只让闹的“分”、“时”计数器读数进入译码器,直接可以在显示屏LT-667上显示出闹钟的预定设置时间。设置调校应同时将IC1第⑩脚或第⑧脚、第⑨脚分别接高电位,进行调校进分、退分、进时、退时。在时钟时间与闹钟预定设置时间相一致时候,IC1内电路中闹比较器输出脉冲信号,去触发闹定时电路。这时IC1第③脚由原来的低电位转为高电平,经VD14、R9触发电子开关管VT1饱和导通,VT1发射极接电源负极VDD,导通后由集电极输出,作为IC3的负电源,所以当VT1截止时IC3也就不工作。VT2为稳压调整管,基准电压由VD11、VD12串联后利用其管压降特性,保证VT2发射极输出3V电压,提供给IC3 KD-9300音乐片作为工作电压。另外音乐片输出端可接场声器,但电流大于60mA,在闹时显示屏的亮度会随音乐输出的高低出现或亮或暗。如输出端用HTD压电陶瓷蜂鸣器,需接上TR2音频输出变压器(利用晶体管收音机的输出变压器即可)进行输出阻抗匹配。此外IC1的报警输出的外围电路还可按图2所示连接,在VT1的集电极接直流型继电器去控制带动功率较大的电源负载。

在报警时如不按S10,报警时间一直将延续至59分后停止,按下S10报警即停;如在报警时按S9即报警处于暂停状态,打盹9分钟后再次报警。如按S8可以在59分钟之内任意设定睡眠时间,到设定时间后又自动转入报警。利用上述这几个报警功能,还可以对数字电子钟的用途进行扩展。
M55501数字钟的典型工作电压为4~4.5V,集成电路脚位排列及功能说明见图3所示。使用时按S3为前进校“分”位,按S4为前进校“时”位;按S5为后退校“分”位,按S6为后退校“时”。(李可为)
