随着科技的进步,近年来通信业如雨后春笋般蓬勃发展起来。国外,一些大型的通信业务公司已把今后的最终目标定为实现全球个人通信系统。
无线寻呼,亦叫无线传呼(英语叫“ Radio Pagers”),而无线寻呼机,则叫作Call机、BP机、BB机,袖珍铃。它虽然在使用上有区域性(那只在服务范围内有效),信号传输单向性的限制,但毕竟也是一种有效的个人通信工具。鉴于其经济、高效、方便且占用频带窄等优点,极适合现时我国国情,所以使用日见普及。在北京、深圳、广州等大城市,使用无线寻呼机者处处可见,寻呼业务、区域亦由80年代的单一城市发展至多市联网,现在广东和香港亦已实现了港粤联网传呼服务,传输速率由现时的512bit/s,1200bit/s向2400bit/s过渡,日后可能发展成6150bit/s。
一、无线寻呼系统工作的基本过程:
无线寻呼过程一般为(参见图1):寻呼者要寻呼被寻呼者(即寻呼机主),必须通过电话告诉传呼台被寻呼的号码,本人姓氏,电话或简短信息(留言),则被寻呼者BB机在服务范围内收到信号后即响应,被寻呼者根据BB机的信息,直接回电寻呼者或向寻呼台查询,而对中文机,一些不太长的中文信息可在机上直接看到。

一般来讲,传呼服务台都用联网微机处理各个要传送的信息,并由电脑自动编码。除了将被呼叫的BB机号码变成相应的地址码,将要传送的信息变成相应的报文代码外,亦要把这些码在整体上编排,并加插其它一些信号,形成后,再送到各发射站,经过适当延时同步处理后发送出去。发射的载波频率现时一般都以使用138~174MHz频段为主,而占用频宽小于25kHz,但却能服务于数万到数十万个用户,无线频谱资源得到了很充分的利用。
二、无线寻呼机的电路工作原理:
一般现时最多使用的BB机种是美国摩托罗拉(Motorola)公司产的八达数码机(BRAVO PLUS),八达中文机(ADVISOR MESSAGE RECEIVERS),而其它厂家的寻呼机,与此大同小异。下面以八达数码机为例作介绍。
无论是中文机,还是数码BB机,其电路都可分为无线电接收部分和解码部分,而且常常将这两部分分开成两块电路板制作,八达机也如此,并且中文机及数字机都使用同一类型接收板,只是解码部分各异。
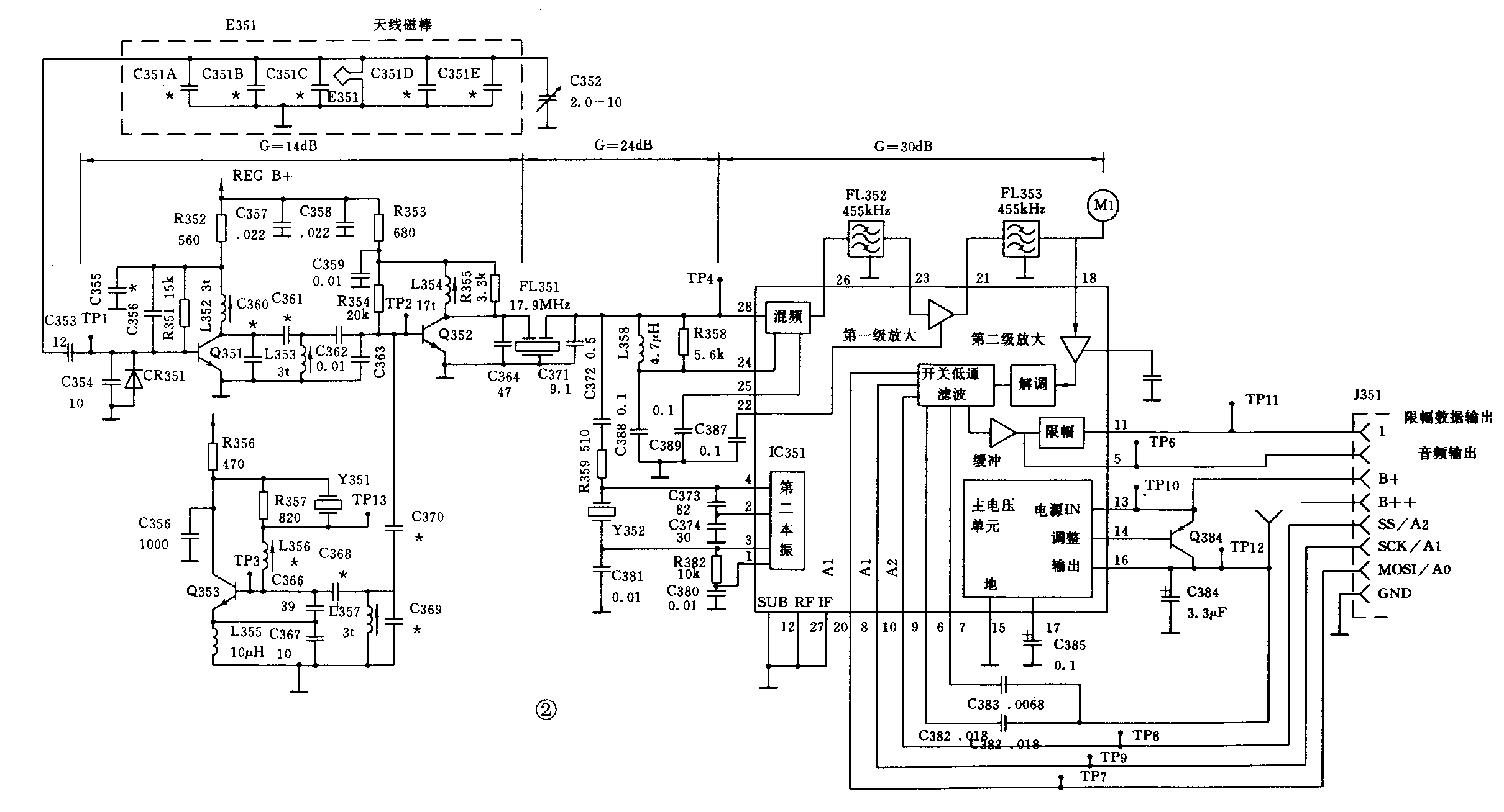
图2为八达机用的接收电路。接收头为二中频超外差式,除天线、高放、第一本振外,其余部分都由一块集成电路组成。因体积和结构限制,接收头天线由一块特制的小磁棒及包在其外的一块金属片组成(相当于电感),即图2中的E351,并与C352构成一并联谐振LC回路(亦因无线的限制,接收机的灵敏度只在4μV/m~5μV/m,所以需要较大功率的发射站来保证正常工作),第一、二中频分别为17.9MHz和455kHz。第一本振频率决定了接收机的载波频率,一般是向厂家订购时提出使用的频率,在生产时直接装焊上的。经各级放大、解调和限幅整形处理后,就由八脚接口中的第4脚输出给解码板。

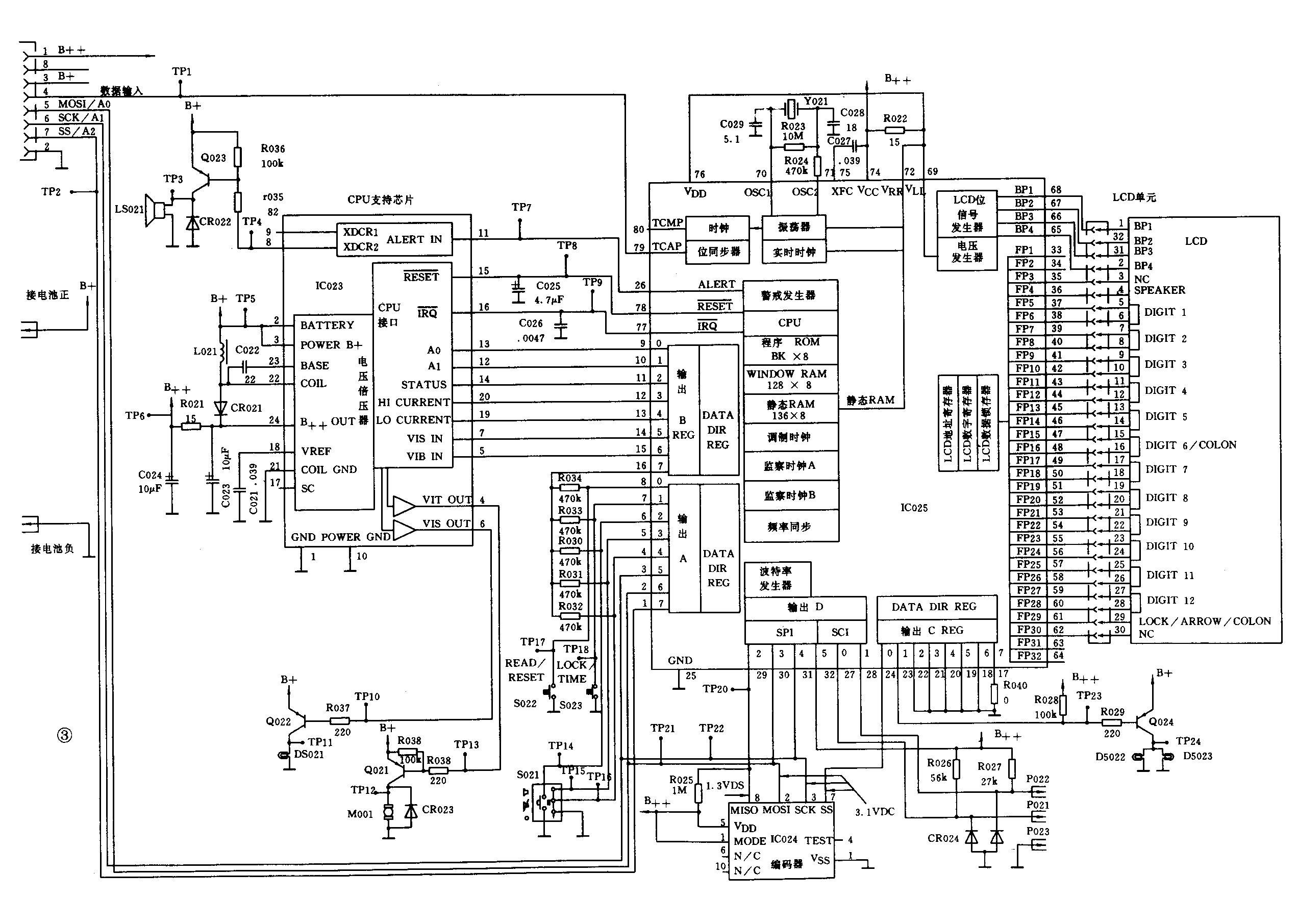
图3为八达数码机的解码板电路,主要由专用的芯片组成,IC025为一单片微机(CPU),解码程序由它完成。IC023,为CPU的接口支持芯片,负责驱动蜂鸣器,振动电机和灯光,而IC024为一块存储地址编码的存储器,是E2PROM,可由P021~023用三线接口由专用读写器写入和更改,地址有四个,收到其中任意一个时,微机均响应,并发出不同的呼叫声,以示区别。

一般的机子里都有一个叫节电电路,使机子里的一些部件进行间歇性工作,详见编码部分。
三、编码方式
一般来讲寻呼号与寻呼机的地址不是一样的,呼号是经服务台的电脑转换成一个相应的地址而传送的。BB机在特定帧里每收到一个地址就分别与机内多个地址校对,符合则响应。BB机内一般都有一个个人信息地址和一个公共信息地址,个人信息地址是因机各异的,而公共信息地址则是所有开通了公共信息的BB机共享一个的,从而实现了公共信息也只需占用一个个人信息的时间段就能传送至成千上万台BB机。另外亦可用其中一两个地址作为某种类型的小组地址或特定信息地址。
现时寻呼系统使用着多种寻呼编码方式,但使用Pocsag代码的占绝大部分。此码为80年代英国邮政总局发表的,使用此码的原因主要是:传送效率高;与寻呼机的节电电路配合使用使寻呼机更节省电池。
发射信号格式见图4。第一部分是前缀,由576位重复的101010信号组成,使解码电路能进行同步。接着是一批接一批的数码,每一批都由FS(Frame Syn-chronlztion Code)帧同步信号开头,它由32位[01111100110100100001010111011000]组成。后面跟着8帧信号,而每帧信号又包含了2个代码字,每个代码字格式见表1,并用每帧信号的第一位电平高低来区分是地址代码字还是传输报文代码字。


1.地址代码字的结构
每个地址由21比特位组成,每个地址代码字中的第2到19比特位用来表示地址的第4到21的高18位,而最低3位,并不直接传送,而由地址码所在的帧在每一批数据中的帧次来表示。例如要发送一个地址:1234567(八进制),只发送123456(八进制),并将地址码安排在第7帧里,即按末位来安排地址码出现的帧次。因此,每个地址码都是在0至221—1之间,地址码字中的第20、21功能比特,是用来指定寻呼机四个地址的一个,见表2。实际上亦可看作是地址码最高位部分。因此,用POCSAG码,最多可寻呼223(838万)个地址。而且因寻呼机已知自己的地址,接收时由地址最低三比特来确定,只接收8帧中的一帧及同步头,其余7帧在节电电路控制下关掉部分电路电源,以节省电池。

2.报文代码字
每个报文代码字以“1”开头,多个报文代码字顺序连在一起,并直接跟在地址代码字后面。报文代码字至少要占用一个代码字的长度,下一个地址码可能因此不能在此批数据中得到特定帧次,而要推到下一批中。此时一般由电脑软件作适当的编排把后面某些要发送的数据提前,从而减少出现空隙,而空隙则要用特定的空闲地址码填补上。
报文一般用数字符号表示,4比特传送一个符号(见表3)。每个代码字传送5个字符,一帧就能传送10个字符,一个报文一般最多为24字符,所以,连上地址代码字,三帧内即可送完一条信息。

3.每一字32比特中只有21比特位是传送信息的,而第22到31位为BCH校验码,它能找出一位错误并更正。第32位为奇偶校验位。
四、使用及维修常识
一般来说,每位用户购机后,均附一本使用小手册及数码代码表,用户可根据手册指示进行调校。
寻呼机一般都不能抵受强力冲击及不能防水,因而跌坏及进水造成故障经常会遇到。跌坏的机中最常见的是坏晶振、LCD屏幕,有时亦会令印制板部分断裂,因零件都是表面封装的,而且专用器件为多,零件不易替换,业余条件下维修显得难度较大,不易修复,一般要送回服务总台修理。而进水的,一般来说拆开用风筒吹干即可。(骆航)