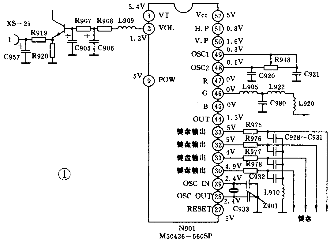
M50436—560SP是日本三菱公司在80年代开发出的电视机专用4位单片遥控微处理器(见图1),是我国优选的几种遥控器之一。它的内部电路除含有中央处理机(CPU)之外,还含有屏幕显示控制电路和字符发生器。它与可编只读存储器M58655P、红外线遥控发射集成电路M50462AP、接收前置放大集成电路CX20106A及各芯片外围电路组成三菱遥控系统。下面以北京电视机厂生产的牡丹54C3A彩色电视机为例,举出几例维修实例,供读者参考。

例1 故障现象:按下电源开关,无光无声,电视机面板上的红指示灯亮。按下预备开关,状况仍是如此。
分析与检修:开机后无光无声,一般是电源、行输出、中心控制系统出现故障。现检测电源、行输出部分正常,故障很可能在中心控制电路。首先查中央微处理器M50436—560SP⑨脚电源开关电压,正常时为高电平(开机指令),现测为0V。进一步检查引起⑨脚低电平的几个关键点电位,测电源电压为5V,正常;测复位电平为5V,正常;用示波器观察时钟振荡信号,为4MHZ的正弦波,正常;用示波器依次观察键盘扫描输出信号,应有5Vp-p的负脉冲信号,现测无负脉冲信号,怀疑C928~C931漏电,更换之,故障排除。
例2 故障现象:按遥控器或面板上的按键,电视机受到控制,图、声正常,但屏幕上无绿字符显示,红字符显示正常。
分析与检修:当屏幕显示正常时,M50436-560SP在无信号时输出为低电平,有信号时输出为高电平。输出显示B字符脉冲,输出显示G字符脉冲,输出显示R字符脉冲。必须有6~7MHZ振荡信号,是屏上显示控制器的振荡输出,是振荡输入。必须有场脉冲信号,必须有行脉冲信号。现用示波器观察振荡信号正常,场、行脉冲正常。查外围电路,发现L920虚焊,焊好,故障排除。
例3 故障现象:开机后图、声正常,字符显示位置偏左。
分析与检修:字符在屏幕上显示的位置是由输入到M50436-560P场、行同步脉冲和显示时钟频率确定的,调整M50436—560SP外接的RC电路,就可以改变显示时钟频率。现字符位置不对,调整R948,故障排除。
例4 故障现象:开机后,图像正常,伴音音量不受控。手动、遥控音量键,音量不变化。
分析与检修:当按下遥控或手动音量“+”、“-”键时,M50436—5670SP②脚电压能够变化,进一步检测②脚所接驱动电路,发现三极管V941发射极电阻R920开路,更换之,故障排除。
例5 故障现象:看完电视关机后,再开机原来选好频道的节目没有了,需要重新选择。对选择好的电视节目不能记忆存储。
分析与检修:这种现象说明了记忆存储器M58655P(见图2)出现了故障,使该机失去了记忆功能,不能将上次关机时的工作状态存储下来,供下次开机时调用。现测M58655P①脚电压为5V,正常。②脚电压为-30V,正常。开机时-30V稍滞后+5V,现怀疑两个电压的时序关系有错误,更换C937,故障排除。

例6 故障现象:按自动搜索键时,无论是哪个频道,在自动选台至节目出现后,节目只稳定1至2秒钟就跑掉,然后机器又自动搜索,周而复始。
分析与检修:这种现象大多数是由于输入到微处理器M50436-560SP的检测信号不正常造成的。为了区别是由于38MHZ中频频率偏移,还是AFT鉴相器调谐电路失谐造成的,检修时先把AFT开关打到OFF位置,用手动调谐,若调出的电视节目图像飘忽不定,一般是38MHZ中频频率偏移,影响了检波效果,使AN5435脚输出的复合同步脉冲不正常,进而使输入到M50436—560SP的复合同步脉冲不正常,造成自动搜索时图像锁不住。这时用无感小螺丝刀微调AN5132⑧、⑨脚外接的L104,故障即可排除。若手动调出的图像质量很好,按下AFT开关至ON位置时,图像质量变差,一般是由于AFT鉴相器调谐电路失谐,这时可微调AN5132⑦、⑩脚外接的L151,使图像质量最佳,一般即可排除故障。现手动调出的电视节目图像质量不好,可判断是38MHZ中频偏移,微调L104,使图像质量最佳,再按自动搜索键,一切正常。需要注意的是,若这时自动搜索仍不正常,可再微调L151,一般情况下即可排除故障。因为在自动搜索时,AFT电路自动处于断开状态,当调谐搜索结束时,AFT电路恢复工作,从AN5132⑥脚输出的AFT信号加到高频调谐器的AFT输入端,同时从AN5132⑥脚输出的AFT信号还加到M50436-560SP的,微处理器根据其变化确定最佳调谐点。在正常收看电视节目时,AFT开关可以人为地选择,一般选接通状态。(刘松和 王书元)