许多读者都用市售的整流电源作为小型收放机、“随身听”的外接电源。由于这种整流电源仅采用电解电容器进行滤波,因此输出的直流电压中残留很高的纹波,并且放声中出现交流哼声等。我们采用加稳压电源或电子滤波器对其进行改造,取得较好效果。
一、固定输出整流电源的改进
(1)输出电压正极性的电源
这里以作随身听外接电源的9V整流器为例。如电源为负极接地,即输出电压是正极性的,可以如图1所示,在此电源输出端加三端稳压器7805。可用78M05或78L05,视电流大小选用。图1中VD为降压用,这样输出电压为5V-0.7V=4.3V,这样可以满足“随身听”所需的4.5V电压的需要。图1中电容C可以去除高频干扰。

如果所购的整流电源与“随身听”所需电压比较接近,则不能用三端稳压器,而只能用加电子滤波器方法进行改造,如图2所示。这样输出电压仅比输入电压低0.7V。图2中晶体管β以大于100为好。

(2)输出电压负极性的电源
如果这种整流电源输出电压为8~9V,它可用加装7905三端稳压器进行改造,如图3所示。如果此输出负极性电压较低,与“随身听”所需电压接近时,只能用图4所示电子滤波器电路进行改造,这时输出电压比输入电压低0.2~0.3V。图4中功率管3AX83的β值要求大些。若用8550晶体管,则输出电压要减去0.7V,可用于工作电压为4.5V的“随身听”。


二、可调式整流电源的改造
在可调式整流电源输出端接上三端可调集成稳压器,可改进性能。稳压器可选SW317或SW117,见图5所示,此电路要求输入电压比输出端电压高3V。例如需要得到6V的工作电压,则输入端电压必须大于9V或正好为9V,这样图6电路输出端电压可以在1.25~6V之间连续可调。RP是调节电位器,R1是取样电阻,C2电容器作防振荡用,VD5为C3旁路放电时作通路,VD5、VD6起保护稳压器的作用。


三、抑制调制交流声
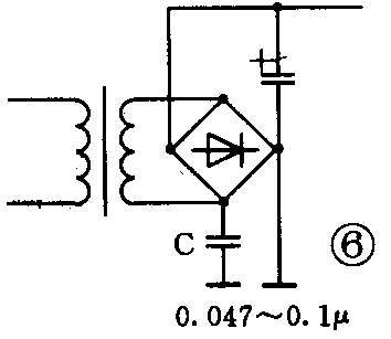
有些整流电源即使加了电子滤波器使交流纹波得以抑制,但在听收音机时发现无电台广播时没有交流声,而有播音时,却伴随着出现交流声,这种声音称为调制交流声。这往往是整流电源的变压器的初、次级之间隔离层接地端脱焊,或没有隔离层而引起的。检查时可注意隔离层的接地情况。如果变压器无隔离层或隔离层的接地端已在变压器中齐根断裂,无法焊接,则可如图6所示在变压器次级线圈对地接一个0.047~0.1μF的电容器,这样就能起到抑制调制交流声的作用。
四、分立元件稳压电源的改造
分立元件组成的稳压电源,由于元器件老化或变质,极易出现噪声大、输出直流电压不稳定等毛病。如果用三端稳压器来代替部分电路,就能改进稳压电源的质量。下面举例介绍如何灵活改进老式稳压电源。
(1)应用正极性输出的三端稳压器
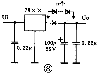
图7是常见老式分立元件的稳压电源,虚线右部是取样调整输出部分。这部分电路如用7805稳压器代替,则稳压电源的电路见图8。此电路中要求输入端电压Ui比输出电压Uo高3V即可。


(2)应用负极性输出的三端稳压器
如果仅有负极性输出的79××系列三端稳压器,这时要将图7虚线左边的整流滤波部分的正端接地,负端作Ui输入端。
(3)如三端稳压器的输出电压Uo比所需要的电压值高,可按图8所示在输出端的“×”处串接几个二极管。由于每个二极管管压降为0.7V,那么输出电压U=Uo-0.7n。应注意所用二极管的额定工作电流必须大于所需电流。
(4)如三端稳压器的输出电压Uo比所需要的电压值低,可按图9a所示在稳压器的接地端串进一个稳压管VD或几个二极管,这样输出电压U=Uo+U\(_{VD}\)或U=Uo+0.7n。电路中二极管VD1起保护稳压器的作用。

(5)如要求输出可调,可按图9b所示连接电路,调整微调电阻RP,即可改变三极管VT的U\(_{CE}\),于是输出电压U=Uo+UCE。(张国华)