驻极体话筒具有体积小、结构简单、电声性能好、价格低的特点,广泛用于盒式录音机、无线话筒及声控等电路中。
驻极体话筒由声电转换和阻抗变换两部分组成。它的内部结构如图1所示。

声电转换的关键元件是驻极体振动膜。它是一片极薄的塑料膜片,在其中一面蒸发上一层纯金薄膜。然后再经过高压电场驻极后,两面分别驻有异性电荷。膜片的蒸金面向外,与金属外壳相连通。膜片的另一面与金属极板之间用薄的绝缘衬圈隔离开。这样,蒸金膜与金属极板之间就形成一个电容。当驻极体膜片遇到声波振动时,引起电容两端的电场发生变化,从而产生了随声波变化而变化的交变电压。
驻极体膜片与金属极板之间的电容量比较小,一般为几十pF。因而它的输出阻抗值很高(X\(_{c}\)=1/2πfc),约几十兆欧以上。这样高的阻抗是不能直接与音频放大器相匹配的。所以在话筒内接入一只结型场效应晶体三极管来进行阻抗变换。场效应管的特点是输入阻抗极高、噪声系数低。普通场效应管有源极(S)、栅极(G)和漏极(D)三个极。这里使用的是在内部源极和栅极间再复合一只二极管的专用场效应管,见图2。接二极管的目的是在场效应管受强信号冲击时起保护作用。场效应管的栅极接金属极板。这样,驻极体话筒的输出线便有三根。即源极S,一般用蓝色塑线;漏极D,一般用红色塑料线和连接金属外壳的编织屏蔽线。

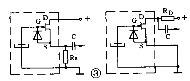
驻极体话筒与电路的接法有两种:源极输出与漏极输出,见图3所示。

源极输出类似晶体三极管的射极输出。需用三根引出线。漏极D接电源正极。源极S与地之间接一电阻R\(_{S}\)来提供源极电压,信号由源极经电容C输出。编织线接地起屏蔽作用。源极输出的输出阻抗小于2kΩ,电路比较稳定,动态范围大。但输出信号比漏极输出小。
漏极输出类似晶体三极管的共发射极放大器。只需两根引出线。漏极D与电源正极间接一漏极电阻R\(_{D}\),信号由漏极D经电容C输出。源极S与编织线一起接地。漏极输出有电压增益,因而话筒灵敏度比源极输出时要高,但电路动态范围略小。
R\(_{S}\)和RD的大小要根据电源电压大小来决定。一般可在2.2~5.1kΩ间选用。例如电源电压为6V时,R\(_{S}\)为4.7kΩ,RD为2.2kΩ。图3输出电路中,若电源为正极接地时,只须将D、S对换一下,仍可成为源、漏极输出。
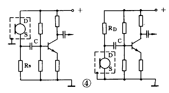
图4为一声控电路前置放大级中驻极体话筒的源极输出和漏极输出的两种不同的接法。

最后要说明一点,不管是源极输出或漏极输出,驻极体话筒必须提供直流电压才能工作,因为它内部装有场效应管。(谈小元)