LC6020集成电路是专为黑白电视机实现遥控功能而设计的。LC6020和LC2190两块集成电路相互配合可方便地利用红外光调制进行遥控发射和接收(LC2190的特点和性能在本刊第9期已作介绍)。
LC6020具有信号解码和误码识别功能,其抗干扰性好,功耗小,成本低,能进行电源开关、静噪消音开关、数模转换音量增减控制和频道互锁增减选择等功能的控制。输入采用按键开关,可以通过遥控器作遥控输入,也可利用机上按键直接手动输入。

图1是LC6020内部框图。输入信号经缓冲整形后由“解码”输出各路控制信号。“出错检测”能对输入信号进行逐串比较:前后相同则解码有效;不相同则自动清除。定时电路能产生锁存控制信号,使输入信号经解码后能被正确锁存。“开机预置”可在接通电源时使输出锁存为低电平,而D/A转换被预置在3bit处,使音量控制输出端V\(_{R}\)有一个起始电平,以便开机时略有音量输出(不致开机无声)。LC6020的自锁输出有两路,一路用于电源开关控制(OFF/ON-端),另一路用于消音控制(静噪Mute端由内部进行连接,不引出)。互销输出有八路,适用于八个频道的选择。互锁输出采用加减计数器进行控制。

图2是LC6020的引出端排列和外围元件连接图。图中K\(_{+}\)和K-为机上手控频道选择按键,每按动一次按键,接收频道在相邻位置上变动一次。K\(_{U}\)和KD为机上手控音量大小选择按键,每按动一次K\(_{U}\),音量增加一级,反之按动KD,则音量减小一级(整个音量增减分为32级)。由于R\(_{1}\)C3和R\(_{2}\)C4是组成2~5Hz的振荡器,只要K\(_{U}\)或KD被按下未松开,则振荡将连续进行,从而音量也将连续增减。电容C\(_{3}\),C4连接至+V\(_{CC}\)端而不是地端,是为防止C3,C\(_{4}\)的漏电阻(在接地时)引起寄生振荡。电容C1和C\(_{2}\)是按键触点防跳动电容。遥控信号由IN端输入。定时电容C5则连接在CT端。
LC6020的电源电压范围为+3V~+12V,典型应用为+9V。静态电源电流小于10μA。输出驱动电流I\(_{OH}\)≥2mA,IOL≥1mA。模拟控制电压输出范围为0~V\(_{CC}\)。

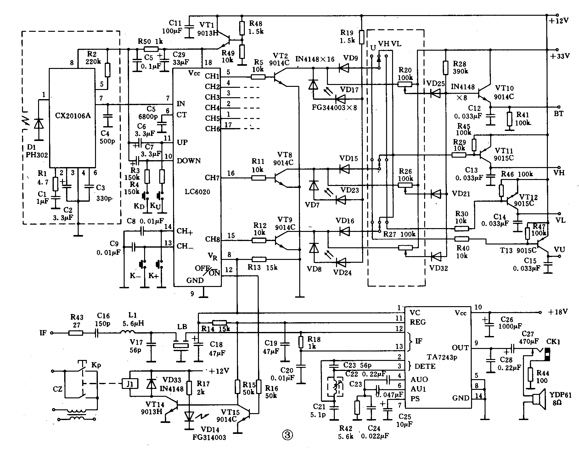
图3为遥控频道和遥控音量的黑白电视机部分典型线路图。图中红外调制光信号解调前置放大电路采用CX20106A,接收电路为LC6020,伴音检波和功放电路为TA7243P。采用电调谐高频头和八频道预选器。选台时,CH\(_{1}\)…CH8中有一路为高电平,从而VT2…VT9中有一个对应的晶体管被通导,结果在预选电位器R\(_{2}\)0…R27上得到一个对应的调谐电压并由BT端输出。频段切换由VT11~VT13完成,并由VH,VL和VU端输出。LED发光二极管D\(_{17}\)…D24指示被选中的频道。
VT1提供9V电压给LC6020,并由R\(_{5}\)0降压至5V后供给CX20106A。功放级电源电压为18V,通过内部稳压后由11端输出6V电压,供给VT15负载R15和V\(_{R}\)上拉电阻R14。R\(_{14}\)的设置使VR端的最低输出电平接近于功放电路TA7243P输出音量的截止控制电平,约3~4V。
整机电源通断采用交流开关。当按下电源开关K\(_{P}\)后,电路被供电,LC6020自动建立初始状态,使OFF/ON-端为低电平,从而VT15截止VT14通导,继电器J1吸合并自锁。当遥控信号使OFF/ON-端变为高电平时,VT15通导VT14截止,则J\(_{1}\)松开,电源切断。D34为电源开关指示LED。(路民峰)