问:一台遥控彩电,发现集成块CX20106A损坏,如何代换?
答:CX20106A是日本索尼公司生产的彩电遥控接收专用集成电路,其内部包括前置放大、限幅器、带通放大器、信号检波及整形等电路。该块用于多种彩电的红外遥控接收电路中,损坏后可用日本NEC公司生产的μPC1490HA直接代换,只是二者的引脚顺序正好相反,即CX20106A的①~⑧脚对应于μPC1490HA的⑧~①脚,代换时只需将μPC1490HA调转180°角插入即可。(彬彬)
问:一台NEC(日电)CT—1803PD(S)型彩色电视机,伴音正常,图像出现花纹状扭曲,调整天线、频率微调,有时可获得稳定的图像,但一会儿又不同步。怀疑高频头、声表面滤波器有问题,更换之,故障依旧,请问应如何检修?
答:这不是高频头、声表面滤波器有问题,而是由于视频检波器T201的参数发生变化,引起视频检波电路中的37MHz中频载频回路失谐所致。可用无感螺丝刀微调T201的磁芯(记住原位),看图像能否好转。若磁芯调到底仍不能好转,一般情况是T201中安装的小电容容量衰减,可在IC201脚之间接一个30pF高频瓷介电容,再微调T201的磁芯,故障即可排除。(刘松和)
问:修理一台维迪通彩电时发现U段高放管BF961击穿损坏。因此件买不到,不知如何进行代换修理?(山东 陈明利)
答:BF961系高频双栅极场效应管,能直接代换的有BF900、BF905、BP907和BF981等,如仍买不到也可用普通高放管如C9018等临时代用,其管脚对应:E对应漏极,B对应第一栅极(信号端),C对应源极,第二栅极(AGC)空着不用。原有的耦合线作为引线,其空端与C之间接一只100pF左右的电容,其它部分不用更动,实际使用效果很好,可以一试。(于勇军)
问:一台日电5140彩电中开关电源部分的厚膜电路HM8951损坏,能否用其它厚膜电路代换?
答:HM8951损坏后若购不到同型号件,可用HM8801或HM8901直接代换,电路不必作任何改动。(汤志成)
问:一台任天堂828游戏机,插上节目卡,内容调不出,只见电视屏幕上满是不断扭动的条纹,伴音也只是噪声,不知如何检修?(山东荣城 宋忠萍)
答:先检查该节目卡在别的同型号游戏机上测试内容是否正常?若正常,那么首先判断:①主电脑板部分振荡频率漂移否(可检查晶振及相应电容)?②视频处理器部分是否热稳定性差,可检查PPU IC7,随机储存单元IC3、IC4是否损坏;③调制板部分振荡频率有否漂移?与电脑板之间连线是否良好?④射频盒能否正常工作?有否良好输出?⑤从调制板输出的复合视频信号与射频盒连接是否良好?
检修时按⑤~①顺序进行。(张国华)
问:一台飞跃牌80W立体声扩音机的功放管被烧坏,其型号为2SD652。我们查了许多晶体管特性手册均没找到该管参数,也购不到同型号配件,后来分别试用3DD15和BU406加3DA87复合管代换,结果都没成功,不知该用何种管子来代换它?(山西 刘平)
答:2SD652是日本产NPN型低频大功率硅三极管,其主要电参数如下:P\(_{CM}\)为80W,ICM为6A,BV\(_{CEO}\)及BVCBO均为500V,V\(_{CES}\)为2V(当IC为4A时)。3DD15的P\(_{CM}\)、ICM等参数不如2SD652,β等参数也不合要求,故不能代换该管。BU406一般不宜用在低频功放电路中。与2SD652性能相近的管子有:2SD572、2SD573、2SD605、2SD626、2SD932、2SD663等,可以选购其中一种予以代换。(轶奇)
问:一台广东产时音牌收录机收放音均无声,经检查系集成电路TA7628HP损坏,用什么型号的集成电路代换?(辽宁 朱志勇)
答:可用国产D7628HP、D7638P及进口产品TA7638P直接代换。(邱慧远)
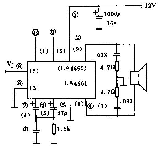
问:一台MATSUSHITA汽车放音机,它的功放集成块LA4660损坏,请介绍其电路参数及可代换的型号。(柳州 黄德惠)
答:LA4660音频放大电路适用于汽车立体声放大器和汽车收音机。输出功率为12W,电路不用输出电容与自举电容,其外围元件仅9个。电路的开关噪声小,饱和失真低,内有过热、过电压、负载短路等保护电路。在12V电压下使用,可接负载4~8Ω,静态电流为60mA左右,电压增益51dB,输入阻抗30kΩ,工作环境温度-20~75℃,其外围接线如下图。可用LA4661代换,请注意管脚标号,()中的数字为LA4660的,○中的数字则是LA4661的。(张国华)
