凡聆听过具有超重低音效果音响的读者,往往对其产生的震撼人心的低音域赞不绝口,而听普通音响却很难领略到这种浓郁的低音魅力了。这主要是,其一,人耳对于30~50Hz的低音频响度感觉很迟钝,其二,普通音箱的结构及其内装的低音场声器在频率低于100Hz后其放音效率极低。因而在实际聆听中缺乏足够的低频分量,使声场的临场感效果差,久听令人疲倦乏味。然而,只要在电路处理中人为地加重某些低频成份和在音箱的设计中注意提高其低频的放声效率,以弥补人耳与音箱对于低频份量的不足,用普通音响也可以获得迷人的超重低音效果。本文介绍在普通音响系统上实现超重低音放音的两种方式及其实例。
超重低音的补偿网络方式
超重低音的补偿网络方式,适合于密封式扬声器音箱的音响,是一种获取超重低音效果的简便实用方式,仅需在原音响功放电路中增添几只阻容器件。
一、原理
密封式扬声器音箱的低频衰落曲线比较平滑,其典型低频频响曲线见图1的曲线a,当在功放级反馈电路中增加提升低音的补偿网络,且网络各参数选取得当时,一般可得到与图1b相仿的频响补偿曲线。实际的曲线是经a、b合成后的如图1的曲线c,可见,低频曲线已平滑地向低端扩展了,使得低频效果大有改观。

二、实例
现以星海988组合音响为例介绍其实现超重低音放音的方法。该机功放电路使用大功率混合块STK465,其电路见图2(仅画出L电路)。首先取音箱的截止频率为25Hz,另测得音箱低频电压曲线的转折频率为95Hz,经计算低频补偿网络的C\(_{f}\)值为0.193μ,Rf值为8.67kΩ,R19仍取原阻值33kΩ,为使改动后的功放增益仍与原功放增益(41.7dB)相仿,将R16阻值改为200Ω,实际的功放及补偿网络电路见图3。


补偿网络中的电容以采用介质损耗小的聚丙烯电容为好,电阻宜选用金属膜电阻。此外,R声道的改制与L声道相同,两个声道对应网络的阻容器件最好用数字万用表进行测量,其配对误差应在1%以内为好,以保持立体声声场的平衡。增补的补偿网络阻容件应就近安装在功放印板的背面,可减少长线连接带来的干扰。另外,对于倒相式扬声器音箱的音响,需先将倒相孔封死,然后再按上述方法进行改动,可以减少补偿低音的失真。密封式声箱实际的低频转折频率因音箱体积大小和使用的低音扬声器口径各异,在业余条件下测出其低频转折频率并非易事,因此可按典型值95Hz来确定参数,然后在实际试听中再根据各自音箱的特性及个人爱好微调R\(_{f}\)值来修正音色。经改进后在30Hz~50Hz的低频分量一般都能提升4.3dB~5.7dB,实际聆听超重低音效果十分明显。
3D超重低音联机方式
采用3D方式,对于音响电路无须更动,但需增加一对低通滤波器(LPF)、一块功放电路板及一只专放超重低音的扬声器音箱,其效果优于网络补偿方式。
一、原理
由于超重低音的波长很长,已不具方向性,因此,要利用音响的双声道仍保持原来的立体声信号,而从左右声道中取出音频信号经混合由LPF获得低于100Hz的声频,然后用公共的超低音功放推动,并由超低音扬声器音箱放音,用此方法实现超重低音放音的方式,就是所谓的3D超重低音技术。
二、实例
3D超重低音方式在实际应用中,首先要制作一只超重低音扬声器音箱(该音箱仅仅输出30Hz~100Hz的低频信号,而对中高音的响应却很微弱),其次要有一对性能优良的LPF及一块大功率功放电路,配合超重低音音箱把高于100Hz的那些具有方向信息的信号衰减掉,而将低于100Hz的低频信号给予放大。此外,还有混合电路。
1.超重低音扬声器音箱 A.S.W超低音扬声器声箱是一种适合自制的内藏扬声器结构声箱,其前方有一音室,形成声学低通滤波器,从而扩展了低频,加强了低音效果。声箱结构见图4,其尺寸均用毫米为单位,内装飞乐YD10—2504(10英寸 8Ω)低共振橡皮边扬声器。箱体采用20mm中密度纤维板,内壁贴30mm厚的涤纶棉(安装扬声器的隔板上不贴)。


2.低频滤波器 常见的三阶有源网络的归一化低通元件值见上表,这里选用巴特沃兹特性曲线,低通性能十分优良,经计算实际电路各参数见图5。该滤波器转折频率100Hz,衰减特性18dB/Oct,运算放大器选用NE5534等单路运放块。

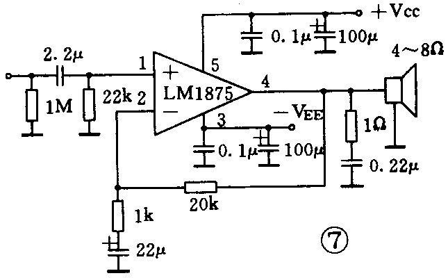
3.超重低音功放电路 美国国家半导体公司近年推出的音频功放电路集成功率放大块LM1875输出功率大,在±30V电源电压下功率达30W(8Ω),外围元件很少且又具有各种保护功能,用作超低音功放电路十分合适,其外形见图6,功放电路见图7。关于功放电路的制作要点可参考有关资料,本文不再赘述。而功放的输出功率一般可取音响功放电路功率(单路)的1~1.5倍。值得一提的是,由于功放电路的频响在30Hz~100Hz,对于微小的干扰都极为敏感,电路最好装入屏蔽盒内(盒内含混合电路及LPF电路)。


4.3D方式联机 3D方式联机一般有两种方法,均十分方便。对于一般组合音响可参照图8进行联机接线,由图可见,音频信号是从前置放大器(或音调均衡器)组件单元背面的信号输出端子取出,经R1、R2、R3混合电路后由LPF获得低于100Hz的低频信号,然后用公共的超重低音功放推动后,由超重低音扬声器音箱放音。此外,对于常见的三合一组合音响系统,因前置放大器(或音调均衡器)与功放电路不易分开,可将左右两声道音频信号改从扬声器音箱背面接线端子取出,再经混合电路送往LPF,其接线联机方法见图9。


5.试听 首先应该指出的是,本文所述的3D超重低音放音方式虽未曾在音响原功放级前设置100Hz的高通滤波器,但普通音箱在100Hz以下频率放音时效率很低,所以在实际聆听中只要控制好超重低音功放的音量大小仍可以取得满意的效果。当然,对于要求更高者,可设法在原双功放前各加设一只100Hz的高通滤波器,这样立体声声场的音质会更趋纯正。现用京华JW—3080音响按图9接好线,把左右扬声器音箱拉开,超低音屏蔽盒就近置于音响主机旁(盒内装有混合、LPF、功放电路),A.S.W声箱置于角落以提高放音效率。放入磁带及CD唱片,把音响音量旋钮拨至中等音量,调节超重低音屏蔽盒内音量电位器使整体声频趋于平衡。试听后,无论是磁带还是CD唱片作节目源都感觉到低音潜得很深,立体声声场真实感令人极为满意。尤其在播放一些低音较为丰富的CD唱片时,更是呈现出超重低音的迷人魅力,那回肠荡气的逼真声场令人回味无穷。
关于超重低音放音技术,国外电子厂商已开发出专用的超重低音IC块,如日本三洋公司的LA3550等,可将此IC块置于前置与功放电路之间,30Hz~5Hz超重低音的可调提升量一般在5.5dB以上,但目前国内此类集成块还很少见。随着音响技术的发展,对于超重低音放音功能的实现将会更趋方便。(钱伯钧)