近几年来,利用引进技术生产的两片机数量和种类不断增加,常见的机型有如下几种:①东芝两片IC彩电(TA机心),IC是TA7680AP和TA7698(或TA7699AP);②日立两片IC彩电(HA机心),IC是HA11485和HA511338,③夏普两片IC彩电(IX机心),IC是IX0308CEZZ和IX0304CEZZ;④三洋两片IC彩电(Mμ机心),IC是M5134和μPC1423;⑤飞利浦两片IC彩电(TDA机心),IC是TDA4501和TDA3365。TA7680AP包括了TA四片IC彩电机心中的TA7607AP和TA7176AP两块IC的全部功能,TA7698AP比TA四片IC彩电机心中的TA7609P和TA7193AP两块集成电路的全部功能还多,不仅能处理PAL制式彩电信号,而且还能处理NTSC制式的彩电信号,整机外围元件比四片机外围元件减少了20%左右。本文对该机型进行介绍,对其它种类两片机也有一定参考价值。
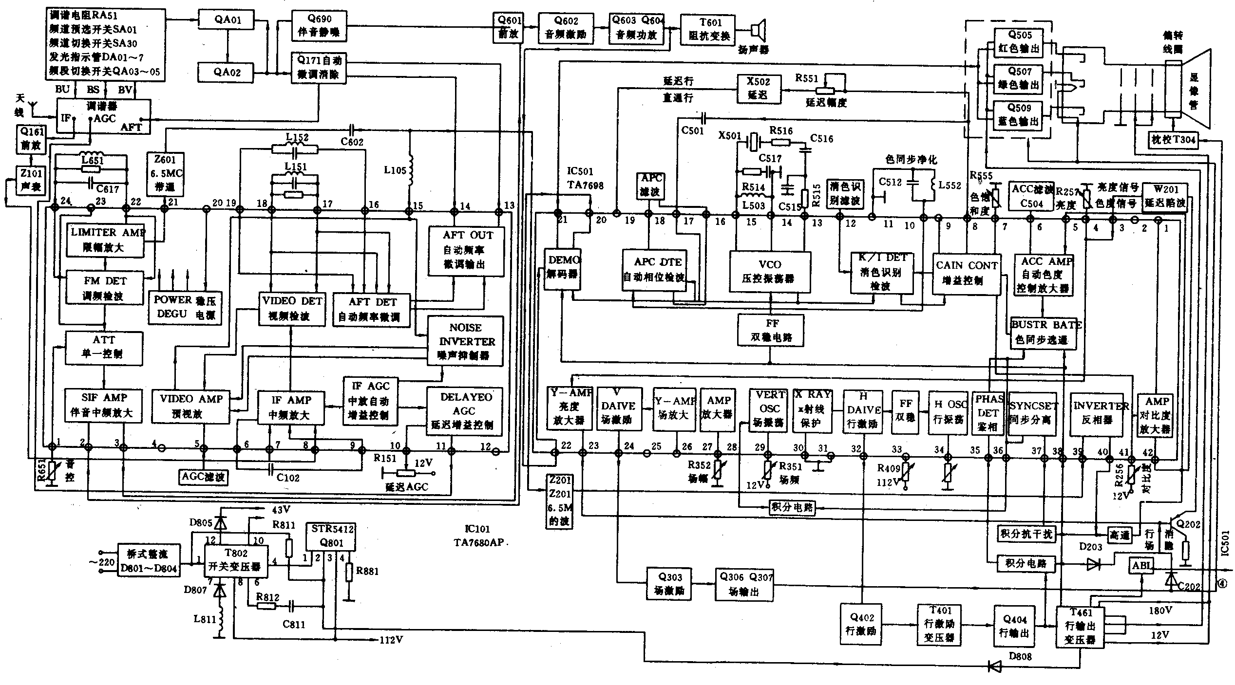
该电路的方框图见附图。从天线接收到的电视信号,通过阻抗匹配以后,送到电子调谐器中,电子调谐器在频道预选开关SA01、频段切换开关SA30及频段切换管QA03~QA05的配合下输出中频信号IF。IF→Q161前置放大器放大以补偿声表面波滤波器的插入损耗,L161匹配电感,L162和Q161输出电容组成并联谐振,谐振于图像中频→C163→Z101声表面滤波器(输入不接匹配电感,而输出接匹配电感L102可以抑制三次反射信号)→IC101⑦⑧→IF AMP中频放大器,在内部经过三级差分放大→VIDEO DET视频检波,视频检波采用双差分同步检波,接L151(LC组合器件)选取出图像中频、抑制色度中频、提高对色度中频与第一伴音中频的差拍2.07MHZ干扰信号的抑制能力的作用→VIDEO AMP视频放大→NOISE INVERTER噪声抑制电路,它由黑、白两种噪声抑制电路组成→输出。这就是经检波后的全电视信号。该信号在TA7680AP外部分成四路:伴音通道、解码通道、扫描通道和亮度通路。各路信号的流程将在下面一一叙述。

经噪声抑制后的视频信号,在TA7680AP内部→IF AGC检波,AGC检波电路采用同步放大平均值AGC检波电路→IF AMP中频放大器控制中放增益,使电视机接收强、弱信号时能自动调节接收机增益,保持输出中和度不变。IF AGC还有一种→DELAYED AGC,当中放增益下降约36dB后经输出→调谐器VAGC控制高放增益。⑩外接电位器R151,当R151右调⑩时直流电压上升,相当于减少了延迟时间;当R151左调时⑩直流电压下降,相当于增加了延迟时间。
AFT或称AFC、AFS,即自动频率调谐。它采用双差分鉴频器(即模拟乘法器)。在集成块内部从三极中放最后一级经限幅输出中频载波设为V\(_{1}\)加在AFT两端,从同频检波输出的中频载波经、接的L152(LC组合件)移相90°后,设为V2也加在AFT另外两端。在鉴相器内V\(_{1}\)、V2进行相位比较。若图像中频载波正好为38MHZ,移相网络正好将载波移相90°,V2超前V190°,鉴相器无误差电压输出,V\(_{AFC}\)=0。若图像中频V1高于38MHZ,V2比V1超前相位小于90°,鉴频器输出VAFC>0。若图像中频小于38MHz,V\(_{2}\)比V1超前相位大于90°,鉴相器输出V\(_{AFC}\)<0。利用这个误差电压去控制调谐器中本机振荡的频率,把本机振荡的频率锁定在准确的数值上。AFT从IC101、出。
同步检波同AFT一样,也采用双差分鉴频器即模拟乘法器。同步检波需要的两个信号:一是通过中频放大后的中频信号作为待检波的信号,在集成块内部直接输入,另一个是与图像中频同步的基准载波作为开关信号。这个基准载波信号采用中频选择与限幅电路来获得。、接L151(LC组合元件),调谐在38MHz经集成块内部双向限幅得到38MHz基准载波方波信号,送往同步检波。经同步检波后的全电视信号内部放大、消噪后从输出。
下面对IC101输出的全电视信号分成的四路分别加以叙述:
伴音通道。IC101→L105→C602→Z601带通滤波器→IC101内部经三级中放(LIMITER AMP限幅放大)→FM DET调频检波或叫伴音鉴频→ATT音量控制电路→SIF AMP伴音中频放大器→③→Q601→Q602音频放大→Q603,Q604功率放大→T601阻抗变换→扬声器。
FM DET采用同步鉴频器与AFT鉴频相似。一路取自限幅的伴音中放输出端,另一路取自伴音中放经接L651、C617移相后的信号。在两路信号作用下鉴频器输出音频信号。
ATT直流音量控制电路,通过改变差分放大器的工作电流分流来改变其增益,而电位器直接衰减音频信号,常会发生接触噪声和引线引进的干扰。外加直流电压是通过外接电位器R651来控制。①外接C606为了滤除干扰。接C604、R604为去加重电路,以压低发射端为提高信噪比而提升的高音频成分。
SIF AMP为具有负反馈的音频前置放大器,它由一级差分放大器和一级射随器组成,由外部功率放大Q603、Q604,引入负反馈,以减少音频放大器的失真。
在伴音功放后采用阻抗变换器与扬声器相联接是因为功放供电为112V,因而耦合电容不仅需要容量大,而且需要耐压高。这种大容量、高耐压电容体积是很大的,价格也相当贵,所以为了解决这个矛盾采用了阻抗变换器。
TA7680AP采用同步鉴频器而TA7176P是采用峰值鉴频器,希读者注意这一点。
解码通道。IC101输出的全电视信号经L201、Z201组成的陷波器滤除伴音中频后→IC501在IC501内部经倒相放大后从IC501出。输出的信号分为两路:一路经积分抗干扰电路到IC501这一路在扫描通道时加以叙述。另一路经由L501、C501、C502组成的高通滤波器送往C501⑤,在内部经第一带通放大。第一带通放大包含有ACC电路。⑥接C504为滤波电容。同时,第一带通放大在同步选通脉冲作用下将色度信号与色同步信号分离。色同步信号→色调控制→APC检测器。色度信号在IC501内部经色度放大、饱和度及对比度控制由IC501⑧输出。⑦外接电位器R555控制色饱和度,接电位器R256控制对比度。⑧输出的色度信号分为两路:一路经C510直接加在IC501,这叫直通信号;另一路经X502延迟一个周期加在IC501这叫延迟信号。直通信号、延迟信号加在IC501内部PAL/NTSC矩阵,在PAL/NTSC内部延迟信号、直通信号相加得到V分量;直通信号、延迟信号相减得U分量。然后将V分量送到内部R—Y解调器,将U分量送到内部B—Y解调器。在R—Y解调器中同时输入逐行倒相的90°副载波(f\(_{s}\)/±90°)。当PAL行V分量进入R—Y同步检波时,PAL开关在识别信号控制下正确无误地向R—Y同步检波器提供一个-90°的副载波,当NTSC V分量到来时,正确无误地提供+90°的副载波。在B—Y解调器中同时送入零度副载波(fs/0°)。同步解调器在上两个信号作用下得到的R—Y和B—Y送到内部G—Y矩阵。在G—Y矩阵中将R—Y、B—Y合成得G—Y。R—Y、B—Y、G—Y分别由IC501输出到显像管驱动板。
R—Y、B—Y同步检波需要的f\(_{s}\)/90°、fs/0°由色副载波恢复电路产生。副载波恢复电路由TA7698AP内部APC检测器、VCO、矩阵电路、消色识别、F/F双稳电路等组成。
由IC501内部第一带通放大分离的色同步信号,通过色调控制电路(PAL制式时色调控制电路不起作用)分成两种:一路到消色识别检测电路,另一路到APC检测电路。消色识别既要识别色同步信号大小又识别矩阵电路即PAL开头工作状态是否正确。外接C514用来判断双稳态电路翻转正确与否。在接收黑白信号时为8V,消色器工作,在接收彩色信号时电压升高,消色器不工作。在接收彩色信号时,若检测的色同步信号相位与双稳态工作状态不一致,则电位下降驱动双稳态改正翻转,从而得到正确的解调信号。⑩外接L552、C512以衰减色同步以外的信号。
VCO由内部电路和外接元件:X501、L503、R514、C515~C517(~间的元件)组成。VCO产生的频率和相位与标准色同步信号的相位差由APC检出,经由~的元件组成积分滤波器,将APC输出的信号变成直流再去控制VCO,使VCO的频率、相位保证在正确的数值上。
消色识别和ACC都是利用APC(锁相环路)中的鉴频器产生的半行频(频率是12f\(_{H}\)=7.8125kHz)正弦波来检波,这个半行频正弦波和色度信号的幅度成正比,因而避免了随图像内容的变化而变化的不利因素。
亮度通道。由IC101的正极性视频全电视信号加到IC501在内部经对比度放大器从IC501出,该信号经外部延迟和陷波(4.43MHz)(延迟、陷波合在一起为TRF2071)到IC501③,在内部经黑电平钳位,黑电平钳位需要的钳位脉冲由内部选通门发生器提供。再经内部视放从出到Q202基极经放大倒相从集电极输出到显像管驱动板。由行、场输出提供的行、场消隐信号分别通过D203、D202也加在Q202基极。
选通脉冲是在行同步脉冲和由来的行逆程脉冲共同作用下产生的,不象TA7193AP是行同步经延迟而产生。
扫描通道。扫描通道包括行扫描、场扫描。
行扫描。IC501出的信号经外部积分抗干扰电路R302、D301、C301、C302后输入到IC501在内部经同步分离输出行同步信号到内部AFC,同时行逆程脉冲经C401、R452积分形成的锯齿波通过IC501送入AFC,在AFC内两者进行比较输出误差电压去控制行振荡,此振荡在内部形成正反馈。部提供RC定时元件,电源通过R410、R451、R406向C405充电,放电回路在集成块内部。改变R451即改变了充放电时间常数,也就改变了行频。振荡的行频为2f\(_{H}\),其目的:①保证输出正确的脉冲宽度;②因为行、场振荡在同一集成块内,场振容易受到行振的干扰,不利隔行扫描,采用2倍行频后使行对每场干扰相同,有利于隔行扫描。2fH经内部F/F双稳分频得f\(_{H}\)→行预激励→IC501出→行激励Q402→行激励变压器T401→行输出Q404→行输出变压器T461和行偏转线圈HOR COLL。
场扫描。从IC501出的复合同步信号经外部R306、C314;R337、C305;R305、C306积分电路将形成的场同步信号送入IC501的场振荡电路。接C306、R309、R308及R351组成振荡定时电路,放电电阻在集成块内部。接C308、D307。C307为锯齿波形成电容,D307起限幅作用,防止充电幅度太大。形成的锯齿波通过内部预激励从IC501出→场激励Q303→场输出Q306、Q307→场偏转→VERT COIL。
场线性补偿分成两路进行:一路从场输出电路中取得反馈信号经R320从IC501入,形成闭环深度负反馈,保证良好的场扫描线性;另一路是正反馈积分补偿电路,由场输出电路中取出反馈信号经积分电路R311、R324、R352、C308积分后,叠加在锯齿波上改善场扫描线性。接R352调场幅。接R351调场频。(冯昌德)