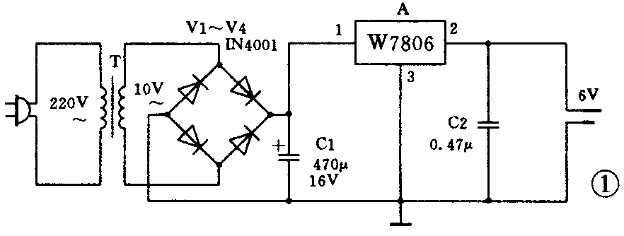
对于初学者来说,装好了一台直流稳压电源,一定很高兴,但当发现装好的电源工作不正常时,往往会感到烦恼,不知如何进行检查。本文以上海市各中学使用的《劳动技术·电子技术》课本中介绍的简易实用的稳压电源为例,介绍检查故障的方法,以帮助初学者排扰解难和提高动手制作的能力。简易实用的稳压电源的电路见图1,印制板见图2。


输出端电压为零
把稳压电源的交流输入插头插在220V的照明电路上后,用万用表测得输出插头的两端电压为零时,我们可以从测量电路中的滤波电容器C1两端的电压着手来查找故障。
1.C1两端的电压为零,说明故障发生在交流电源插头到C1之间,然后按下面的步骤再逐个查找故障的部位。
(1)测电源变压器(T)的初级线圈引出端的电压,正常应为交流220V。如没有这个电压,说明故障在交流电源引入处。这时我们可以拔下电源插头,先打开电源插头看看里面的线头有否断裂和松脱,接触是否良好,把这部分接点确实接好后,再用万用表的电阻档测一下电源插头的两个铜片之间的电阻,正常应为几百欧姆。如测得阻值为无穷大,说明这条电源引入电线的中间有断路,可以换一条电源线试试。
(2)电源变压器(T)的初级线圈引出端有交流220V的电压,而次级线圈的引出端的交流输出电压为零,说明电源变压器的线圈内部有断路。这时我们应拔下电源插头,仔细地查看一下电源变压器初、次级线圈的引出线与引出焊片之间有否断路。如果这部分的连接良好或者这部分的连接在线包的里面,那么再用万用表测一下变压器的初、次级线圈的电阻,正常时初级线圈的电阻约为几百欧姆,次级线圈的电阻约为几个欧姆。如变压器的线圈断在引出端处修理较方便,如断在线包的内部修理起来较麻烦,要拆下变压器的铁心重绕线圈来解决问题。
(3)变压器(T)的次级有10V左右的交流电压,而C1两端的电压为零。说明故障在整流二极管部分。可能是桥式整流二极管V1~V4的管脚与印板的铜箔之间假焊,或者二极管有两个以上内部断路造成整流电路无输出。这时我们可以拔下交流电源插头,焊下V1~V4四个整流二极管,用万用表测一下正、反向电阻(正常时正向电阻为几百至几千欧姆,反向为几兆欧姆)。如四个二极管都良好,就仔细地刮一下二极管管脚和印板的铜箔,把这些焊点焊好就能解决问题。
(4)变压器(T)次级线圈两端只有2V左右的交流电压,而且四个整流二极管都很烫。这说明滤波电容器C1击穿或这部分电路在焊接时焊锡把这两块铜箔搭在一起了。这时我们应立即拔下电源插头,查看一下C1引出脚的焊点有否搭锡,再用断锯条在焊C1两端的铜箔之间来回拉几下,然后用万用表的R×1k档。黑表棒接地、红表棒接C1的正极测一下电阻。正常时表针应先指到零欧姆然后逐渐退至5千欧左右停止偏转。如经过以上处理电阻值仍为零,说明C1击穿,可换一个470μF耐压大于16V的电解电容器。注意焊接C1时极性不能搞错,否则还有可能被击穿。
(5)变压器(T)次级线圈两端只有2V左右的交流电压,但整流二极管仅有两个发烫。这说明4个整流二极管中有一个极性装反,或内部短路,或在焊接二极管时焊锡把某一只二极管两个管脚搭在一起,引起次级线圈输出的交流电在半个周期内被短路,见图3。这时我们应立即拔下电源插头,仔细查一下两个发烫的二极管看看极性有否装错,把装错极性的二极管纠正后,再用万用表的R×1k档在线路板上测一下四个二极管管脚焊点上的正、反向电阻。正常时正向电阻约为4千欧,反向电阻约为几十千欧。如测得某一个二极管正、反向电阻都很小,可能是这个管子经高温运行后内部击穿短路了(一般塑料外壳会出现龟裂)。焊下这个管子再测一下正、反向电阻,如这个管子正、反向电阻都很小确实击穿了,应换一个二极管来解决。如管子焊下后测得的正、反向电阻正常,说明印板上有搭锡,可用断锯条在这个管脚的焊点的铜箔之间拉几下来解决问题。

2.C1两端的电压正常(14V),而输出端电压为零。说明故障发生在三端集成稳压器(W7806)的输入端到稳压电源的输出插头之间,可按以下步骤查找故障的部位。
(1)输出端不接负载,测W7806的①脚电压,正常值为14V。如电压为零,说明W7806的管脚与印板铜箔假焊,可以重新焊一下三个管脚(注意切断电源后再焊接)。
(2)输出端不接负载,测得W7806①脚电压为9V左右,输出端电压为零而且W7806壳体较烫,说明稳压电源的输出端有短路,W7806处于自动保护状态。这时我们应立即拔下电源插头,用万用表的R×1k档,黑表棒接地红表棒接W7806的②脚测一下电阻,正常值应为5千欧左右。如电阻为零,先用断锯条在焊C2的两条铜箔之间拉几下,排除印板上的短路后,再旋开输出插头的外壳,看一看里面的线头有否相碰,每个线头焊好后最好用套管套住比较可靠。经以上处理后再复测一下电阻,如仍为零欧姆,那么是C2击穿,但C2击穿的发生机会极少。
(3)输出端不接负载,线路板上W7806的②脚电压正常为6V,而输出插头两端电压为零。说明从线路板到输出插头之间的连接有断路,或接触不良故障。这一故障排除较容易就不再多讲了。
输出端电压不正常
稳压电源的输出端在没有带上负载时,电压低于5.7V或高于6.3V,或者带上一只“6.3V,0.3A”的小灯作负载时,电压下跌超过0.1V,均属不正常。
1.输出端没有接负载,输出端电压低于5.7V,而变压器的次级输出电压正常(10V),此故障发生在滤波电容器部分。我们可以测一下C1两端的电压,如电压在9V左右说明C1假焊或容量严重不足。这时应着重查一下C1的两个引出脚的焊点质量,把它重新焊接一下,如焊接好C1后电压还是升不上去,可换一只质量较好的电解电容器试试。
2.输出端没有接负载,输出端电压低于5.7V,测得变压器次级的输出电压低于正常值20%以上,说明电源变压器有故障,可能是线圈有局部短路,应更换或修理变压器。
3.输出端没有接负载时电压正常,但接上一只“6.3V 0.3A”的小灯作负载时,输出电压下跌0.1V以上。说明整流部分有故障。这时我们可以观察C1两端的电压,可以发现在不带负载时它的两端电压为14V左右,一带上负载时两端的电压下跌至9V左右。这一现象表明桥式整流二极管有假焊或者其中的一只二极管的PN结烧断,电路从原来的桥式整流变成了半波整流状态(见图4)。我们可以仔细地焊接好V1~V4四个二极管的管脚焊点,然后用万用表的R×1k档测一下四只二极管的正、反向电阻。如发现某一个二极管正、反向电阻都在几十千欧左右的话,说明该管已损坏,要更换,如四个二极管的正、反向电阻都正常,就可以插上电源插头,输出电压一定恢复正常。

4.输出电压过高(不带负载),产生这一现象有两种可能。
(1)W7806的③脚假焊。这时应先拔下电源插头,将③脚重新焊接。绝对不允许在没有关断电源的情况下焊接W7806的③脚,否则容易损坏该集成块。
(2)在焊好W7806的③脚后输出电压仍过高,那么是该集成块内部损坏。可能是在装该集成块时误将①、②脚接反,通电后造成损坏。这时只能更换一个新的W7806集成块。(周富发)