MC34063/34163/34165系列产品是可实现降压、升压、电压极性反转的多功能集成开关稳压器。MC34063是8脚封装,MC34163、165是16脚封装。MC34063电路的外形、管脚排列见图1。

MC34063电路
MC34063的内部电路见图2,它由1.25V的电压基准、振荡器、触发器及输出驱动电路组成。下面介绍基本应用电路:

一、降压电路
图2是用MC34063组成的典型的L、C、D降压式开关电源电路。电路的输入电压Vin为25V,输出电压Vout为5V,输出电流500mA。外接8只元件,变换效率可达80%。其中电容C\(_{T}\)用于振荡器的定时,调节CT振荡频率可由100Hz~100kHz。⑦脚是峰值电流限制I\(_{PK}\)端,由电源VCC到I\(_{PK}\)端的限流动作电压为330mV,因此限流电阻的取值公式为RSC= 330mV/ipk,式中ipk为限定电流,其取值应小于MC34063内部功率管的最大电流。
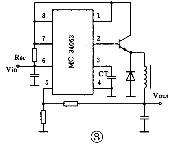
实际工作中如需要输出大电流时,可通过外接功率管进行电流扩展,具体电路接法见图3。

二、升压电路

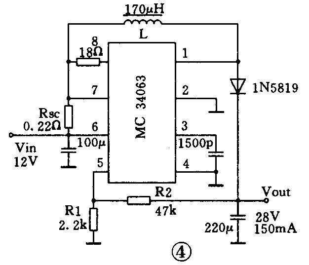
图4是一个输入电压Vin为12V,输出电压Vout为28V,输出电流为175mA的升压电路。与降压式电路相比可见,电感的位置和续流二极管的方向进行了改动。升压后的电压是电源V\(_{CC}\)与电感上的电压相加后,通过二极管后得到的。
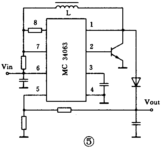
因为输出电压比较高,升压式电路的输出电流一般是较小的。主要受内部功率管峰值电流的限制。当工作中需要输出大电流时,可通过图5电路,依靠外接功率管来实现。

三、极性反转电路

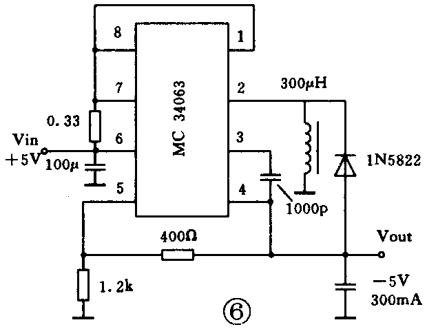
工程上经常需要将一组正电源转换成正、负两组电源使用。图6是极性反转(正电源转负电源)应用电路,由图中可见,电路芯片的接地端和定时电容的接地端,未接在电位上,而是悬浮在输出端的电位上,随电感上的负电压,通过二极管送至输出端。MC34063的接地端总接在电路最低点,这样当比较器从输出端采样时,即可得到从地到负电压之间的一个负值,在电路平衡后为V\(_{O}\)+VREF,与比较器同相端的值一样,这样电路中省去了一个倒相器,工作起来稳定可靠。
调节反馈取样电阻R1/R2的比值,从输出端可得到从-1.25到-Vi之间的任意电压(也可以比-Vi更低),这实际上是一个反转降压式变换电路。在实际应用中,要注意芯片实际承受的电压,既不是输入电压Vi,也不是输出电压Vo,而是输入与输出的绝对值之和,即Vi+|Vo|,这个值应小于整个芯片的耐压(40V左右),这样才能保证芯片的安全使用。
上述是MC34063电路的简单应用,续流用的二极管应采用肖特基二极管,滤波电感应使用具有抗饱和特性的磁性材料绕制,电解电容器最好用低阻抗的。
MC34163/34165电路
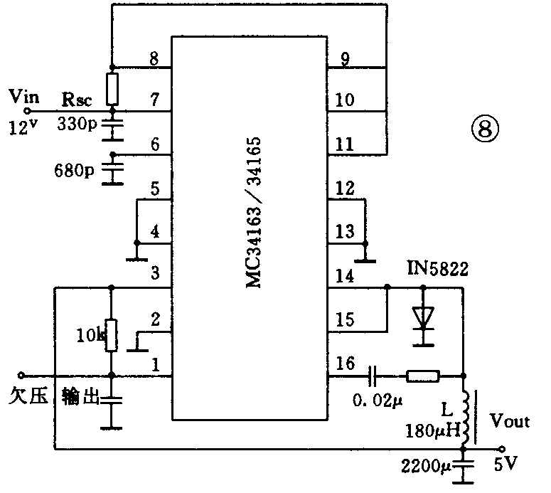
MC34163/34165的外形管脚见图7,内部框图及封装形式(双列直插塑封)、工作原理与MC34063基本相同,只在性能上有所提高。如输出电路上MC34163开关管峰值电流提高到3A,耐压仍为40V。MC34165开关管耐压提高到65V,峰值电流仍为1.5A。在控制电路上MC34163/34165均增加了输出欠电压指示电路及热保护电路,在脚还增加了自举输入功能,以提高驱动能力。图8为降压电路,图9为升压电路,图10为反转电路的应用举例。



表中列出上述三种电路的基本参数,供读者参考。(王允和 刘胜利)
