本文介绍的会躲障碍的电子玩具警车十分新颖有趣,当它鸣叫着警笛向前开去时,如果发现前方有障碍,便自动边倒车边转弯,同时响起“请注意倒车”的声音,几秒钟后,警车又继续鸣着警笛向前驶去。
工作原理

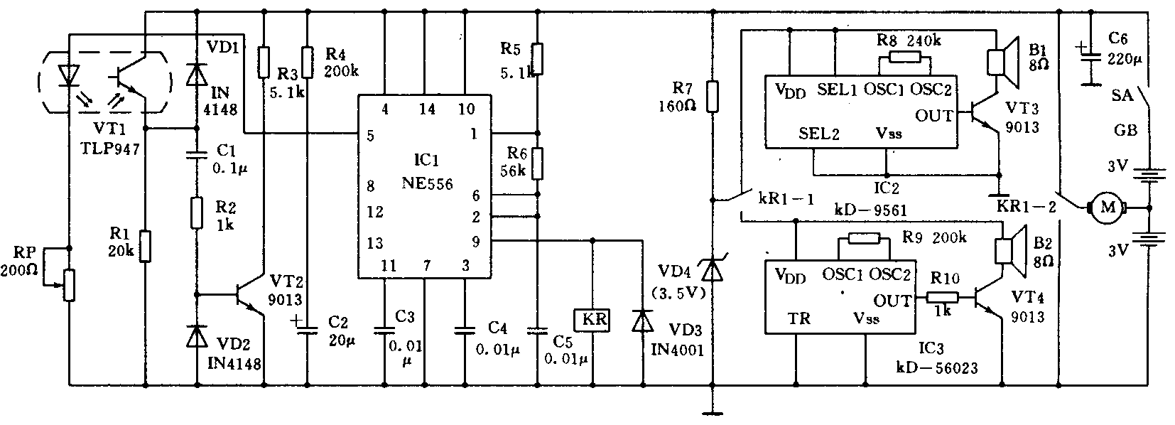
电路如图所示。VT1是一体化红外发射接收头,其结构特点见本刊1992年第8期的介绍。NE556是一种双时基集成电路,相当于两只NE555。其中的一个时基电路与R5、R6、C5等组成一个振荡频率约为1200Hz的脉冲振荡器,驱动红外线发射二极管发出调制红外光。红外线接收三极管、R1、C1、VT2等组成红外接收、光电转换和脉冲触发电路。NE556的另一个时基电路和R4、C2等元件组成一个延时电路。
接通开关SA,如果玩具警车前方没有障碍,IC1的8脚未被触发,则其9脚输出低电平,继电器KR的常闭触点接通,IC2得电工作,扬声器B1响起警笛声,同时电动机M正转,玩具警车前进。当它发现前方20~30cm的地方有障碍时,红外发光二极管发出的红外光被障碍物反射到红外线接收三极管,将光信号转变成电信号后,经C1、R2送至三极管VT2的基极,使VT2瞬间导通,其集电极产生一负跳变脉冲送至IC1的8脚触发延时电路工作,其9脚输出高电平,继电器KR吸合,其常开触点接通,IC3得电工作,扬声器B2发出“请注意倒车”的声音,电动机M反转,警车边后退边转弯,与此同时,电源经R4向C2充电,约5秒钟后,C2两端电压升至约4V,延时结束,IC1的9脚又变为低电平,继电器KR释放,其常开触点又接通,恢复开关SA刚接通时的状态。
元件选择
IC1选用双极型的556双时基集成电路,如NE556、SE556等;IC2选用KD-9561集成电路;IC3可以选用KD-56023、LQ-46等能发出“请注意倒车”的语音集成电路。VT1选用TLP947一体化红外发射接收头,亦可选用TLN104、TLP104等红外发射、接收对管;VT2~VT4为9013等NPN型三极管,要求β≥80。VD1、VD2为IN4148,VD3为IN4001,VD4选稳压值为3.5V左右的稳压二极管。扬声器B1、B2采用阻抗8Ω的超小型电磁扬声器,或者采用HC-12型电磁讯响器,但发出的声音稍小。KR使用HG4099/6V超小型电磁继电器。其它元件可按图中所标的参数选择。
制作与调试
将除VT1外的所有元件安装在一块自行设计的印制电路板上,警车可以利用声控或单通道遥控警车的车体,这种警车的底盘有一个中间导向轮转向机构,当警车后退的时候,导向轮轴右端紧靠前面的限位柱,警车转弯行驶;把VT1放入用易拉罐外壳材料制作的聚光罩内,前面放一红色滤光片,安装在玩具警车的前部或顶部,将手放在距VT1前面20~30cm的地方,调整RP的阻值,使继电器KR吸合。调整R4、C2的数值可以改变延时的时间。(赵奇 金明晓)