本电路采用YYH26和YYH28作为编解码器,构成电子密码锁。采用红外线遥控方式,使用方便。由于YYH26和YYH28配对可组成400万组以上不同密码,故极难破译,非常安全。电路带有防盗报警装置,在未正确解码情况下,只要门稍稍打开,报警电路就会动作,发出警报声,此时即使犯罪分子重新关门,报警器也不会停止报警,直到断开报警器电源,或用遥控器正确解码后,才停止报警。报警电路使用可控硅控制,响应速度快。在等待期间,报警器功放电路不通电,既节约电能,又有利于延长使用寿命。
编码器YYH26的1~8脚和10~13脚为12个编码端,分别与解码器YYH28的1~8脚和10~13脚12个地址端相对应,每个编码端均可以有四态(接V\(_{DD}\)、VSS,悬空或与1脚4TH端相连),只有编码开关状态和解码地址状态一致时,解码器YYH28才在17脚输出高电平。
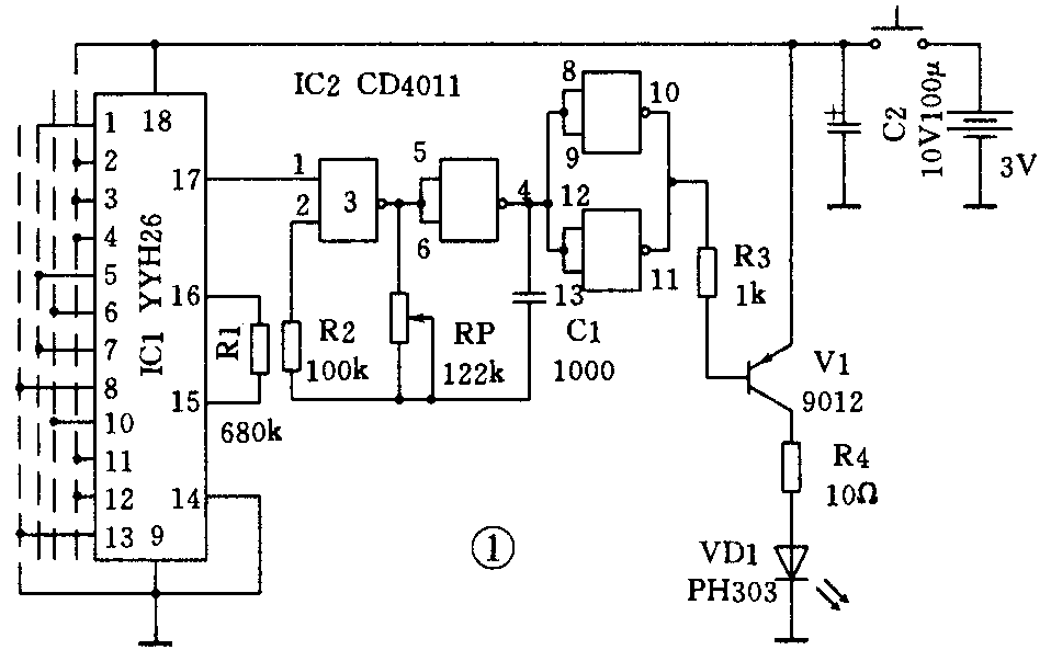
发射电路原理如图1所示,印制电路板如图2所示。按下电源开关,由CD4011组成的40kHz振荡器起振,推动9012三极管驱动红外发射管,送出YYH26编码器的编码内容。


接收控制电路如图3所示,印制电路板如图4所示。由IC1CX20106A和IC2YYH28组成接收解码电路,正确解码时在IC2的17脚输出高电平,驱动9013三极管打开门锁。


IC4KD-9561四声片接成报警声输出,IC5TDA2003组成报警信号放大电路,推动扬声器工作。但IC5的工作电源受控于单向可控硅MCR-1006,关门后,安装在门上的控制开关闭合,可控硅控制极处于低电位,可控硅不导通,IC5无工作电源因而无报警声输出。若犯罪分子强行开门,则控制开关断开,电源通过电阻和二极管加到可控硅控制极,使其处于高电位,可控硅导通,报警器工作。此时即使犯罪分子以极快速度重新关门,可控硅控制极由于二极管的隔离作用,不处于低电位,可控硅仍处于导通状态,报警器依然工作。户主在使用遥控器开门时,IC2的17脚高电平除推动9013三极管开门外,还加到由IC3CD4013组成的双稳态电路,使IC3的1脚输出高电平,驱动IC6 CD4066中的电子开关S闭合,将可控硅控制极接地,使可控硅不导通。同时,IC3的1脚高电平还点亮发光二极管VD,指示此时可开门进入房间。户主出门时关门后再按一下遥控器开关,IC2的17脚输出高电平使IC3双稳电路改变输出状态,使IC3的1脚变为低电平,电子开关S断开,VD熄灭,指示报警电路进入等待报警状态。在实际使用中,可将红外接收管PH302安装于较隐蔽的地方,以防被人破坏导致不能控制。发光二极管VD的安装位置放在出门时容易观察的地方为宜。(陈林)