用十进计数译码器CD4017作步进器,经矩阵二极管的组合排列,把Q0~Q9端输出脉冲依次分送到相应的彩灯驱动放大输入端,实现逻辑顺序控制。只要按程序要求相应变换二极管位置,即可编出多种不同闪光状态的彩灯控制电路。方法简单灵活,通用性较强。
例如:图1双向流动电路。矩阵的纵线接自CD4017译码输出端Q0~Q9,横线接到彩灯驱动电路中发光管。Q0和Q5对应VD1和VD6作六路流动灯两端的转折点,Q1~Q4和Q6~Q9分别以正反顺序对应VD2~VD5。当Q0~Q9按时基电路输送的脉冲个数依次输出高电平时,矩阵输出即转化为1—6—1的顺序控制彩灯往复循环发光。LED用于指示工作状态(也可不用),调节RP可改变工作频率。可控硅功率按实际需要来选定。

若将15脚清零端接到Q6端,Q7以后即不再工作,电路成单向循环。因此外加转换开关就可进行单双向状态变换。

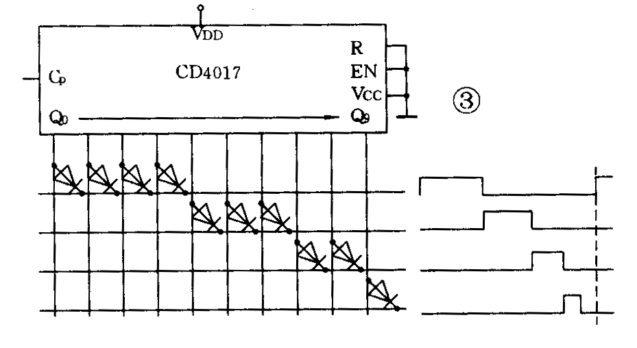
图2交错流动电路。Q5接清零端,构成五步序循坏。Q0~Q4经二极管各分控两路,Q0有输出时一二路灯亮,Q1有输出时二、三路灯亮,以此类推,总有两路灯交错发光。还可酌情将五路扩展到十路,双灯扩成三灯或四灯交错,具有类似后浪推前浪的灯光效果。(脉冲输入和驱动放大部分图略,下同)

图3加速追逐电路。将Q0~Q9按四三二一比例长度分成四路,使每个循环内四路灯的发光时间依次越来越短,产生加速追逐效果。

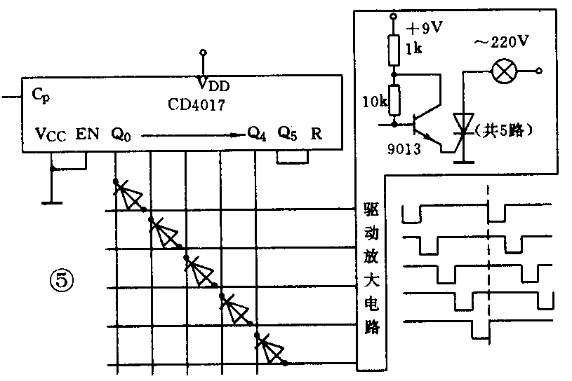
图4递增式电路。Q0~Q4端五只正向二极管构成五路单向循环,四只反向二极管控制后灯跟随前灯亮。全部灯亮后,瞬间熄灭又从头开始,组成阶梯式渐亮电路。也可参照图1扩展成递增又递减式渐亮到渐暗电路。

图5空穴式流动电路。图中反向设置的五只二极管使用Q端拉电流(与灌电流相等,但可少用20只二极管),在Q端无输出时,三极管基极由电源供电,驱动放大电路导通灯亮;当Q端有输出时,基极电流被吸收,三极管截止则灯灭。该灯工作时只有一路灯不亮,其余全亮,形似空穴即暗灯流动。它总体亮度大,适合作小型环形灯,可在十路以内任意扩展。

图6同步闪光电路。将Q0~Q8端的输出脉冲分送前三组,组成不同长短信号式三种状态;12脚的进位脉冲接第四组,进行一比一的慢闪光控制。若外接转换开关,就能随意变换工作状态,是图形灯的一种常用形式。

图7三态闪光电路。图示顺序状态是先单路流动、再双路流动,最后四路同步闪动两遍为一个循环。用来组成四个大字灯,如“欢迎光临”、“欢度新春”等,可增强显示效果。

图8组合彩灯电路。IC1的Q0~Q9接成两个五步序的流动循环;12脚进位端的输出脉冲宽度因同Q5~Q9输出脉冲总宽度相等,用来分别控制两种图形灯,恰好互补交替发光。IC2控制四个大字灯按单字流动、双字递增和四字四步的顺序循环工作。由于IC2是按IC1的Q0和Q5输出脉冲计数,故IC2每一循环时间为IC1的五倍,可满足三种灯对闪光速率的不同要求。(钱承)