利用光电池作感光元件来控制多谐振荡器的工作,可以做一个光控眨眼的小动物电路。此电路在一般室内的光线下,两个发光二极管会轮流发光。当光电池受到较强的光线(室外阳光或灯光)照射时,发光二极管就不再发光。
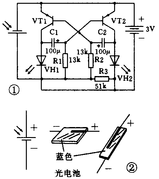
这个电路主要是由一个对称的多谐振荡器组成。电路如图1所示。其中光电池是一种将光能转变为电能的半导体器件,外形见图2,当光线照射到光电池蓝色的一面时,它能产生出电能。光电池蓝色的一面引出线是正极,另一面是负极。光电池的形状有长方形、正方形、圆形几种,面积越大能产生的电流也越大。但不论多大面积,它所产生的电压都一样,约0.3~0.4伏。由于光电池很薄,引线也很细,使用中要格外小心,避免人为地损坏。

电路是这样工作的:由于C1与C2两只电解电容器的充电与放电,使两只三极管交替导通与截止,接在三极管集电极上的发光二极管就交替闪亮。当光电池受到光照,光电池的两端产生一个0.3伏左右的电压,通过电阻R1给VT2加上一个反向偏置电压,使VT2截止。同理VT1也截止,所以两只发光二极管就不再发光。这时电路耗电极小。
图1中VT1、VT2选用3AX21或3AX31等锗材料三极管,管脚排列见图3。图中发光二极管VH1、VH2可选用红色或黄色的,外形见图4,注意正负极的区别。电阻全部为1/8W碳膜电阻,R1和R2为13k(棕、橙、橙),R3为51k(绿、棕、橙)。电解电容器C1和C2的容量为33μF~100μF,外形见图5。当C1、C2的容量较小时,发光二极管交替的速率就快;当容量较大时,交替的速率就会变慢。这可根据自己的要求来选择电容器的容量。

印制电路板见图6,实体安装图见图7。在焊接电路板前,应将所有元器件的引线处理干净并上锡。然后再焊到电路板上,注意发光二极管和三极管的极性不要搞错。调试时先不要接上光电池,这时接上两节电池,试一下多谐振荡器工作是否正常。如正常工作,发光二极管应轮流发光。然后再接上光电池,这时发光管仍然轮流发光,把此电路拿到室外,使光电池受到光照,这时发光二极管停止闪烁。


全部完成之后,可制作一个或找一个小动物的外形,把发光二极管装到小动物的眼睛上,并将光电池装在一个可以受到光照的位置上。(周海)