一台熊猫牌SL—05型立体声收录机,收音时正常,但磁带放音时出现了声音忽大忽小的现象。现将此故障分析处理如下:

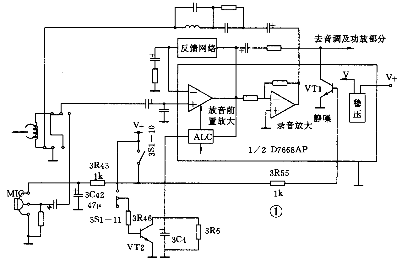
由于收音时正常,说明收音头、音调及功放部分均正常,而故障出现在前置放大部分。该机前置放大所的IC为D7668AP,电路图如图1所示(图中只画出了一个声道)。由于两声道故障同时出现,因而怀疑问题出在公共部分。前置放大部分中影响信号大小的公共电路有ALC电路和静噪电路。当处于放音状态时,录放开关3S1—11处于上面位置,电源通过3R46加到VT2的基极,使VT2导通,ALC的外接时间常数网络(3C4和3R6)被短路,ALC电路不起作用;当录音时,此开关处于下面位置,VT2截止,ALC电路起作用。故障现象可能是3S1—11接触不良使放音时无基极电流注入VT2或者为VT2损坏所致。采用将V\(_{+}\) 和3R46用导线直接连接,以及将VT2的集电极直接接地的两种方法试听时,故障仍存在,说明故障不在ALC部分。下面再检查静噪电路。静噪电路的作用是这样的:当放音或收录广播节目时,功能选择开关3S1—10不闭合,静噪电路不起作用;当用机内话筒录音时,3S1—10闭合,话筒得电工作。为了防止话筒信号通过前置放大后,再由功放经扬声器反馈给话筒,形成正反馈引起啸叫,在话筒得电的同时,V+通过3R55加到静噪三极管VT1的基极,使之导通,把经过前置放大后的话筒信号短路。由于静噪管是并联在前置放大的输出端,若静噪管特性不良将引起上述故障。将集成电路的3脚和14脚与印刷线路断开,用2只好的三极管进行代替试验,开机试听故障仍存在,说明静噪管本身亦无毛病。

仔细分析图1电路,由于话筒内部的场效应管漏源之间的阻抗很大,相当于开路,则当开关3S1—10未闭合时,话筒与静噪部分连接的等效电路如图2所示。若开关3S1—10有微弱的漏电流,此电流又不足以使静噪管VT1直接导通,则由于3C42无泄放回路,漏电流I\(_{1}\)将给3C42充电。当3C42上的电压升高到静噪管VT1的开启电压时,VT1导通,使音量变小。而VT1导通时的阻抗很小,时间常数小,导通后又很快截止,使音量又变大,此时3C42上的电压处于使VT1导通和截止的临界状态,随着3C42的不断充放电,就会出现声音忽大忽小的振荡现象。为了验证这一点,将3R55的一端从电路板上焊开,再开机试听时,故障消失,说明是3S1—10漏电所致。

将3S1从电路板上焊下来,拆开看时,如图3所示,3S1—10的两刀位之间有一条黑色痕迹(箭头所指处)。这是由于用无水酒精清洗时,触点磨下的镀银层随着酒精流淌,在处于最下端的3S1—10处沉积留下的,因而具有一定的导电性。将此黑色沉积物用刀片剔除干净,将3S1重新装上电路板,开机试听,声音忽大忽小的故障消失。(王健)