一、扩音机失真且输出很低
有一台2×275W扩音机,在播音中突然发现机器声音失真,且输出很低,不能正常工作。经检查发现机器在静态无信号输入时,已经有几十伏交流电压输出,该机功率放大电路图如图1所示。故障分析检查及修复过程如下:

①首先检查C3、C4、C5电容器有否断路,有没有损坏现象。
②检查R10有否断路或变值。
以上两项检查,没有发现异常情况。
③用接地法检查故障。用一把小螺丝刀连通6P14电子管栅极接地,如果输出电压表上的电压降下来或消失了,则故障可能发生在前级,否则故障可能发生在后级。本例故障发生在后级。
④着重检查805×2电子管,分别把805电子管的帽子拔掉,接通电源,开启高压分别测量检查,发现有一只805电子管损坏。把这只坏的管子用万用表测量,发现灯丝和栅极相碰接通,因此管子在机器上使用时,无法正常工作,在无信号输入时就有一部分交流电压被放大输出,在有信号输入时则声音失真,输出电压很低。检查出毛病后换上新管子试机,故障排除,机器输出正常。
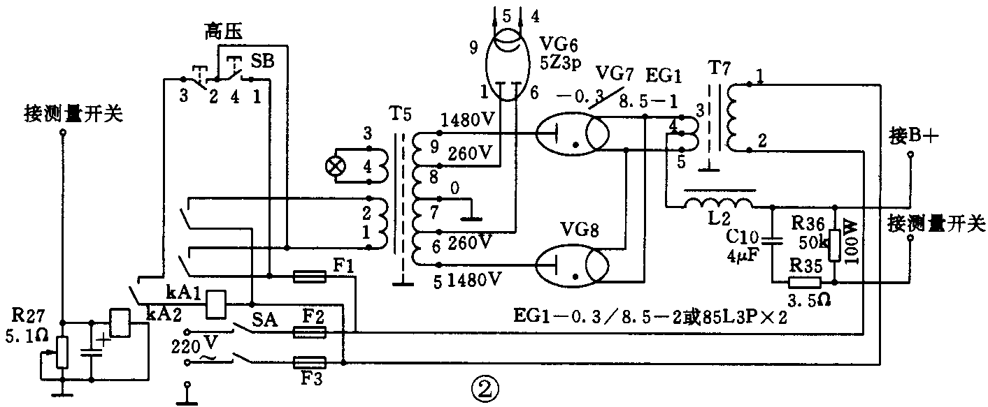
二、扩音机高压保险丝经常被烧断的故障修复
GY2×275W扩音机在使用中,经常出现烧断高压保险丝故障,有时也会同时烧断低压保险丝。该机高压整流电路如图2所示。现将一般检查方法叙述如下。

①根据图2,首先检查测量VG7、VG8的电子管的好坏,如果管子坏了,用好的管子换上。
②检查L2扼流线圈是否断线,如果是好的,还应该测量一下它的对地绝缘电阻,应该保持良好,否则会引起跳高压,烧保险丝。
③检查C104μF的油质电容器,有否漏电和短路现象。
④着重检查VG7、VG8的电子管底座有无积灰?注意观察在高压开启后,跳高压烧保险丝的同时,管脚旁有否很亮的跳火现象。在潮湿天气或机器有积灰的情况下易发生高压窜火,并引起机器跳高压,烧断高压保险丝。
本例是管座旁有积灰,并有高压窜火烧黑过的地方。清除积灰,并用脱脂棉花或布头蘸少许无水酒精擦洗干净,等干燥后插上电子管接通电源试机,扩音机工作运行正常。(李顺清)