一台日本松下电器公司生产的带电脑控制的NA-710型全自动洗衣机,在使用过程中突然停转并出现严重的焦糊气味,拔下电源插头打开机壳后盖板后,发现电机部位有烟冒出,用手触摸电机外壳很烫手,所以判断为电机绕组线圈烧坏。取下电机发现绕组线圈处有一部分已严重烧黑,漆包线有一处已烧断,并且有几股已熔接到一起。从故障现象判断电机烧坏的主要原因是由于电机工作时所处的环境比较恶劣,电机长期受到潮气侵蚀,导致电机的绕组线圈层间绝缘下降,进而引起电机绕组线圈击穿短路而损坏。
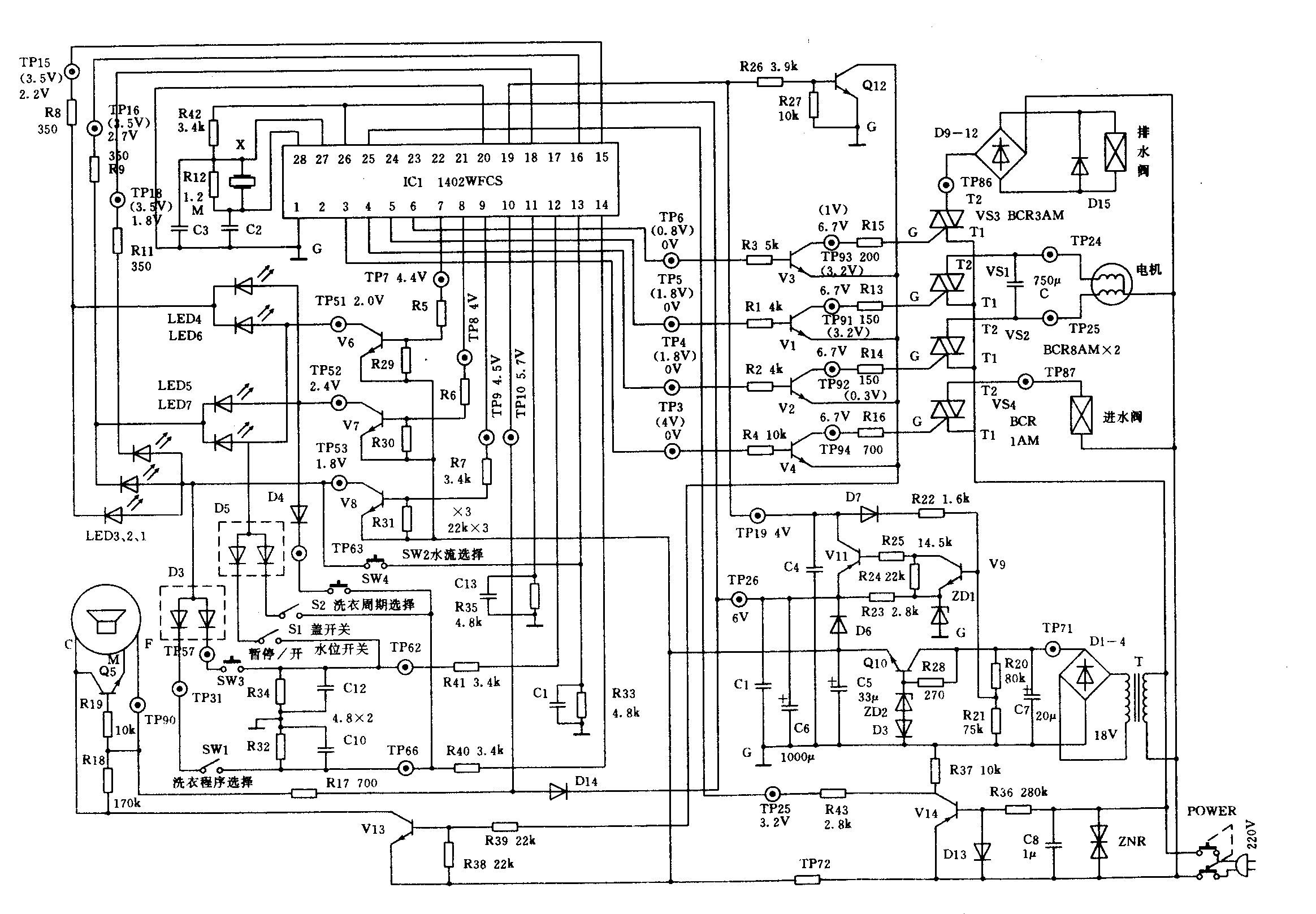
将电机重新下线修复后再装上机器试验,发现电机只能朝一个方向转动,估计控制电路部分也有故障。经查看电原理图(见附图)以后,初步判断是控制电机正反转的双向可控硅TR1或TR2之中有一个内部出现击穿短路。该机的电路控制原理是这样的:微电脑芯片1402WFCS的控制端3~6脚输出的信号分别通过Q1~4和TR1~4控制排水阀、电机和进水阀的工作。通电后,进水阀首先打开进水,水位到达设定值后,水位开关送出一个正脉冲信号给微电脑的12脚,它就会自动执行洗涤、漂洗及甩干等一系列过程,直至全部过程结束。微电脑芯片的供电由变压器T的次级电压经整流、稳压后分别经19、25和26这几个脚输入,它的7、8、9、15、16、18这六个脚分别通过LED1~7对洗衣机的工作状态进行指示。现在TR1或TR2有一个内部出现击穿短路,所以造成电机不受微电脑控制只能朝一个方面转动。

打开洗衣机控制面板,取下印刷电路板以后,发现该机的控制电路板是用乳胶封固的,用小刀剔除下来后,用万用表分别测量TR1和TR2的输入输出端之间的阻值,发现TR1的阻值接近无穷大,而TR2的阻值基本为零,说明TR2已经被击穿而引起内部短路,造成洗衣机电机只能向一个方向转动的故障。用相同型号的双向可控硅对TR2进行代换后通电试机正常。
工作一段时间又出现洗衣机不能工作的现象。为了说明检修方法,简要介绍该机的工作过程。打开电源开关并按下启动按钮后,微电脑芯片1402WFCS按照设计的程序逐项发出指令,首先打开进水电磁阀并按照设定的水位给洗衣桶内注水,一旦水位达到预先设定的要求后,微电脑接收到水位检测元件送来的正脉冲信号之后,然后分别进行洗涤、漂洗及甩干等过程直至全部的指令结束。这说明洗衣机只有在自动进水后,才能保证顺序执行微电脑指令而使机器正常工作。因此,进行人工加水,看洗衣机能否正常工作,如工作正常,说明微电脑等控制电路是正常的,故障出在自动注水部分的电路。试验结果,人工加水后机器工作正常,因此着手检查注水部分电路。从电路图上看出,该部分电路主要是由三极管Q4、电阻R4和R16、双向可控硅TR4及进水电磁阀等组成。微电脑芯片1402WFCS第3脚输出的控制信号经Q4放大后使TR4导通,进水电磁阀得电打开而给洗衣桶内注入用水。现在洗衣机执行第一条指令就受阻,说明这部分电路工作不正常。通电后用万用表对测试点TP94测其对地电压约为6.6V,与正常值基本接近,说明三极管Q4是完好的。又给进水电磁阀直接通入220V交流电压,结果也能打开开关进水,看来只有双向可控硅TR4有问题。用一个完好的双向可控硅代换TR4后通电试机,仍然不能够正常工作,于是又对电路板上的该部分电路重新进行检查,发现双向可控硅TR4的触发极G与测试点TR94之间的阻值为无穷大,又测电阻R16的阻值与标称值基本一致。于是顺着G极往电阻R16方向的印刷电路板连线仔细查看,发现印刷电路板上的连线中有一处极微小的断痕,可能是剔除印刷电路板上的乳胶时不小心切断的,用电烙铁将这处断痕焊接好后再通电试机,则洗衣机恢复正常工作,并证实原TR4确已损坏。(韩永庆)